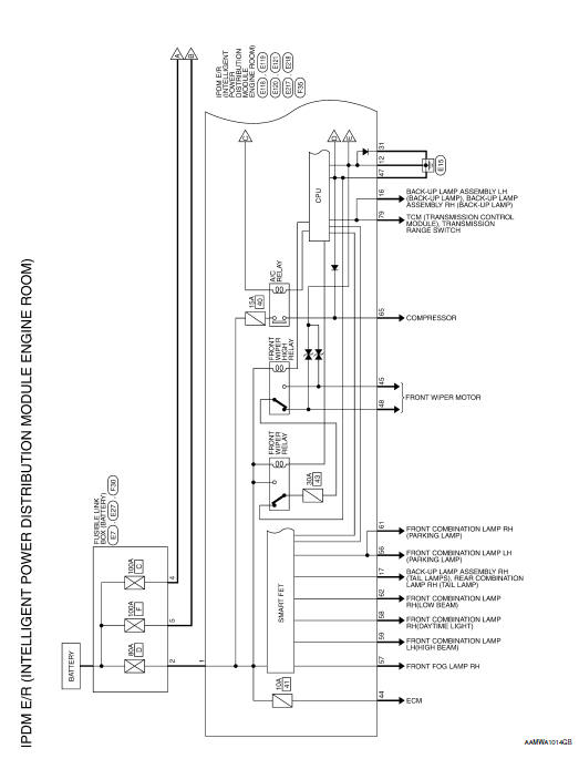
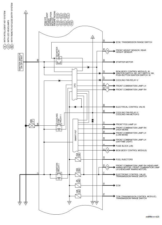
IPDM E/R (INTELLIGENT POWER DISTRIBUTION MODULE ENGINE ROOM)
Wiring Diagram






ECU diagnosis information
DTC/circuit diagnosisDiagnosis system (BCM) (with intelligent key system)
COMMON ITEM
COMMON ITEM : CONSULT Function (BCM - COMMON ITEM)
APPLICATION ITEM
CONSULT performs the following functions via CAN communication with BCM.
Direct Diagnostic Mode
Description
Ecu Identification
The BCM part number is displayed.
Self Diagnostic ...
Interior room lamp power supply circuit
Description
Provides the interior room lamp power supply. Also cuts the power supply when
the interior room lamp battery
saver is activating.
Component Function Check
1.CHECK INTERIOR ROOM LAMP POWER SUPPLY FUNCTION
CONSULT ACTIVE TEST
Turn power switch ON.
Turn each interio ...
Interior light
Interior light
When the ON switch 1 is pressed, the footwell
lights (if so equipped), step lights (if so
equipped), map lights and rear personal lights
will automatically turn on and stay on for a period
of time when:
The doors are unlocked by the Intelligent
Key, a key or the r ...