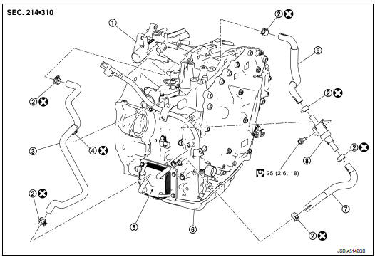
Exploded View

: Always replace after every
disassembly.
: N·m (kg-m, ft-lb)
Removal and Installation
REMOVAL
WARNING: Do not remove the radiator cap when the engine is hot. Serious burns could occur from high pressure engine coolant escaping from the radiator. Wrap a thick cloth around the cap. Slowly turn it a quarter turn to allow built-up pressure to escape. Carefully remove the cap by turning it all the way.
CAUTION: Perform when the engine is cold.
NOTE: When removing components such as hoses, tubes/lines, etc., cap or plug openings to prevent fluid from spilling.
INSTALLATION
Installation is in the reverse order of removal.
CAUTION:


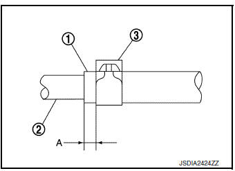
CAUTION: Hose clamp should not interfere with the bulge of tube.


Inspection
INSPECTION AFTER REMOVAL
Heater Thermostat


Standard : Refer to TM-226, "Heater Thermostat".
INSPECTION AFTER INSTALLATION
Start the engine, and check the joints for coolant leakage.
Differential side oil seal
Fluid cooler hoseBasic information
WARNING
Head restraints/headrests work together with other vehicle safety systems to help reduce the risk of injury.
They may provide additional protection in certain rear-end collisions. For maximum effectiveness, adjustable head restraints/headrests must be positioned correctly as described in t ...
DTC/circuit diagnosis
U1000 CAN COMM CIRCUIT
Description
CAN (Controller Area Network) is a serial communication system for real time
application. It is an on-vehicle
multiplex communication system with high data communication speed and excellent
error detection ability.
Many electronic control units are equipp ...
Operating tips (for automatic air conditioner)
When the engine coolant temperature and outside air temperature are low, the airflow from the foot outlets may be limited when in automatic mode. However, this is not a malfunction in the Nissan Rogue system. After the coolant temperature increases, airflow from the foot outlets will return to norma ...