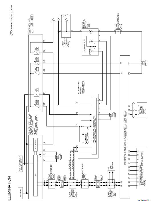
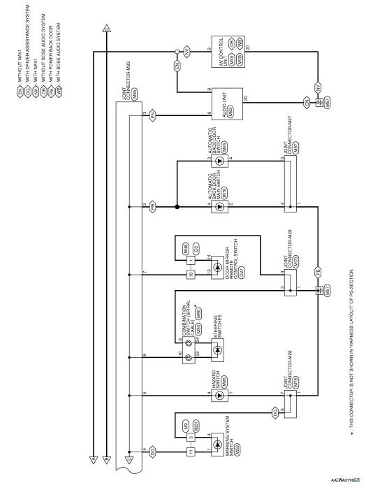
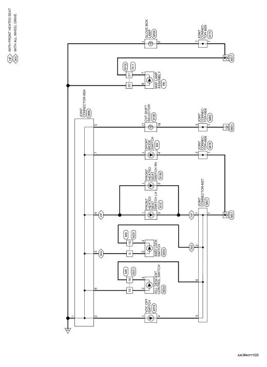
Wiring Diagram













Interior room lamp control system
Basic inspectionAvoiding collision and rollover
WARNINGFailure to operate this vehicle in a safe
and prudent manner may result in loss of
control or an accident.
Be alert and drive defensively at all times. Obey
all traffic regulations. Avoid excessive speed,
high speed cornering, or sudden steering maneuvers,
because these ...
Steering wheel turning force is heavy or light
Description
Steering wheel turning force is heavy or light.
Diagnosis Procedure
1.PERFORM SELF-DIAGNOSIS
With CONSULT
Turn the ignition switch OFF to ON.
Perform “EPS” self-diagnosis.
Is any DTC detected?
YES >> Check the DTC. Refer to STC-13, "DTC Index" ...
Installing top tether strap
WARNING
Child restraint anchorages are designed only for loads from correctly installed child restraints. Never attach adult belts or other equipment to them. Damage could compromise safety and lead to serious injury or death.
Do not attach the tether hook to the seatback carpet. Always use ...