Nissan Rogue Service Manual: Unit removal and installation
TRANSAXLE ASSEMBLY
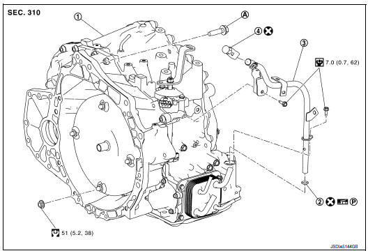
Exploded View

- Transaxle assembly
- O-ring
- CVT fluid charging pipe
- CVT fluid charging pipe cap
- For the tightening torque, refer to TM-220, "Removal and
Installation".
Always replace after every
disassembly.
: N·m (kg-m, ft-lb)
: N·m (kg-m, in-lb)
: Apply petroleum jelly
Removal and Installation
REMOVAL
WARNING:
Do not remove the radiator cap when the engine is hot. Serious burns could occur
from high pressure
engine coolant escaping from the radiator. Wrap a thick cloth around the cap.
Slowly turn it a quarter
turn to allow built-up pressure to escape. Carefully remove the cap by turning
it all the way.
CAUTION:
- Perform when the engine is cold.
- When replacing the TCM and transaxle assembly as a set, replace
the transaxle assembly first and
then replace the TCM. Refer to TM-82, "Description".
NOTE:
When removing components such as hoses, tubes/lines, etc., cap or plug openings
to prevent fluid from spilling.
- Remove engine and transaxle assembly. Refer to EM-81, "Removal and
Installation (FWD)" (FWD) or
EM-85, "Removal and Installation (AWD)" (AWD).
- Remove the CVT water hoses from engine side. Refer to TM-212,
"Removal and Installation".
- Remove the transaxle to engine and engine to transaxle bolts.
- Separate the engine from the transaxle and remove the engine from
the front suspension member. Refer
to EM-81, "Removal and Installation (FWD)" (FWD) or EM-85, "Removal and
Installation (AWD)" (AWD).
NOTE:
Using paint, put matching marks on the drive plate and torque converter when
removing the torque converter
to drive plate nuts.
- Remove following parts from transaxle assembly (if necessary).
- Control cable bracket (Refer to TM-197, "Exploded View".)
- Air breather hose (Refer to TM-204, "Exploded View".)
- CVT water hoses and heater thermostat (Refer to TM-217, "Exploded
View".)
- Charging pipe and O-ring
INSTALLATION
Installation is in the reverse order of removal.
NOTE:
Write down the serial number of the new transaxle assembly.

CAUTION:
- When replacing an engine or transaxle you must make sure any
dowels are installed correctly during
re-assembly
- Improper alignment caused by missing dowels may cause
vibration, oil leaks or breakage of drive
train components.
- Do not reuse O-rings or copper sealing washers.
- When turning crankshaft, turn it clockwise as viewed from the
front of the engine.
- When tightening the nuts for the torque converter while
securing the crankshaft pulley bolt, be sure
to confirm the tightening torque of the crankshaft pulley bolt. Refer to
EM-45, "Removal and Installation".
- After converter is installed to drive plate, rotate crankshaft
several turns to check that CVT rotates
freely without binding.
- When installing the CVT to the engine, align the matching mark
on the drive plate with the matching
mark on the torque converter.
- When installing the drive plate to torque converter nuts, tighten
them temporarily. then tighten the nuts to the
specified torque.
- Install the transaxle assembly and engine assembly mounting bolts
according to the following standards.


Inspection and Adjustment
INSPECTION BEFORE INSTALLATION
After inserting a torque converter to the CVT, check dimension (A)
with in the reference value limit.

B : Scale
C : Straightedge
Dimension (A) : Refer to TM-226, "Torque Converter".
INSPECTION AFTER INSTALLATION
Check the following items:
- CVT fluid leakage, refer to TM-190, "Inspection".
- For CVT position, refer to TM-196, "Inspection".
- Start the engine and check for coolant leakage from the parts
which are removed and reinstalled.
ADJUSTMENT AFTER INSTALLATION
- Adjust the CVT fluid level. Refer to TM-192, "Adjustment".
- Perform "ADDITIONAL SERVICE WHEN REPLACE TRANSAXLE ASSEMBLY".
Refer to TM-84, "Description".
Description
Replace the O-ring if oil leakage or exudes from the plug.
Exploded View
Transaxle assembly
O-ring
Plug
: Always replace after every
disassembly.
: N·m (kg-m, ft-lb) ...
TORQUE CONVERTER AND CONVERTER HOUSING OIL SEAL
Exploded View
Torque converter
O-ring
Converter housing oil seal
Transaxle assembly
: Always replace after every
disassembly.
: A ...
Other materials:
Brake pedal
Inspection
BRAKE PEDAL HEIGHT
Check the brake pedal height (H) between the dash lower panel (3) and the
brake pedal upper surface.
CAUTION:
Check the brake pedal height with the floor trim removed.
Brake pedal height (H) from dash lower panel (3)
Refer to BR-54, "Brake Peda ...
NISSAN Intelligent Key® (if so equipped)
Your vehicle can only be driven with the Intelligent
Keys which are registered to your vehicle’s Intelligent
Key system components and NISSAN Vehicle
Immobilizer System components. As many
as four Intelligent Keys can be registered and
used with one vehicle. The new keys must be
registered b ...
Diagnosis system (BCM) (with intelligent key system)
COMMON ITEM
COMMON ITEM : CONSULT Function (BCM - COMMON ITEM)
APPLICATION ITEM
CONSULT performs the following functions via CAN communication with BCM.
SYSTEM APPLICATION
BCM can perform the following functions.
BUZZER
BUZZER : CONSULT Function (BCM - BUZZER)
DATA MONITOR
ACTIV ...
© 2014-2026 Copyright t32.nirogue.com