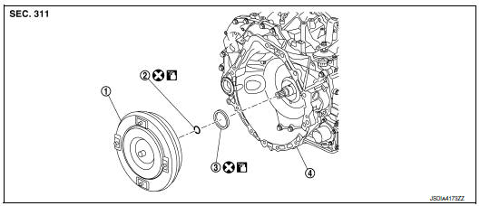
TORQUE CONVERTER AND CONVERTER HOUSING OIL SEAL
Exploded View

: Always replace after every
disassembly.
: Apply CVT fluid
Disassembly
CAUTION: Never damage the bushing on the inside of torque converter sleeve when removing torque converter.
CAUTION: Be careful not to scratch converter housing.
Assembly
Note the followings and assembly is in the reverse order of disassembly.
CAUTION:
Drive converter housing oil seal 1 evenly using a drift (A) (commercial service tool) so that converter housing oil seal protrudes by the dimension (B) respectively.


2: Transaxle assembly
Dimension (B) : 1.0 ± 0.5 mm (0.039 ± 0.020 in)
NOTE: Converter housing oil seal pulling direction is used as the reference.

CAUTION:

Inspection
INSPECTION AFTER INSTALLATION

B : Scale
C : Straightedge
Dimension (A) : Refer to TM-226, "Torque Converter".
Unit removal and installation
Service data and specifications (SDS)Blower motor
Exploded View
Heating and cooling unit assembly
Blower motor
Screw
Front
Removal and Installation
REMOVAL
Remove glove box assembly. Refer to IP-23, "Removal and Installation".
Disconnect the harness connector from the blower motor.
Remove ...
Moving Object Detection (MOD) (if so equipped)
The MOD system can inform the driver of moving
objects behind the vehicle when backing out of
garages, maneuvering in parking lots and in other
such instances.
The MOD system detects moving objects by
using image processing technology on the image
shown in the display.
The MOD system oper ...
How to use the remote keyless entry
function
The remote keyless entry function can operate all
door locks using the remote keyless function of
the Intelligent Key. The remote keyless function
can operate at a distance of 33 ft (10 m) away
from the vehicle. The operating distance depends
upon the conditions around the vehicle.
The remot ...