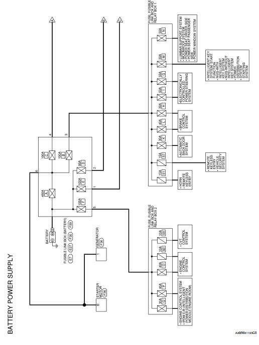
Wiring Diagram —Battery Power Supply —







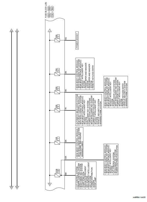
Wiring Diagram —Accessory Power Supply —




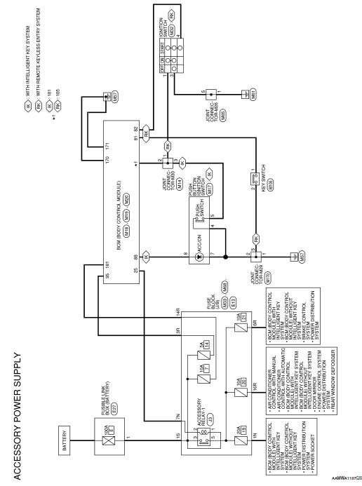
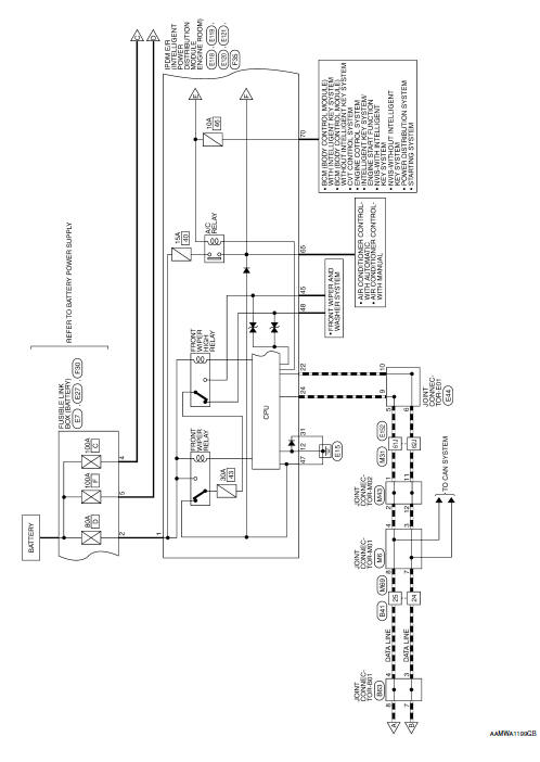
Wiring Diagram —Ignition Power Supply —










Fuse

Fusible Link
A melted fusible link can be detected either by visual inspection or by feeling with finger tip. If its condition is questionable, use circuit tester or test lamp.

CAUTION:
GroundThe low washer fluid warning continues displaying, or
does not display
Description
The warning is still displayed even after washer fluid is added.
The warning is not displayed even though the washer tank is empty.
Diagnosis Procedure
1.CHECK WASHER FLUID LEVEL SWITCH SIGNAL CIRCUIT
Check the washer fluid level switch signal circuit. Refer to MWI-71,
" ...
Power supply and ground circuit
COMBINATION METER
COMBINATION METER : Diagnosis Procedure
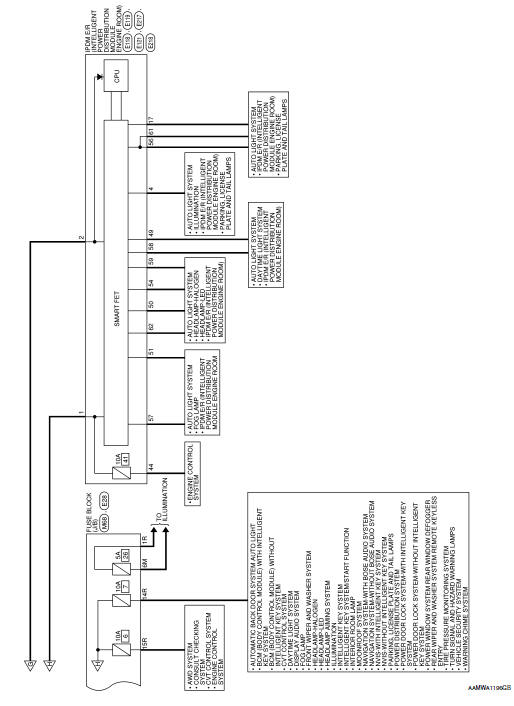
Regarding Wiring Diagram information, refer to MWI-32, "Wiring Diagram".
1.CHECK FUSES
Check that the following fuses are not blown.
Is the fuse blown?
YES >> Replace the blown fuse after repairing the affected circu ...
Rear power window switch
Description
Rear power window motor will be operated if rear power window switch is
operated.
Component Function Check
1. CHECK REAR POWER WINDOW SWITCH FUNCTION
Check rear power window motor operation with rear power window switch.
Is the inspection result normal?
YES >> Rear power ...