BCM
Reference Value
NOTE: The Signal Tech II Tool (J-50190) can be used to perform the following functions. Refer to the Signal Tech II User Guide for additional information.
VALUES ON THE DIAGNOSIS TOOL


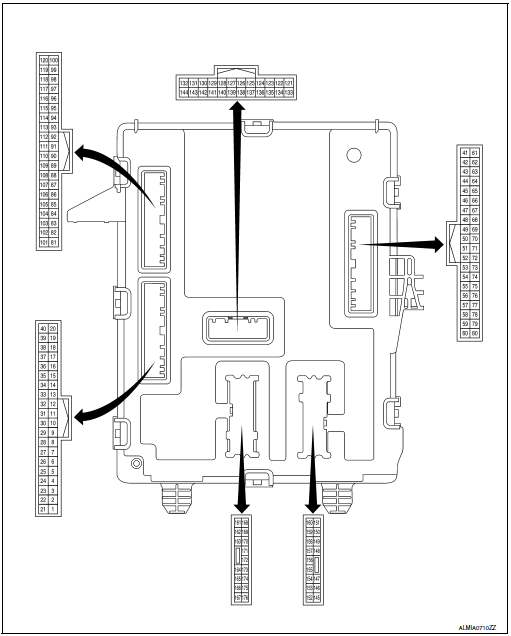
TERMINAL LAYOUT

PHYSICAL VALUES









Fail Safe

DTC Inspection Priority Chart
If some DTCs are displayed at the same time, perform inspections one by one based on the following priority chart.


DTC Index
NOTE: Details of time display


System description
Wiring diagramDiagnosis system (TCM)
DIAGNOSIS DESCRIPTION
DIAGNOSIS DESCRIPTION : 1 Trip Detection Diagnosis and 2 Trip Detection
Diagnosis
NOTE:
“Start the engine and turn OFF the ignition switch after warm-up.” This is
defined as 1 trip.
1 TRIP DETECTION DIAGNOSIS
When initial malfunction is detected, TCM memorizes DTC. ...
P0031, P0032 A/F sensor 1 heater
DTC Description
DTC DETECTION LOGIC
DTC No.
CONSULT screen terms
(Trouble diagnosis content)
DTC detecting condition
P0031
A/F SEN1 HTR (B1)
[Air fuel ratio (A/F) sensor 1 heater (bank
1)control circuit low]
The current amperage in the A/F sensor 1 heater circu ...
LDW system limitations
WARNING
Not all conditions allow the LDW system to function properly. Misuse can lead to an unsafe driving situation.
The system will not work below 37 MPH (60 km/h) or when lane markings are not visible.
Do not rely on LDW under conditions such as heavy rain, snow, ice, narrow roads, temporary ...