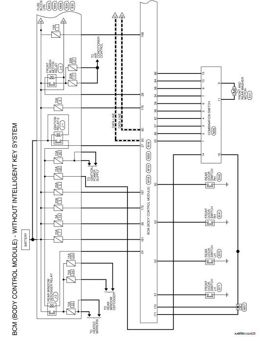
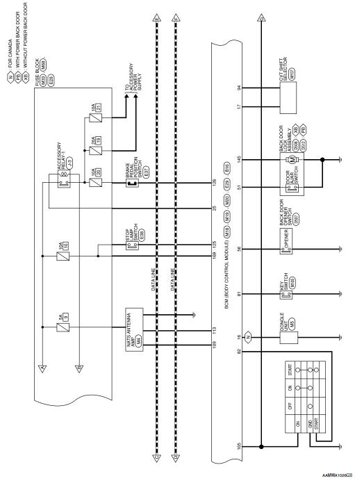
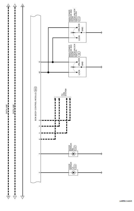
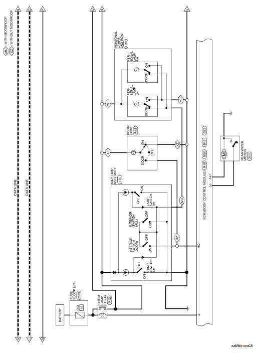
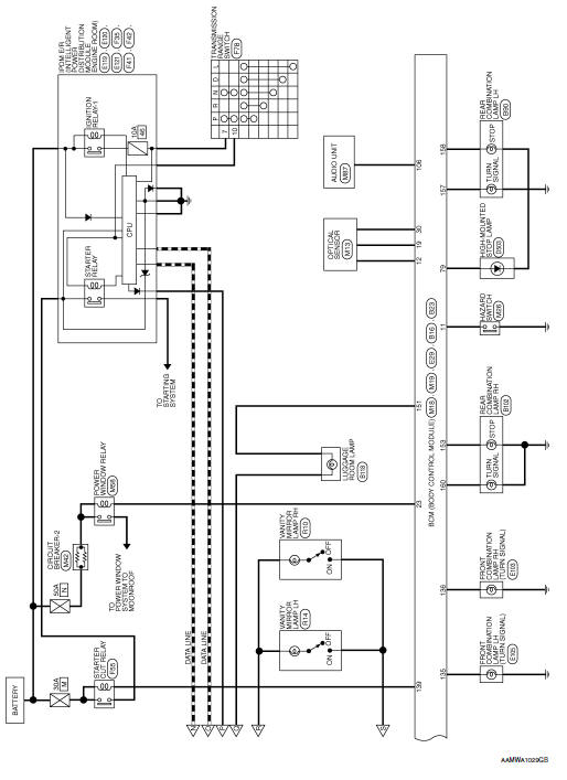
BCM
Wiring Diagram










ECU diagnosis information
Basic inspectionTilt/telescopic steering
WARNING
Do not adjust the steering wheel while
driving. You could lose control of your
vehicle and cause an accident.
Do not adjust the steering wheel any
closer to you than is necessary for
proper steering operation and comfort.
The driver’s air bag ...
Precautions on seat belt usage
When seat belts are worn correctly — with the occupant seated upright, positioned well back in the seat, and both feet on the floor — the risk of injury or fatality in an accident is significantly reduced. Proper seat belt use enhances the effectiveness of the Nissan Rogue safety systems, inclu ...
Front power window switch (passenger side)
Description
Front power window motor RH will be operated if front power window switch RH
is operated.
Component Function Check
1. CHECK FRONT POWER WINDOW SWITCH RH FUNCTION
Check front power window motor RH operation with front power window switch RH.
Is the inspection result normal?
YES ...