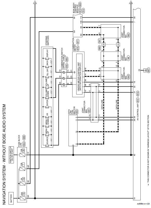
NAVIGATION WITHOUT BOSE
Wiring Diagram





















ECU diagnosis information
Basic inspectionRoof rack (if so equipped)
Roof rack (if so equipped)
Genuine NISSAN accessory cross bars are available
through your NISSAN dealer. Contact an
NISSAN dealer for crossbar or other equipment
information.
Always distribute the luggage evenly on the cross
bars. Do not load more than 150 lb (68 kg) on the
cross bars. ...
Unit disassembly and assembly
FRONT COIL SPRING AND STRUT
Exploded View
Strut mount insulator
Rotary Stop
Front spring upper rubber seat
Front suspension bound bumper
Front spring
Front spring lower rubber seat
Stabilizer connecting rod
Strut
Steering knuckle
Disassembly and As ...
P2119 electric throttle control actuator
DTC Description
DTC DETECTION LOGIC
DTC No.
CONSULT screen terms
(Trouble diagnosis content)
DTC detecting condition
P2119
ETC ACTR-B1
(Throttle actuator control throttle body
range/performance)
A
Electric throttle control actuator does not function properly ...