DIAGNOSIS AND REPAIR WORKFLOW
Work Flow
OVERALL SEQUENCE

DETAILED FLOW
1.GET INFORMATION FOR SYMPTOM
Get detailed information from the customer about the symptom (the condition and the environment when the incident/malfunction occurred).
>> GO TO 2.
2.CONFIRM THE SYMPTOM
Try to confirm the symptom described by the customer. Verify relation between the symptom and the condition when the symptom is detected.
>> GO TO 3.
3.PERFORM SELF DIAGNOSTIC RESULT
Are any DTCs displayed? YES >> Refer to AV-100, "DTC Index" (MULTI AV) or AV-103, "WITHOUT DRIVER ASSISTANCE SYSTEM : DTC Index" (AVM).
NO >> GO TO 4.
4.PERFORM SYMPTOM DIAGNOSIS
Refer to AV-195, "Symptom Table".
>> GO TO 5.
5.FINAL CHECK
Refer to symptom described by the customer in step 1.
Is the symptom still present? YES >> GO TO 2.
NO >> Inspection End.
INSPECTION AND ADJUSTMENT
ADDITIONAL SERVICE WHEN REPLACING AV CONTROL UNIT
ADDITIONAL SERVICE WHEN REPLACING AV CONTROL UNIT : Description
BEFORE REPLACEMENT
When replacing AV control unit, save or print current vehicle specification with CONSULT configuration before replacement.
NOTE: If “Before Replace ECU” cannot be used, use the “After Replace ECU” or “Manual Configuration” after replacing AV control unit.
AFTER REPLACEMENT
CAUTION: When replacing AV control unit, you must perform “After Replace ECU” with CONSULT.
ADDITIONAL SERVICE WHEN REPLACING AV CONTROL UNIT : Work Procedure
1.SAVING VEHICLE SPECIFICATION
-CONSULT
Enter “Re/Programming, Configuration” and perform “Before Replace ECU” to save
or print current vehicle
specification.
NOTE: If “Before Replace ECU” cannot be used, use the “After Replace ECU” or “Manual Configuration” after replacing AV control unit.
>> GO TO 2.
2.REPLACE AV CONTROL UNIT
Replace AV control unit. Refer to AV-209, "Removal and Installation".
>> GO TO 3.
3.WRITING VEHICLE SPECIFICATION
CONSULT
>> GO TO 4.
4.OPERATION CHECK
Check that the operation of the AV control unit and camera images (fixed guide lines) are normal.
>> Work End.
ADDITIONAL SERVICE WHEN REPLACING AROUND VIEW MONITOR CONTROL UNIT
ADDITIONAL SERVICE WHEN REPLACING AROUND VIEW MONITOR CONTROL UNIT : Description
BEFORE REPLACEMENT
When replacing around view monitor control unit, save or print current vehicle specification with CONSULT configuration before replacement.
NOTE: If “Before Replace ECU” cannot be used, use the “After Replace ECU” or “Manual Configuration” after replacing around view monitor control unit.
AFTER REPLACEMENT
CAUTION: When replacing around view monitor control unit, you must perform “After Replace ECU” with CONSULT.
ADDITIONAL SERVICE WHEN REPLACING AROUND VIEW MONITOR CONTROL UNIT : Work Procedure
1.SAVING VEHICLE SPECIFICATION
-CONSULT
Enter “Re/Programming, Configuration” and perform “Before Replace ECU” to save
or print current vehicle
specification.
NOTE: If “Before Replace ECU” cannot be used, use the “After Replace ECU” or “Manual Configuration” after replacing around view monitor control unit.
>> GO TO 2.
2.REPLACE AROUND VIEW MONITOR CONTROL UNIT
Replace around view monitor control unit. Refer to AV-217, "Removal and Installation".
>> GO TO 3.
3.WRITING VEHICLE SPECIFICATION
CONSULT
>> GO TO 4.
4.OPERATION CHECK
Check that the operation of the around view monitor control unit and camera images (fixed guide lines and predictive course lines) are normal.
>> Work End.
CONFIGURATION (AV CONTROL UNIT)
CONFIGURATION (AV CONTROL UNIT) : Description
Vehicle specification needs to be written with CONSULT because it is not written after replacing AV control unit.
Configuration has three functions as follows:
|
Function |
Description |
| "Before Replace ECU" |
|
| "After Replace ECU" | Writes the vehicle configuration with manual selection. |
| "Select Saved Data List" | Writes the vehicle configuration with saved data. |
CAUTION:
CONFIGURATION (AV CONTROL UNIT) : Work Procedure
1.WRITING MODE SELECTION
CONSULT
Select “Reprogramming, Configuration” of AV control unit.
When writing saved data>>GO TO 2.
When writing manually>>GO TO 3.
2.PERFORM “SAVED DATA LIST”
CONSULT
Automatically “Operation Log Selection” window will display if “Before Replace ECU” was performed. Select applicable file from the “Save Data List” and press “Confirm”.
>> Work End.
3.PERFORM “AFTER REPLACE ECU” OR “MANUAL CONFIGURATION”
CONSULT
CAUTION: Thoroughly read and understand the vehicle specification. ECU control may not operate normally if the setting is not correct.
CAUTION: Make sure to select “Next”, confirm each setting value and press “OK” even if the indicated configuration of brand new AV control unit is same as the desirable configuration. If not, configuration which is set automatically by selecting vehicle model can not be memorized.
>> GO TO 4.
4.OPERATION CHECK
Confirm that each function controlled by AV control unit operates normally.
>> Work End.
CONFIGURATION (AV CONTROL UNIT) : Configuration List
CAUTION: Thoroughly read and understand the vehicle specification. Incorrect settings may result in abnormal control of ECU.

⇔: Items which confirm vehicle specifications
CONFIGURATION (AROUND VIEW MONITOR CONTROL UNIT)
CONFIGURATION (AROUND VIEW MONITOR CONTROL UNIT) : Description
Vehicle specification needs to be written with CONSULT because it is not written after replacing around view monitor control unit.
Configuration has three functions as follows:
|
Function |
Description |
| "Before Replace ECU" |
|
| "After Replace ECU" | Writes the vehicle configuration with manual selection. |
| "Select Saved Data List | Writes the vehicle configuration with saved data. |
CAUTION:
CONFIGURATION (AROUND VIEW MONITOR CONTROL UNIT) : Work Procedure
1.WRITING MODE SELECTION
CONSULT
Select “Reprogramming, Configuration” of around view monitor control unit.
When writing saved data>>GO TO 2.
When writing manually>>GO TO 3.
2.PERFORM “SAVED DATA LIST”
CONSULT
Automatically “Operation Log Selection” window will display if “Before Replace ECU” was performed. Select applicable file from the “Save Data List” and press “Confirm”.
>> Work End.
3.PERFORM “AFTER REPLACE ECU” OR “MANUAL CONFIGURATION”
CONSULT
CAUTION: Thoroughly read and understand the vehicle specification. ECU control may not operate normally if the setting is not correct.
CAUTION: Make sure to select “Next”, confirm each setting value and press “OK” even if the indicated configuration of brand new around view monitor control unit is same as the desirable configuration. If not, configuration which is set automatically by selecting vehicle model can not be memorized.
>> GO TO 4.
4.OPERATION CHECK
Confirm that each function controlled by around view monitor control unit operates normally.
>> Work End.
CONFIGURATION (AROUND VIEW MONITOR CONTROL UNIT) : Configuration List
CAUTION: Thoroughly read and understand the vehicle specification. Incorrect settings may result in abnormal control of ECU.

⇔: Items which confirm vehicle specifications
PREDICTED COURSE LINE CENTER POSITION ADJUSTMENT
PREDICTED COURSE LINE CENTER POSITION ADJUSTMENT : Description
Adjust the center position of the predictive course line of the rear view monitor if it is shifted.
PREDICTED COURSE LINE CENTER POSITION ADJUSTMENT : Work Procedure
1.DRIVING
Drive the vehicle straight ahead 100 m (328.1 ft) or more at a speed of 30 km/h (18.6 MPH) or more.
>> End.
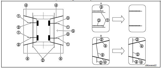
CALIBRATING CAMERA IMAGE (AROUND VIEW MONITOR)
CALIBRATING CAMERA IMAGE (AROUND VIEW MONITOR) : Description
The white lines far from the vehicle may not be aligned at the boundary of each camera image. The farther the line, the greater the difference is.
CALIBRATING CAMERA IMAGE (AROUND VIEW MONITOR) : Work Procedure
CALIBRATION FLOWCHART
Following the flowchart shown in the figure, perform the calibration.

NOTE:
View in the incomplete calibration state is indicated by “
” on the
around view monitor.

CALIBRATION PROCEDURE
1.AROUND VIEW MONITOR SCREEN CONFIRMATION
Check that there is no indication of “Incomplete calibration”.
Is the “Incomplete calibration” display visible? YES >> GO TO 2.
NO >> GO TO 4.

2.CHECK THAT AROUND VIEW MONITOR CONTROL UNIT IS REPLACED
Check that the around view monitor control unit is replaced.
Is the around view monitor control unit replaced? YES >> GO TO 3.
NO >> GO TO 5.
3.CANCEL THE INDICATION OF INCOMPLETE CALIBRATION (PERFORM THIS ONLY AFTER REPLACING AROUND VIEW MONITOR CONTROL UNIT.)
CONSULT work support
NOTE: To cancel the indication of Incomplete calibration, select items based on the target camera.
After this, touch “OK” button.
CAUTION:
Is there a malfunction? YES >> Calibration End.
NO >> GO TO 1.

4.PERFORM SIMPLIFIED CONFIRMATION/ADJUSTMENT BY “FINE TUNING OF BIRDS-EYE VIEW”
Preparation of simplified target line

CONSULT work support
Touch “FINE TUNING OF BIRDS-EYE VIEW” on the CONSULT screen.CAUTION: Never adjust the front camera and rear camera. Only adjust the right and left cameras.
Simplified target line adjustment method

NOTE:
Is the difference corrected? YES >> On the CONSULT screen, touch “OK” button to complete writing to the around view monitor control unit.
NO >> GO TO 5.
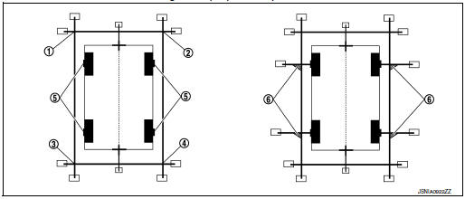
5.PERFORM “CALIBRATING CAMERA IMAGE”
Preparation of target line
Target line preparation procedure 1

Target line preparation procedure 2

Target line preparation procedure 3

Perform “Calibrating Camera Image”
CONSULT work support
NOTE: To cancel the indication of Incomplete calibration, select items based on the target camera.

Adjustment range
Rotation direction (Center dial) : 31 patterns (16 on the center)
Upper/lower direction (upper/lower
switch) : −22 – 22
Left/right direction (left/right switch) : −22 – 22
CAUTION: Check that “PRCSNG” is displayed. Never perform other operations while “PRCSNG” is displayed.
CAUTION: Check that “PRCSNG” is displayed. Never perform other operations while “PRCSNG” is displayed.
>> GO TO 6.
6.PERFORM “FINE TUNING OF BIRDS-EYE VIEW”
This mode is designed to align the boundary between each camera image that could not be aligned in the “Calibrating Camera Image” mode.
CONSULT work support
NOTE: Touch “SELECT” button on the CONSULT screen to select the target camera.
CAUTION: Check that “PRCSNG” is displayed. Never perform other operations while “PRCSNG” is displayed.
CAUTION:
NOTE:
>> Calibration End.

Wiring diagram
DTC/circuit diagnosisPreparation
Special Service Tool
The actual shape of the tools may differ from those illustrated here.
Tool number
(TechMate No.)
Tool name
Description
—
(J-46532)
Brake height tool
Measuring brake pedal height
38-PFM92
( — )
ProCut™ PFM Serie ...
Blind Spot Warning (BSW) System / Lane
Departure Warning (LDW) System (if so equipped)
The Blind Spot Warning (BSW) system helps
alert the driver of other vehicles in adjacent lanes
when changing lanes.
The Lane Departure Warning (LDW) system
helps alert the driver when the vehicle is traveling
close to either the left or the right of a traveling
lane.
The BSW/LDW systems ...
Diagnosis system (BCM) (without intelligent key system)
COMMON ITEM
COMMON ITEM : CONSULT Function (BCM - COMMON ITEM)
APPLICATION ITEM
CONSULT performs the following functions via CAN communication with BCM.
SYSTEM APPLICATION
BCM can perform the following functions.
BUZZER
BUZZER : CONSULT Function (BCM - BUZZER)
DATA MONITOR
ACTIV ...