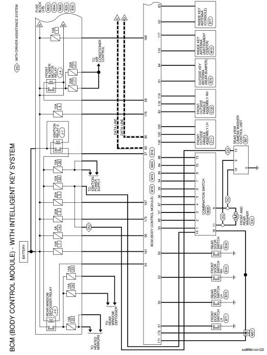
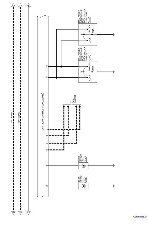
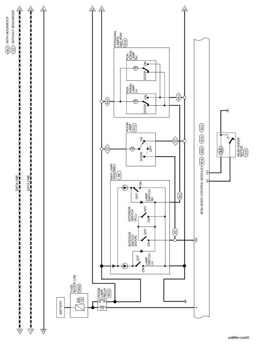
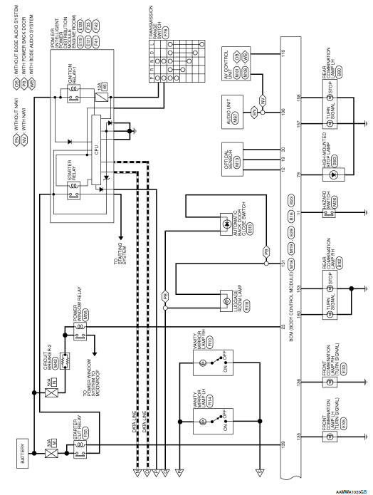
BCM
Wiring Diagram










ECU diagnosis information
Basic inspectionUSB (Universal Serial Bus) Connection Port (models without Navigation
System)
(if so equipped)
USB (Universal Serial Bus) Connection Port (models without Navigation System)
Connecting a device to the USB
Connection Port
WARNINGDo not connect, disconnect, or operate the
USB device while driving. Doing so can be
a distraction. If distracted you could lose
control of your ...
Specifications
Engine
Model
QR25DE
Type
Gasoline, 4-cycle, DOHC
Cylinder arrangement
4-cylinder
Bore x Stroke
in (mm)
3.5 x 3.9 (89.0 x 100.0)
Displacement
cu in (cm3)
151.82 (2,488)
Firing order
1-3-4-2
Idle speed
No ...
Precaution
Precaution for Supplemental Restraint System (SRS) "AIR BAG" and "SEAT
BELT
PRE-TENSIONER"
The Supplemental Restraint System such as “AIR BAG” and “SEAT BELT PRE-TENSIONER”,
used along
with a front seat belt, helps to reduce the risk or severity of injury to the
...