BCM
Reference Value
NOTE: The Signal Tech II Tool (J-50190) can be used to perform the following functions. Refer to the Signal Tech II User Guide for additional information.
VALUES ON THE DIAGNOSIS TOOL





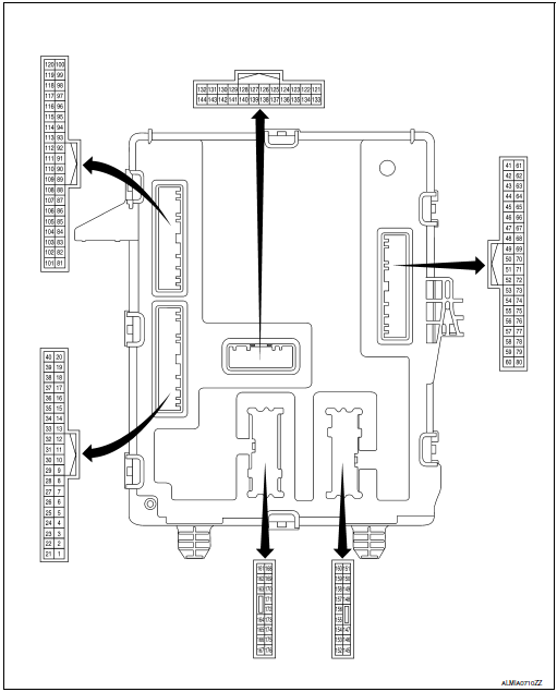
TERMINAL LAYOUT

PHYSICAL VALUES














Fail Safe

DTC Inspection Priority Chart
If some DTCs are displayed at the same time, perform inspections one by one based on the following priority chart.


DTC Index
NOTE: Details of time display


System description
Wiring diagramTightening torque of standard
bolts
Description
This vehicle has both new standard based on ISO* and previous standard
bolts/nuts. There are some differences
between these two types of bolts/ nuts; shape of the head, grade of strength,
hexagonal width across
flats and the standard tightening torque.
For guidance in d ...
Periodic maintenance
Introduction of Periodic Maintenance
The following tables show the normal maintenance schedule. Depending upon
weather and atmospheric conditions,
varying road surfaces, individual driving habits and vehicle usage, additional
or more frequent maintenance
may be required.
Periodic maintenan ...
Air bags, seat belts and child restraints
Supplemental front-impact air bags
Occupant classification sensor (weight sensor)
Seat belts
Head restraints/headrests
Roof-mounted curtain side-impact and rollover supplemental air bag
2nd row center position top tether strap (located on ceiling) ...