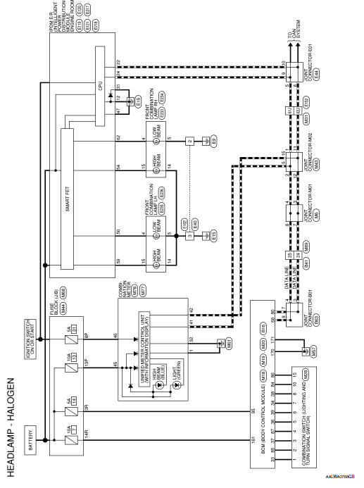
HEADLAMP
Wiring Diagram







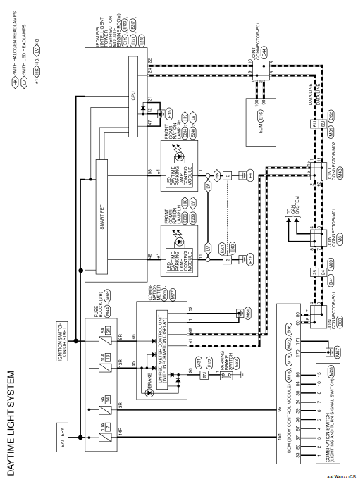
DAYTIME LIGHT SYSTEM
Wiring Diagram







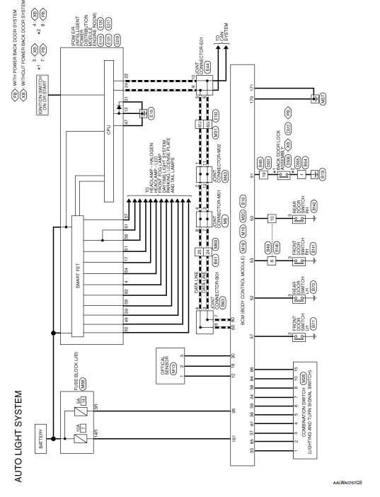
AUTO LIGHT SYSTEM
Wiring Diagram







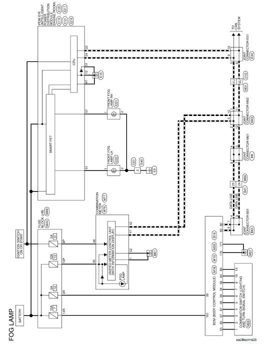
FRONT FOG LAMP SYSTEM
Wiring Diagram






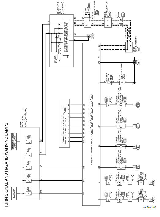
TURN SIGNAL AND HAZARD WARNING LAMP SYSTEM
Wiring Diagram







PARKING, LICENSE PLATE AND TAIL LAMPS SYSTEM
Wiring Diagram












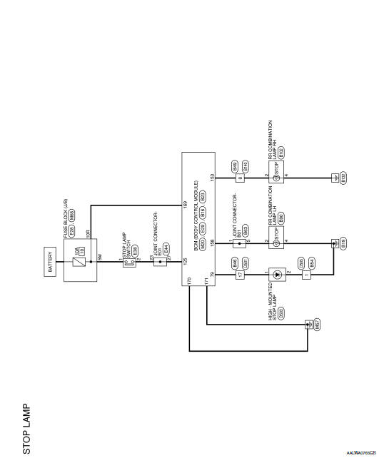
STOP LAMP
Wiring Diagram




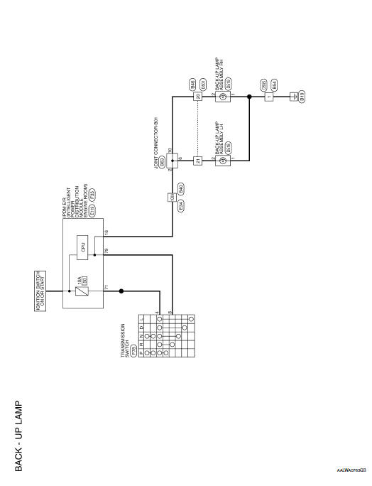
BACK-UP LAMP
Wiring Diagram




ECU diagnosis information
Basic inspectionPrecaution
PRECAUTIONS
Precaution for Supplemental Restraint System (SRS) "AIR BAG" and "SEAT
BELT
PRE-TENSIONER"
The Supplemental Restraint System such as “AIR BAG” and “SEAT BELT PRE-TENSIONER”,
used along
with a front seat belt, helps to reduce the risk or severity of inj ...
Bluetooth® streaming audio without
Navigation System (if so equipped)
If you have a compatible Bluetooth® audio device
that is capable of playing audio files, the
device can be connected to the vehicle’s audio
system so that the audio files on the device play
through the vehicle’s speakers.
Connecting Bluetooth® audio
To connect your Bluetooth® audio ...
On board diagnostic (OBD) system
Diagnosis Description
This system is an on board diagnostic system that records exhaust
emission-related diagnostic information
and detects a sensors/actuator-related malfunction. A malfunction is indicated
by the malfunction indicator
lamp (MIL) and stored in control module memory as a DTC. ...