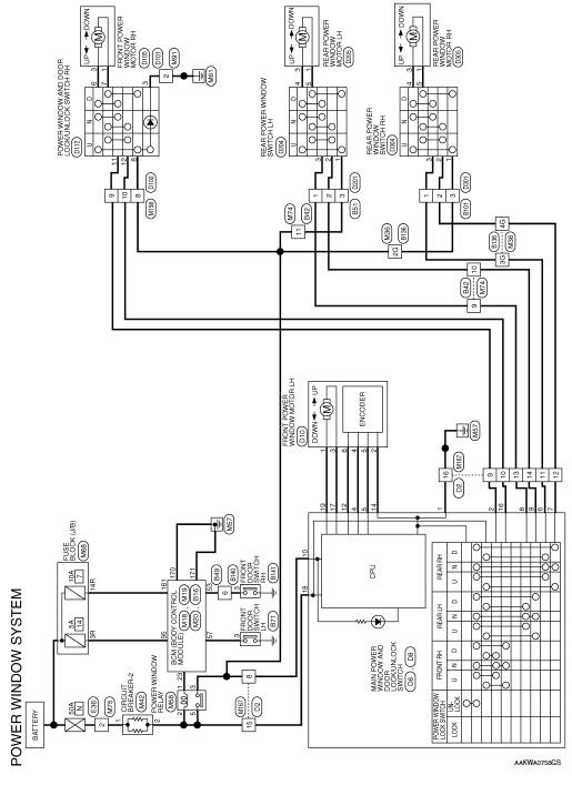
POWER WINDOW SYSTEM
Wiring Diagram








Main power window and door lock/unlock switch
Basic inspectionC1704, C1705, C1706, C1707 low tire pressure
DTC Logic
NOTE:
The Signal Tech II Tool [- (J-50190)] can be used to perform the following
functions. Refer to the Signal Tech II
User Guide for additional information.
Activate and display TPMS sensor IDs
Display tire pressure reported by the TPMS sensor
Read TPMS DTC ...
Brake fluid
Inspection
BRAKE FLUID LEVEL
Make sure that the brake fluid level in the reservoir tank is
between
the MAX and MIN lines.
Visually check around the reservoir tank for brake fluid leakage.
If the brake fluid level is excessively low, check the brake
system
for lea ...
Fuse inspection
How To Check
If fuse is blown, be sure to eliminate cause of malfunction before
installing new fuse.
Use fuse of specified rating. Never use fuse of more than
specified
rating.
Do not partially install fuse; always insert it into fuse holder
properly.
Remove fus ...