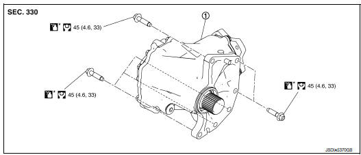
TRANSFER ASSEMBLY
Exploded View

1 Transfer assembly
: N·m (kg-m, ft-lb)
*: Apply anti-corrosion oil.
Removal and Installation
NOTE: When removing components such as hoses, tubes/lines, etc., cap or plug openings to prevent fluid from spilling.
REMOVAL
CAUTION: Be careful not to damage gear ring oil seal inside of CVT.


CAUTION:
INSTALLATION
Installation is in the reverse order of removal.


CAUTION:
Refer to DLN-65, "Refilling".
Removal and installation
Unit disassembly and assemblyTrouble diagnosis - specification value
Description
The specification (SP) value indicates the tolerance of the value that is
displayed in “SPEC” of “DATA MONITOR”
mode of CONSULT during normal operation of the Engine Control System. When the
value in “SPEC” of
“DATA MONITOR” mode is within the SP value, the Engine ...
Sunshade system does not operate properly
Diagnosis Procedure
1.CHECK BCM POWER SUPPLY AND GROUND CIRCUIT
Check BCM power supply and ground circuit.
Refer to BCS-68, "Diagnosis Procedure" (with Intelligent Key System), BCS-128,
"Diagnosis Procedure" (without
Intelligent Key System).
Is the inspection result no ...
Luggage hooks
When securing items using luggage hooks located
on the back of the seat or side finisher do
not apply a load over more than 6.5 lbs (29 N) to
a single hook.
The luggage hooks that are located on the floor
should have loads less than 110 lbs (490 N) to a
single hook.
The luggage hooks ...