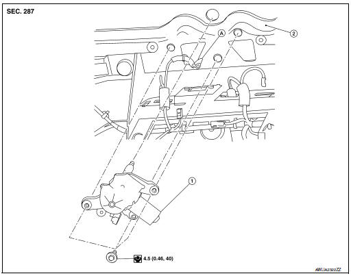
Exploded View

Removal and Installation
REMOVAL
INSTALLATION
Install in the reverse order of removal.
Rear wiper arm
Rear washer nozzle and tubeSystem maintenance
Basic information
The two radar sensors A for the Blind Spot Warning system are installed near the rear bumper of the Nissan Rogue.
Keep the area around the sensors clean to ensure proper system performance.
The radar sensors may be temporarily blocked by ambient conditions such as splashing ...
VDC warning lamp
Component Function Check
1.CHECK VDC WARNING LAMP FUNCTION
Check that VDC warning lamp in combination meter turns ON for 1 second after
ignition switch is turned ON.
CAUTION:
Never start the engine.
Is the inspection result normal?
YES >> Inspection End.
NO >> Proceed to BRC ...
Operating range
Operating range
The Intelligent Key functions can only be used
when the Intelligent Key is within the specified
operating range from the request switch 1 .
When the Intelligent Key battery is discharged or
strong radio waves are present near the operating
location, the Intelligent Key op ...