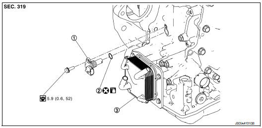
Exploded View

: Always replace after every
disassembly.
: N·m (kg-m, in-lb)
: Apply CVT fluid
Removal and Installation
REMOVAL
INSTALLATION
Installation is in the reverse order of removal.
CAUTION:
Inspection and Adjustment
INSPECTION AFTER INSTALLATION
Check for CVT fluid leakage. Refer to TM-190, "Inspection".
ADJUSTMENT AFTER INSTALLATION
Adjust the CVT fluid level. Refer to TM-192, "Adjustment".
Oil pan
Primary speed sensorBluetooth® streaming audio without
Navigation System (if so equipped)
If you have a compatible Bluetooth® audio device
that is capable of playing audio files, the
device can be connected to the vehicle’s audio
system so that the audio files on the device play
through the vehicle’s speakers.
Connecting Bluetooth® audio
To connect your Bluetooth® audio ...
On board refueling vapor recovery (ORVR)
Component Function Check
1.CHECK ORVR FUNCTION
Check whether the following symptoms are present.
Fuel odor from EVAP canister is strong.
Cannot refuel/Fuel odor from the fuel filler opening is strong
while refueling.
Are any symptoms present?
YES >> Proceed to EC-477 ...
Removal and installation
DRIVE PINION OIL SEAL
Exploded View
Rear final drive assembly
Drive pinion oil seal
Electric controlled coupling assembly
Oil seal lip
Always replace after every
disassembly.
: Apply gear oil.
: Apply multi-purpose grease.
Removal and Installation
REMOVAL
Remove ...