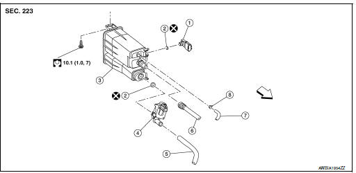
Exploded View

Front
Removal and Installation
NOTE: The EVAP canister system pressure sensor can be removed without removing the EVAP canister.
REMOVAL
INSTALLATION
Installation is in the reverse order of removal.
CAUTION: Do not reuse O-ring.
EVAP canister vent control valve
EVAP canister filterBasic inspection
Work Procedure
1.INSPECTION START
Check service records for any recent repairs that may indicate a
related malfunction, or a current need for
scheduled maintenance.
Open engine hood and check the following:
Harness connectors for improper connections
Wirin ...
Encoder circuit
Description
Detects condition of the front power window motor LH operation and transmits
to main power window and door
lock/unlock switch as pulse signal.
Component Function Check
1.CHECK ENCODER OPERATION
Check front driver side door glass perform AUTO open/close operation normally
when ma ...
Electric power steering
WARNING
If the engine is off while driving, power
steering assist will stop working, and
steering will require significantly more
effort.
If the electric power steering warning
light illuminates while the engine is
running, power assist will stop.
You will still be able to steer the Nissan ...