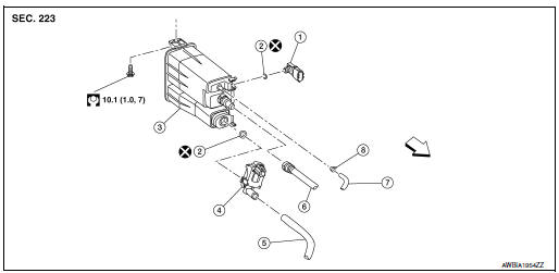
Exploded View

Front
Removal and Installation
NOTE: The EVAP canister vent control valve can be removed without removing the EVAP canister.
REMOVAL

(A) : Lock
(B) : Unlock
INSTALLATION
Installation is in the reverse order of removal.
CAUTION: Do not reuse O-ring.
EVAP canister
EVAP control system pressure sensorDivide-n-hide® adjustable floor (if so equipped)
Divide-n-hide® adjustable floor (if so equipped)
WARNINGDo not put objects heavier than 165 lbs
(75 kg) on the Divide-N-Hide® while in the
mid position. In the upper position, objects
should not weigh more than 30 lbs
(14 kg).
There are multiple positions for the adju ...
ECU diagnosis information
IPDM E/R (INTELLIGENT POWER DISTRIBUTION MODULE ENGINE
ROOM)
Reference Value
VALUES ON THE DIAGNOSIS TOOL
TERMINAL LAYOUT
PHYSICAL VALUES
1: With Intelligent Key system
2: With remote keyless entry
Fail-safe
CAN COMMUNICATION CONTROL
When CAN communicati ...
Symptom diagnosis
PUSH-BUTTON IGNITION SWITCH DOES NOT OPERATE
Description
Check that vehicle Operating Conditions are as listed in “Conditions of
Vehicle” below before starting Diagnosis
Procedure. Make sure to check each symptom in Diagnosis Procedure.
NOTE:
The engine start function, door lock functio ...