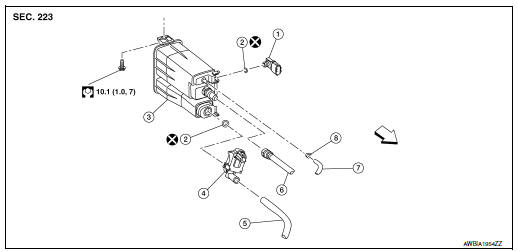
Exploded View

Front
Removal and Installation
NOTE: The EVAP canister vent control valve and EVAP control system pressure sensor can be removed without removing the EVAP canister.
REMOVAL
).

(2) : EVAP canister
: Front
INSTALLATION Installation is in the reverse order of removal.
Inspection

Check EVAP canister as follows:
Fuel tank
EVAP canister vent control valveBasic information
CAMERA button
WARNING
Failure to follow the warnings and usage instructions for the RearView Monitor in your Nissan Rogue can result in serious injury or death.
The RearView Monitor is a driver-assist tool, not a replacement for safe driving habits. Always turn your head, check mirrors and s ...
Active ride control
This system senses upper body motion (based
on wheel speed information) and controls engine
torque and four wheel brake pressure. This will
enhance ride comfort in effort to restrain uncomfortable
upper body movement when passing
over undulated road surfaces . This system
comes into effect abo ...
Diagnosis and repair work flow
Work Flow
OVERALL SEQUENCE
DETAILED FLOW
1.INTERVIEW THE CUSTOMER FOR THE SYMPTOM
Interview the customer for the symptom (the condition and the environment
when the incident/malfunction
occurs).
>> GO TO 2.
2.CHECK SYMPTOM
Check the symptom from the customer information.
> ...