Nissan Rogue Service Manual: ABS actuator and electric unit (control unit)
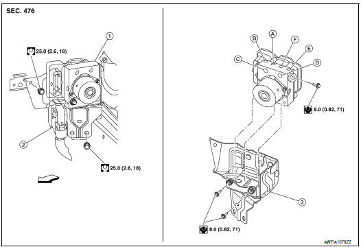
Exploded View

- ABS actuator and electric unit (control unit)
- Connector
- Bracket
- To front LH brake caliper
- To rear RH brake caliper
- From master cylinder secondary side
- From master cylinder primary side
- To rear LH brake caliper
- To front RH brake caliper
Removal and Installation
REMOVAL
CAUTION:
- To remove brake tube, use a flare nut wrench to prevent flare
nuts and brake tube from being damaged.
- Do not remove actuator by holding harness.
NOTE:
When removing components such as hoses, tubes/lines, etc., cap or plug openings
to prevent fluid from spilling.
- Disconnect negative battery terminal. Refer to PG-75, "Exploded
View".
- Remove the cowl top cover and cowl top extension. Refer to EXT-25,
"Removal and Installation".
- Separate brake tubes from ABS actuator and electric unit (control
unit). Refer to BR-22, "FRONT :
Exploded View".
- Remove the brake booster vacuum hose. Refer to BR-32, "Removal and
Installation".
- Separate the brake booster vacuum tube and place aside. Refer to
BR-23, "FRONT : Removal and Installation".
- Disconnect the harness connector from the ABS actuator and
electric unit (control unit).
- Remove ABS actuator and electric unit (control unit) bracket bolts
and bushings.
- Remove ABS actuator and electric unit (control unit) from vehicle.
INSTALLATION
Installation is in the reverse order of removal.
- After work is completed, bleed air from brake tube. Refer to BR-16,
"Bleeding Brake System".
- Adjust the neutral position of steering angle sensor. Refer to
BRC-70, "Work Procedure".
- Perform calibration of the decel G sensor. Refer to BRC-72, "Work
Procedure".
CAUTION:
- To install, use flare nut crowfoot and torque wrench.
- Do not reuse the bushings.
- Replace the ABS actuator if it has been dropped or sustained an
impact.
- Do not install actuator by holding harness.
- After installing harness connector in the ABS actuator and
electric unit (control unit), make sure
connector is securely locked.
FRONT SENSOR ROTOR
FRONT SENSOR ROTOR : Removal and Installation - Front Sensor Rotor
The front wheel sensor rotor is an integral part of the wheel hub and bearing
and cannot be disassembled.
R ...
Removal and Installation
REMOVAL
Remove the instrument lower panel LH. Refer to IP-14, "INSTRUMENT
PANEL ASSEMBLY : Removal
and Installation".
Release pawls using sui ...
Other materials:
Front passenger air bag module
Exploded View
Front passenger air bag module
Steering member
Removal and Installation
WARNING:
Before servicing the SRS, turn ignition switch OFF, disconnect
both battery terminals then wait at
least three minutes.
Always work from the side of air bag module. Do ...
Power supply and ground circuit
Diagnosis Procedure
Regarding Wiring Diagram information, refer to PCS-24, "Wiring Diagram".
1. CHECK FUSE AND FUSIBLE LINKS
Check that the following IPDM E/R fuse or fusible links are not blown.
Is the fuse blown?
YES >> Replace the blown fuse or fusible link after repairin ...
P0443 EVAP canister purge volume control solenoid valve
DTC Description
DTC DETECTION LOGIC
DTC No.
CONSULT screen terms
(Trouble diagnosis content)
DTC detecting condition
P0443
PURG VOLUME CONT/V
(Evaporative emission system purge control
valve circuit)
A
The canister purge flow is detected during the vehicle i ...
В© 2014-2026 Copyright t32.nirogue.com