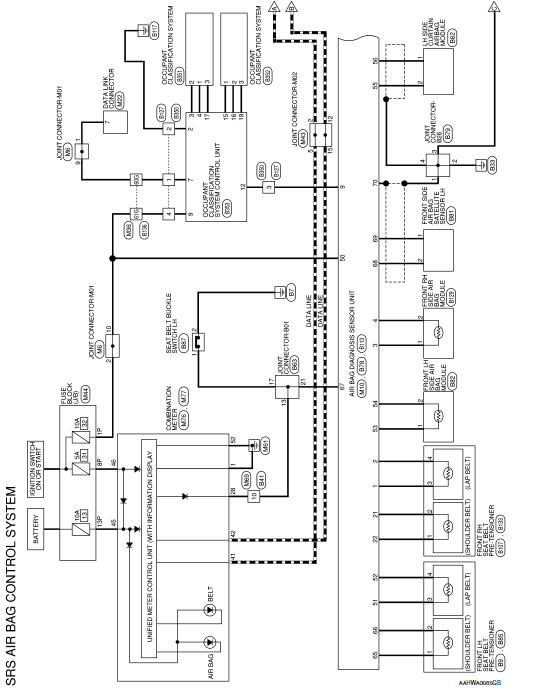
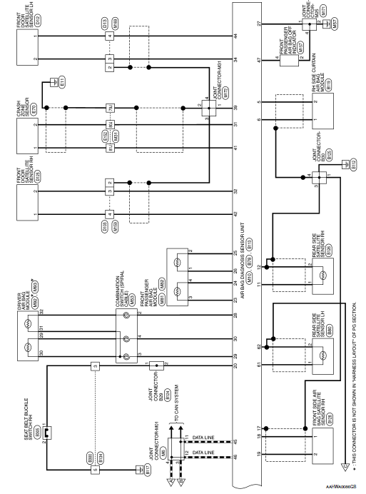
SRS AIR BAG SYSTEM
Wiring Diagram













ECU diagnosis information
Basic inspectionP014C, P014D, P015A, P015B, A/F sensor 1
DTC Description
DTC DETECTION LOGIC
To judge malfunctions, this diagnosis measures response time of the A/F
signal computed by ECM from the A/
F sensor 1 signal. The time is compensated by engine operating (speed and load),
fuel feedback control constant,
and the A/F sensor 1 temperature ind ...
B0020 side airbag module IH
Description
DTC B0020 FRONT LH SIDE AIR BAG MODULE
The front LH side air bag module is wired to the air bag diagnosis sensor
unit. The air bag diagnosis sensor
unit will monitor for opens and shorts in detected lines to the front LH side
air bag module.
PART LOCATION
Refer to SRC-6, "C ...
Periodic maintenance
FRONT SUSPENSION ASSEMBLY
Inspection
COMPONENT
Check the conditions (looseness, backlash) of each component. Verify the
component conditions (wear, damage)
are normal.
Ball Joint Axial End Play
Set front wheels in a straight-ahead position.
Move axle side of transverse link, ...