Description
MAINTENANCE OF OIL LEVEL
The compressor oil is circulating in the system together with the refrigerant. It is necessary to fill compressor with oil when replacing A/C system parts or when a large amount of refrigerant leak is detected. It is important to always maintain oil level within the specified level or otherwise the following conditions may occur:
Oil Type: ND-OIL
Inspection
If a compressor is malfunctioning (internal noise, insufficient cooling), check the compressor oil.
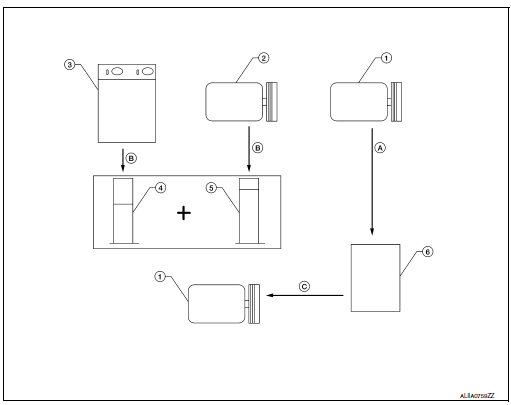
1.COMPRESSOR OIL JUDGMENT

Judgement result 1>>Replace compressor only.
Judgement result 2>>Replace compressor and condenser (includes liquid tank).
Perform Oil Return Operation
CAUTION: If a large amount of refrigerant or oil leak is detected, do not perform oil return operation.
Oil Adjusting Procedure for Components Replacement Except Compressor
Fill with oil for the amount that is calculated according to the following conditions.
Example: Oil amount to be added when replacing evaporator [m (US fl oz, Imp fl oz)] = 75 (2.5, 2.6) + α
|
Conditions |
Oil amount to be added to A/C system
m |
|
| Replace evaporator | 75 (2.5, 2.6) | |
| Replace condenser (includes liquid tank) | 80 (2.7, 2.8) | |
| Refrigerant leak is detected | Large amount leak | 30 (1.0, 1.1) |
| Small amount leak | — | |
| Oil amount that is recycled together with refrigerant during recycle operation | α | |
Oil Adjusting Procedure for Compressor Replacement

No refrigerant pressure should be displayed. If NG, recover refrigerant from equipment lines.
If NG, refer to HA-4, "Precautions For Refrigerant System Service".
Refrigerant
Performance testConsult/gst checking system
Description
NOTE:
This vehicle is diagnosed using the CONSULT-III plus.
When CONSULT is connected with a data link connector equipped
on the vehicle side, it will communicate with the control unit
equipped in the vehicle and then enable various kinds of diagnostic
tests.
Ho ...
Basic inspection
DIAGNOSIS AND REPAIR WORKFLOW
Work Flow
OVERALL SEQUENCE
DETAILED FLOW
1.GET INFORMATION FOR SYMPTOM
Get detailed information from the customer about the symptom (the condition
and the environment when the
incident/malfunction occurred).
>> GO TO 2.
2.CONFIRM THE SYMPTOM
Try t ...
Normal operating condition
Description
Symptom
Result
Brake pedal slightly vibrates and operation sound (motor sound and
sound from suspension)
occurs when VDC function, TCS function, ABS function, EBD function,
Brake limited
slip differential (BLSD) function, Brake assist function, hill ...