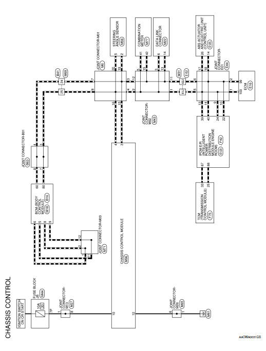
CHASSIS CONTROL
Wiring Diagram






ECU diagnosis information
Basic inspectionSRS air bag warning lamp does not turn off
AIR BAG Warning Lamp Does Not Turn Off
1.CHECK CONDITION OF AIR BAG MODULE
Inspect for any deployed air bag modules or seat belt pre-tensioners.
Are any air bag modules or seat belt pre-tensioners deployed?
YES >> Refer to Frontal collision: SR-5, "FOR FRONTAL COLLISION : When SRS i ...
System description
CAN COMMUNICATION SYSTEM
System Description
CAN communication is a multiplex communication system. This enables the
system to transmit and receive
large quantities of data at high speed by connecting control units with two
communication lines (CAN-H and
CAN-L).
Control units o ...
Symptom diagnosis
EXTERIOR LIGHTING SYSTEM SYMPTOMS
Symptom Table
CAUTION:
Perform the self-diagnosis with CONSULT before the symptom diagnosis. Perform
the trouble diagnosis
if any DTC is detected.
NORMAL OPERATING CONDITION
Description
AUTO LIGHT SYSTEM
The headlamp may not be turned ON/OFF immedi ...