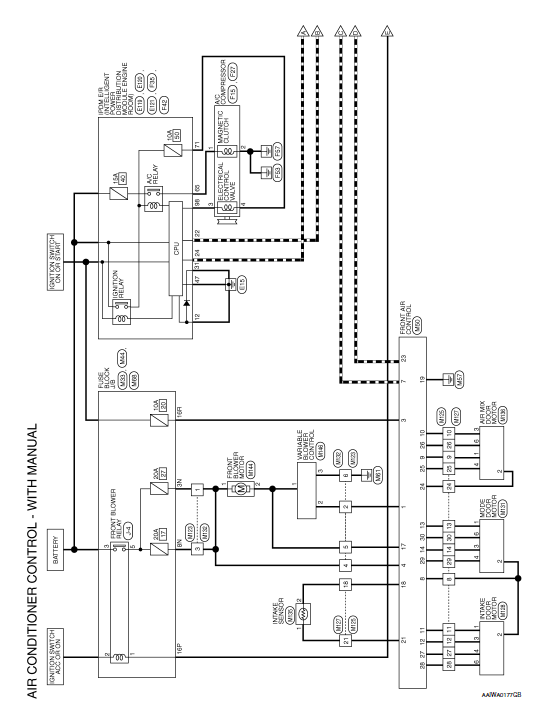
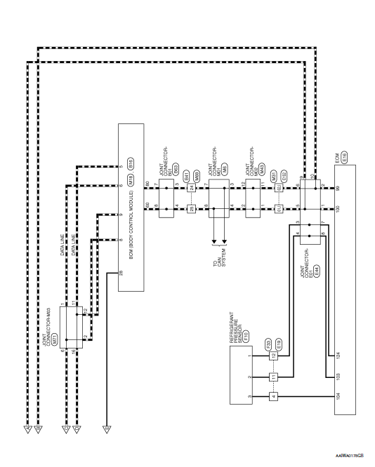
MANUAL AIR CONDITIONING SYSTEM
Wiring Diagram










ECU diagnosis information
Basic inspectionReporting safety defects
For USA
If you believe that your vehicle has a defect that could cause a crash or lead to injury or death, you should immediately inform the National Highway Traffic Safety Administration (NHTSA) in addition to notifying NISSAN. This applies whether you drive a Nissan Rogue or another NISSAN model.
...
General maintenance
Explanation of General Maintenance
General maintenance includes those items which should be checked during the
normal day-to-day operation
of the vehicle. They are essential if the vehicle is to continue operating
properly. The owners can perform the
checks and inspections themselves or have ...
P2813 select solenoid
DTC Description
DTC DETECTION LOGIC
DTC
CONSULT screen terms
(Trouble diagnosis content)
DTC detection condition
P2813
SELECT SOLENOID
(Select solenoid)
When any of 1, or 2 is satisfied:
When all the following conditions are established three
times ...