DESCRIPTION
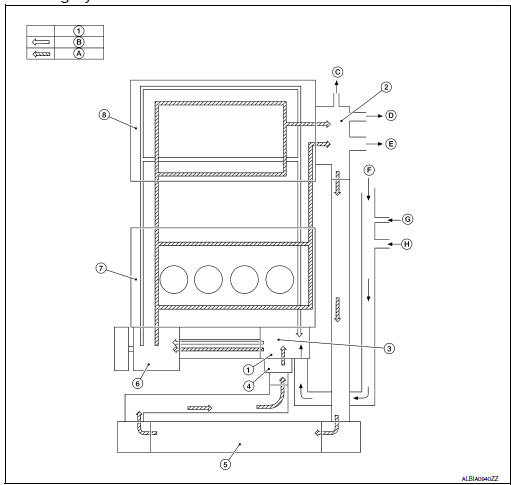
Engine Cooling System

Engine Cooling System Schematic

Preparation
Symptom diagnosisSymptom diagnosis
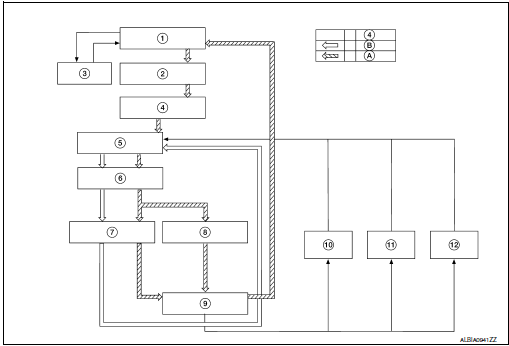
CVT CONTROL SYSTEM
Symptom Table
The diagnosis item number indicates the order of check. Start checking
in the order from 1.
Perform diagnoses of symptom table 1 before symptom table 2.
Symptom Table 1
Symptom Table 2
...
Squeak and rattle trouble diagnoses
Work Flow
CUSTOMER INTERVIEW
Interview the customer if possible, to determine the conditions that exist
when the noise occurs. Use the Diagnostic
Worksheet during the interview to document the facts and conditions when the
noise occurs and any
customer's comments; refer to RF-47, &qu ...
Air conditioner system refrigerant and oil recommendations
The air conditioner system in your NISSAN
vehicle must be charged with the refrigerant
HFC-134a (R-134a) and NISSAN A/C
system oil Type ND-OIL8 or the exact
equivalents.
CAUTIONThe use of any other refrigerant or oil will
cause severe damage to the air conditioning
system and will ...