System Description
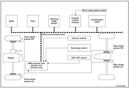
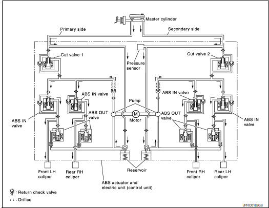
SYSTEM DIAGRAM

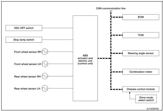
INPUT SIGNAL AND OUTPUT SIGNAL
Major signal transmission between each unit via communication lines is shown in the following table.
|
Component |
Signal description |
| ECM | Mainly transmits the following signals to ABS actuator and electric
unit (control unit) via CAN
communication.
Mainly receives the following signals from ABS actuator and electric unit (control unit) via CAN communication.
|
| TCM | Mainly transmits the following signals to ABS actuator and electric
unit (control unit) via CAN
communication.
|
| Chassis control module | Mainly transmits the following signals to ABS actuator and electric
unit (control unit) via CAN
communication.
|
| Combination meter | Mainly receives the following signals from ABS actuator and electric
unit (control unit) via CAN
communication.
Mainly receives the following signals from ABS actuator and electric unit (control unit) via CAN communication.
|
| Steering angle sensor | Mainly transmits the following signals to ABS actuator and electric
unit (control unit) via CAN
communication.
|
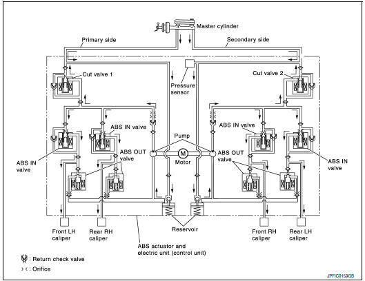
VALVE OPERATION (ABS AND EBD)
Each valve is operated and fluid pressure of brake caliper is controlled.
When ordinary brake is applied and ABS is in operation (when pressure increases).

|
Name |
Not activated |
When Pressure Increases |
| Cut valve 1 | Power supply is not supplied (open) | Power supply is not supplied (open) |
| Cut valve 2 | Power supply is not supplied (open) | Power supply is not supplied (open) |
| ABS IN valve | Power supply is not supplied (open) | Power supply is not supplied (open) |
| ABS OUT valve | Power supply is not supplied (close) | Power supply is not supplied (close) |
| Each caliper (fluid pressure) |
— |
Pressure increases |
When front RH wheel caliper pressure increases
When front LH wheel caliper pressure increases
When rear RH wheel caliper pressure increases
When rear LH wheel caliper pressure increases
When ABS operation starts (when pressure holds)

|
Name |
Not activated |
When pressure holds |
| Cut valve 1 | Power supply is not supplied (open) | Power supply is not supplied (open) |
| Cut valve 2 | Power supply is not supplied (open) | Power supply is not supplied (open) |
| ABS IN valve | Power supply is not supplied (open) | Power supply is supplied (close) |
| ABS OUT valve | Power supply is not supplied (close) | Power supply is not supplied (close) |
| Each caliper (fluid pressure) |
— |
Pressure holds |
When front RH wheel caliper pressure holds
When front LH wheel caliper pressure holds
When rear RH wheel caliper pressure holds
When rear LH wheel caliper pressure holds
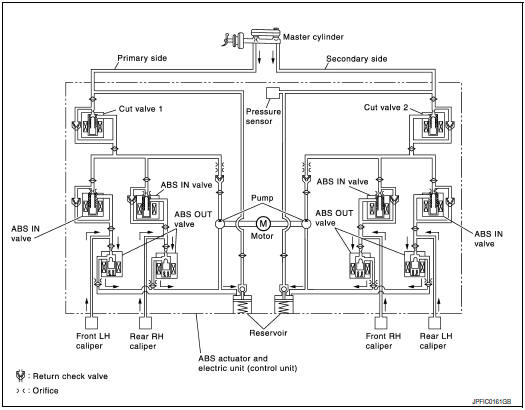
ABS is in operation (when pressure decreases)

|
Name |
Not activated |
When pressure decreases |
| Cut valve 1 | Power supply is not supplied (open) | Power supply is not supplied (open) |
| Cut valve 2 | Power supply is not supplied (open) | Power supply is not supplied (open) |
| ABS IN valve | Power supply is not supplied (open) | Power supply is supplied (close) |
| ABS OUT valve | Power supply is not supplied (close) | Power supply is supplied (open) |
| Each caliper (fluid pressure) |
— |
Pressure decreases |
When front RH wheel caliper pressure decreases
When front LH wheel caliper pressure decreases
When rear RH wheel caliper pressure decreases
When rear LH wheel caliper pressure decreases
Component Parts and Function
|
Component |
FUNCTION |
| Reservoir | Temporarily reserves the brake fluid drained from brake caliper, so that pressure efficiently decreases when decreasing pressure of brake caliper. |
| Pump | Returns the brake fluid reserved in reservoir to master cylinder by reducing pressure. |
| Motor | Drives the pump according to signals from control unit. |
| ABS IN valve | Switches the fluid pressure line to increase or hold according to signals from control unit. |
| ABS OUT valve | Switches the fluid pressure line to increase, hold or decrease according to signals from control unit. |
| Return check valve | Returns the brake fluid from brake caliper to master cylinder by bypassing orifice of each valve when brake is released. |
| Cut valve 1 Cut valve 2 |
Performs the duty control of fluid pressure increased by pump according to signals from control unit. |
| Pressure Sensor | Detects the brake pedal operation amount. |
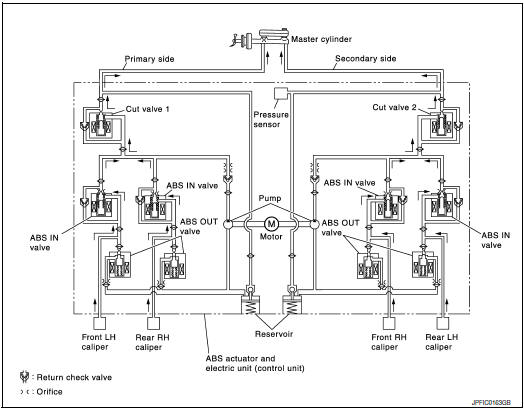
VALVE OPERATION (OTHER THAN ABS AND EBD)
Each valve is operated and fluid pressure of brake caliper is controlled.
NOTE: There is no operation to hold and increase pressure for functions other than ABS and EBD.
When Pressure Increases

|
Name |
Not activated |
When Pressure Increases |
| Cut valve 1 | Power supply is not supplied (open) | Wheel other than the one that the pressure is to be increased: Power supply is not supplied (open) Only wheel that the pressure is to be increased: Power supply is supplied (close) |
| Cut valve 2 | Power supply is not supplied (open) | Wheel other than the one that the pressure is to be increased: Power supply is not supplied (open) Only wheel that the pressure is to be increased: Power supply is supplied (close) |
| ABS IN valve | Power supply is not supplied (open) | Only wheel that the pressure is to be increased: Power supply is not supplied (open) Wheel other than the one that the pressure is to be increased: Power supply is supplied (close) |
| ABS OUT valve | Power supply is not supplied (close) | Power supply is not supplied (close) |
| Each caliper (fluid pressure) |
— |
Pressure increases |
When front RH wheel caliper pressure increases
When front LH wheel caliper pressure increases
When rear RH wheel caliper pressure increases
When rear LH wheel caliper pressure increases
Released

|
Name |
Not activated |
When Pressure Increases |
| Cut valve 1 | Power supply is not supplied (open) | Power supply is not supplied (open) |
| Cut valve 2 | Power supply is not supplied (open) | Power supply is not supplied (open) |
| ABS IN valve | Power supply is not supplied (open) | Power supply is not supplied (open) |
| ABS OUT valve | Power supply is not supplied (close) | Power supply is supplied (open) |
| Each caliper (fluid pressure) |
— |
Pressure decreases |
When front RH wheel caliper pressure decreases
When front LH wheel caliper pressure decreases
When rear RH wheel caliper pressure decreases
When rear LH wheel caliper pressure decreases
Component Parts and Function
|
Component |
Function |
| Reservoir | Temporarily reserves the brake fluid drained from brake caliper, so that pressure efficiently decreases when decreasing pressure of brake caliper. |
| Pump | Returns the brake fluid reserved in reservoir to master cylinder by reducing pressure. |
| Motor | Drives the pump according to signals from control unit. |
| ABS IN valve | Switches the fluid pressure line to increase or hold according to signals from control unit. |
| ABS OUT valve | Switches the fluid pressure line to increase, hold or decrease according to signals from control unit. |
| Return check valve | Returns the brake fluid from brake caliper to master cylinder by bypassing orifice of each valve when brake is released. |
| Cut valve 1 Cut valve 2 |
Performs the duty control of fluid pressure increased by pump according to signals from control unit. |
| Pressure Sensor | Detects the brake pedal operation amount. |
CONDITION FOR TURN ON THE WARNING LAMP
Turns ON when ignition switch turns ON and turns OFF when the system is normal, for bulb check purposes.

CONDITION FOR TURN ON THE INDICATOR LAMP
VDC OFF indicator lamp
|
Condition (status) |
VDC OFF indicator lamp |
| Ignition switch OFF. | OFF |
| For approx. 1 seconds after the ignition switch is turned ON. | ON |
| Approx. 1 seconds after ignition switch is turned ON (when the system is in normal operation). | OFF |
| When VDC OFF switch is ON (VDC function, TCS function and Active trace control function are OFF). | ON |
CONDITION FOR TURN ON THE INDICATOR LAMP
Hill descent indicator lamp
|
Condition (status) |
Hill Descent indicator lamp |
| Ignition switch OFF. | OFF |
| For approx. 1 seconds after the ignition switch is turned ON. | ON |
| Approx. 1 seconds after ignition switch is turned ON (when the system is in normal operation). | OFF |
| When hill descent switch is ON. | ON |
| When hill descent control switch is on, but the system is not engaged. | Blinking |
Fail-Safe
VDC FUNCTION, TCS FUNCTION, BRAKE LIMITED SLIP DIFFERENTIAL FUNCTION, BRAKE ASSIST FUNCTION, hill start assist FUNCTION, hill descent FUNCTION AND BRAKE FORCE DISTRIBUTION FUNCTION
VDC warning lamp in combination meter turn ON when a malfunction occurs in system [ABS actuator and electric unit (control unit)]. The control is suspended for VDC function, TCS function, Brake limited slip differential (BLSD) function, Brake assist function, hill start assist function and Brake force distribution function. The vehicle status becomes the same as models without VDC function, TCS function, Brake limited slip differential (BLSD) function, Brake assist function, hill start assist function and Brake force distribution function. However, ABS function and EBD function are operated normally.
ABS FUNCTION
ABS warning lamp and VDC warning lamp in combination meter turn ON when a malfunction occurs in system [ABS actuator and electric unit (control unit)]. The control is suspended for VDC function, TCS function, ABS function, Brake limited slip differential (BLSD) function, Brake assist function, hill start assist function and Brake force distribution function. The vehicle status becomes the same as models without VDC function, TCS function, ABS function, Brake limited slip differential (BLSD) function, Brake assist function, hill start assist function and Brake force distribution function. However, EBD function is operated normally.
NOTE: ABS self-diagnosis sound may be heard the same as in the normal condition, because self-diagnosis is performed when ignition switch turns ON and when vehicle initially starts.
EBD FUNCTION
ABS warning lamp, brake warning lamp and VDC warning lamp in combination meter turn ON when a malfunction occurs in system [ABS actuator and electric unit (control unit)]. The control is suspended for VDC function, TCS function, ABS function, EBD function, Brake limited slip differential (BLSD) function, Brake assist function, hill start assist function and Brake force distribution function. The vehicle status becomes the same as models without VDC function, TCS function, ABS function, EBD function, Brake limited slip differential (BLSD) function, Brake assist function, hill start assist function and Brake force distribution function.



VDC FUNCTION
VDC FUNCTION : System Description

Refer to BRC-22, "Fail-Safe".
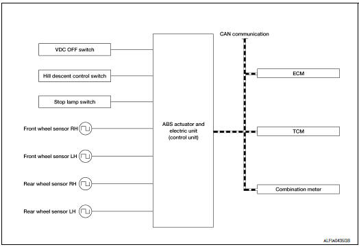
SYSTEM DIAGRAM

INPUT SIGNAL AND OUTPUT SIGNAL
Major signal transmission between each unit via communication lines is shown in the following table.
|
Component |
Signal description |
| ECM | Mainly transmits the following signals to ABS actuator and electric
unit (control unit) via CAN
communication:
Mainly receives the following signal from ABS actuator and electric unit (control unit) via CAN communication:
|
| TCM | Mainly transmits the following signal to ABS actuator and electric
unit (control unit) via CAN
communication:
|
| Chassis control module | Mainly transmits the following signal to ABS actuator and electric
unit (control unit) via CAN
communication:
|
| Combination meter | Mainly receives the following signals from ABS actuator and electric
unit (control unit) via CAN
communication:
Mainly receives the following signals from ABS actuator and electric unit (control unit) via CAN communication:
|
| Steering angle sensor | Mainly transmits the following signals to ABS actuator and electric
unit (control unit) via CAN
communication:
|
OPERATION CHARACTERISTICS
VDC Function That Prevents Oversteer Tendency


VDC Function That Prevents Understeer Tendency


TCS FUNCTION
TCS FUNCTION : System Description

SYSTEM DIAGRAM

INPUT SIGNAL AND OUTPUT SIGNAL
Major signal transmission between each unit via communication lines is shown in the following table.
|
Component |
Signal description |
| ECM | Mainly transmits the following signals to ABS actuator and electric
unit (control unit) via CAN
communication:
Mainly receives the following signal from ABS actuator and electric unit (control unit) via CAN communication:
|
| TCM | Mainly transmits the following signal to ABS actuator and electric
unit (control unit) via CAN
communication:
|
| Chassis control module | Mainly transmits the following signal to ABS actuator and electric
unit (control unit) via CAN
communication:
|
| Combination meter | Mainly receives the following signals from ABS actuator and electric
unit (control unit) via CAN
communication:
Mainly receives the following signals from ABS actuator and electric unit (control unit) via CAN communication:
|
| Steering angle sensor | Mainly transmits the following signals to ABS actuator
and electric unit (control unit) via CAN
communication:
|
ABS FUNCTION : System Description
NOTE:

SYSTEM DIAGRAM

INPUT SIGNAL AND OUTPUT SIGNAL
Major signal transmission between each unit via communication lines is shown in the following table.
|
Component |
Signal description |
| Combination meter | Mainly receives the following signals from ABS actuator and electric
unit (control unit) via CAN
communication:
Mainly receives the following signals from ABS actuator and electric unit (control unit) via CAN communication:
|
| Steering angle sensor | Mainly transmits the following signals to ABS actuator and electric
unit (control unit) via CAN
communication:
|
EBD FUNCTION
EBD FUNCTION : System Description


SYSTEM DIAGRAM

INPUT SIGNAL AND OUTPUT SIGNAL
Major signal transmission between each unit via communication lines is shown in the following table.
|
Component |
Signal description |
| Combination meter | Mainly receives the following signals from ABS actuator and electric
unit (control unit) via CAN
communication:
|
BRAKE LIMITED SLIP DIFFERENTIAL (BLSD) FUNCTION
BRAKE LIMITED SLIP DIFFERENTIAL (BLSD) FUNCTION : System Description
SYSTEM DIAGRAM

INPUT SIGNAL AND OUTPUT SIGNAL
Major signal transmission between each unit via communication lines is shown in the following table.
|
Component |
Signal description |
| ECM | Mainly transmits the following signals to ABS actuator and electric
unit (control unit) via CAN
communication:
Mainly receives the following signal from ABS actuator and electric unit (control unit) via CAN communication:
|
| TCM | Mainly transmits the following signal to ABS actuator and electric
unit (control unit) via CAN
communication:
|
| Chassis control module | Mainly transmits the following signal to ABS actuator and electric
unit (control unit) via CAN
communication:
|
| Combination meter | Mainly receives the following signals from ABS actuator and electric
unit (control unit) via CAN
communication:
Mainly receives the following signals from ABS actuator and electric unit (control unit) via CAN communication:
|
| Steering angle sensor | Mainly transmits the following signals to ABS actuator and electric
unit (control unit) via CAN
communication:
|
BRAKE ASSIST FUNCTION
BRAKE ASSIST FUNCTION : System Description
SYSTEM DIAGRAM

INPUT SIGNAL AND OUTPUT SIGNAL
Major signal transmission between each unit via communication lines is shown in the following table.
|
Component |
Signal description |
| ECM | Mainly transmits the following signal to ABS actuator and electric
unit (control unit) via CAN
communication:
Mainly receives the following signal from ABS actuator and electric unit (control unit) via CAN communication:
|
| TCM | Mainly transmits the following signal to ABS actuator and electric
unit (control unit) via CAN
communication:
|
| Chassis control module | Mainly transmits the following signal to ABS actuator and electric
unit (control unit) via CAN
communication:
|
| Combination meter | Mainly receives the following signals from ABS actuator and electric
unit (control unit) via CAN
communication:
Mainly receives the following signals from ABS actuator and electric unit (control unit) via CAN communication:
|
| Combination meter | Mainly transmits the following signals to ABS actuator and electric
unit (control unit) via CAN
communication:
|
hill descent control (Downhill Drive Support) FUNCTION
hill descent control (Downhill Drive Support) FUNCTION : System Diagram

hill descent control (Downhill Drive Support) FUNCTION : System Description
Hill descent control will provide braking allowing the driver to concentrate on steering while reducing the burden of brake and accelerator operation.
INPUT SIGNAL AND OUTPUT SIGNAL
Major signal transmission between each unit via communication lines is shown in the following table.
|
Component |
Signal description |
| Yaw rate/side/decel G sensor | Mainly transmits the following signals to ABS actuator and electric
unit (control unit) via communication
line *:
|
| ECM | Mainly transmits the following signals to ABS actuator and electric
unit (control unit) via CAN
communication:
Mainly receives the following signal from ABS actuator and electric unit (control unit) via CAN communication:
|
| TCM | Mainly transmits the following signal to ABS actuator and electric
unit (control unit) via CAN
communication:
|
| Combination meter | Mainly transmits the following signals to ABS actuator and electric
unit (control unit) via CAN
communication:
Mainly receives the following signals from ABS actuator and electric unit (control unit) via CAN communication:
|
*: Communication line between yaw rate/side/decel G sensor and ABS actuator and electric unit (control unit)
hill start assist FUNCTION
hill start assist FUNCTION : System Description
SYSTEM DIAGRAM

INPUT SIGNAL AND OUTPUT SIGNAL
Major signal transmission between each unit via communication lines is shown in the following table.
|
Component |
Signal description |
| ECM | Mainly transmits the following signals to ABS actuator and electric
unit (control unit) via CAN
communication:
Mainly receive: the following signal from ABS actuator and electric unit (control unit) via CAN communication:
|
| TCM | Mainly transmits the following signal to ABS actuator and electric
unit (control unit) via CAN
communication:
|
| Combination meter | Mainly receives the following signals from ABS actuator and electric
unit (control unit) via CAN
communication:
Mainly receives the following signals from ABS actuator and electric unit (control unit) via CAN communication:
|
BRAKE FORCE DISTRIBUTION FUNCTION
BRAKE FORCE DISTRIBUTION FUNCTION : System Description

NOTE: Brake force distribution function may not always be operates in all driving conditions.

SYSTEM DIAGRAM

INPUT SIGNAL AND OUTPUT SIGNAL
Major signal transmission between each unit via communication lines is shown in the following table.
|
Component |
Signal description |
| ECM | Mainly transmits the following signals to ABS actuator and electric
unit (control unit) via CAN
communication:
Mainly receives the following signals from ABS actuator and electric unit (control unit) via CAN communication.
|
| TCM | Mainly transmits the following signal to ABS actuator and electric
unit (control unit) via CAN
communication:
|
| Chassis control module | Mainly transmits the following signal to ABS actuator and electric
unit (control unit) via CAN
communication:
|
| Combination meter | Mainly receives the following signals from ABS actuator and electric
unit (control unit) via CAN
communication:
Mainly receives the following signals from ABS actuator and electric unit (control unit) via CAN communication:
|
| Steering angle sensor | Mainly transmits the following signals to ABS actuator and electric
unit (control unit) via CAN
communication:
|
ACTIVE TRACE CONTROL FUNCTION
ACTIVE TRACE CONTROL FUNCTION : System Description
Refer to DAS-175, "System Description - Chassis Control".
NOTE:
OPERATION CHARACTERISTICS
Active trace control helps enhance the transition from braking into and then accelerating out of corners. Active trace control utilizes the vehicle′s electrically-driven intelligent brake system to help improve cornering feel by automatically applying brakes. Furthermore, Active trace control will apply selective braking to help create increased steering response in S-turns. For example, if driving through an Sturn that starts with steering to the right, the right-side brakes are engaged to create a yaw momentum and help turn the vehicle.



SYSTEM DIAGRAM

INPUT SIGNAL AND OUTPUT SIGNAL
Major signal transmission between each unit via communication lines is shown in the following table.
|
Component |
Signal description |
| ECM | Mainly transmits the following signals to chassis control module via
CAN communication:
|
| ECM | Mainly transmits the following signal to chassis control module via
CAN communication:
|
| ABS actuator and electric unit (control unit) | Mainly transmits the following signals to chassis control module via
CAN communication:
Mainly receives the following signal from chassis control module via CAN communication:
|
| Steering angle sensor | Mainly transmits the following signal to chassis control module via
CAN communication:
|
| Chassis control module | Mainly transmits the following signals to ABS actuator and electric
unit (control unit) via CAN
communication:
|
| Display control unit | Mainly transmits the following signal to chassis control module via
CAN communication line:
|
| Combination meter | Mainly receives the following signals from chassis control module
via CAN communication.
|
| Drive mode select switch | Mainly transmits the following signal to chassis control module:
|
WARNING/INDICATOR/CHIME LIST
WARNING/INDICATOR/CHIME LIST : Warning Lamp/Indicator Lamp
| Name | Design | Layout/Function |
| ABS warning lamp |
|
For function: Refer to BRC-119, "Component Function Check". |
| Brake warning lamp |
|
For function: Refer to BRC-120, "Component Function Check". |
| VDC OFF indicator lamp |
|
For function: Refer to BRC-123, "Component Function Check". |
| VDC warning lamp |
|
For function: Refer to BRC-122, "Component Function Check". |
Component parts
Diagnosis system [ABS actuator and electric unit (control
unit)]Accelerator pedal released position learning
Description
Accelerator Pedal Released Position Learning is a function of ECM to learn
the fully released position of the
accelerator pedal by monitoring the accelerator pedal position sensor output
signal. It must be performed each
time harness connector of accelerator pedal position sensor ...
Cruise control operations
The cruise control allows driving at a speed between
25 - 89 MPH (40 - 144 km/h) without
keeping your foot on the accelerator pedal.
To turn on the cruise control, push the
ON·OFF switch ON. The CRUISE indicator light
in the vehicle information display will illuminate.
To set cruising spe ...
P0966 pressure control solenoid B
DTC Description
DTC DETECTION LOGIC
DTC
CONSULT screen terms
(Trouble diagnosis content)
DTC detection condition
P0966
PC SOLENOID B
(Pressure Control Solenoid B Control Circuit
Low)
When all of the following conditions are satisfied and this state is
maint ...