High Strength Steel (HSS)
High strength steel is used for body panels in order to reduce vehicle weight.
Accordingly, precautions in repairing automotive bodies made of high strength steel are described below:
|
Tensile strength |
Major applicable parts |
| 440 - 780 MPa |
|
| 980 - 1350 MPa |
|
Read the following precautions when repairing HSS:
When heating is unavoidable, do not heat HSS parts above 550°C (1,022°F).
Verify heating temperature with a thermometer.
(Crayon-type and other similar type thermometer are appropriate.)


Instead, use a saw to avoid weakening surrounding areas due to heat. If gas (torch) cutting is unavoidable, allow a minimum margin of 50 mm (1.97 in).

If spot welding is impossible, use MIG. welding. Do not use gas (torch) for welding because it is inferior in welding strength.

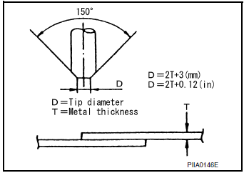
Therefore, when cutting spot welds on a HSS panel, use a low speed high torque drill (1,000 to 1,200 rpm) to increase drill bit durability and facilitate the operation.

Always note the following when spot welding HSS:




Handling of Ultra High Strength Steel Plate Parts
PROHIBITION OF CUT AND CONNECTION
Never cut and Joint the stiffener front side member (front floor inside frame parts) because its material is high strength steel plate (ultra high strength steel plate).
The front floor assembly must be replaced if this part is damaged.
Precautions
Location of plastic partsSymptom diagnosis
HEAVY TIGHT-CORNER BRAKING SYMPTOM OCCURS
Description
Heavy tight-corner braking symptom occurs when the vehicle is driven and the
steering wheel is turned fully to
either side after the engine is started.
NOTE:
Light tight-corner braking symptom may occur depending on driving conditions.
...
P084d transmission fluid pressure SEN/SW H
DTC Description
DTC DETECTION LOGIC
DTC
CONSULT screen terms
(Trouble diagnosis content)
DTC detection condition
P084D
FLUID PRESS SEN/SW H
(Transmission Fluid Pressure Sensor/Switch
“H” Circuit High)
When all of the following conditions are satisfied and t ...
P1574 ASCD vehicle speed sensor
Description
The ECM receives two vehicle speed sensor signals via CAN communication line.
One is sent from combination
meter, and the other is from TCM (Transmission control module). The ECM uses
these signals for ASCD
control. Refer to EC-47, "AUTOMATIC SPEED CONTROL DEVICE (ASCD) : Sys ...