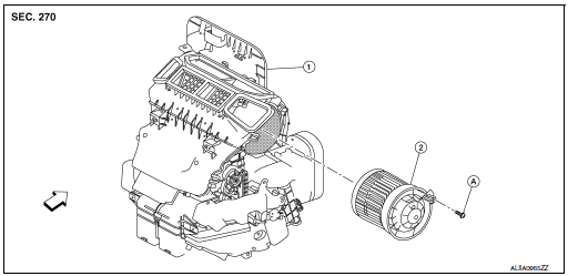
Exploded View

Front
Removal and Installation
REMOVAL
: Hook

INSTALLATION
Installation is in the reverse order of removal.
Ducts and grilles
Service data and specifications (SDS)P050A, P050B, P050E cold start control
Description
ECM controls ignition timing and engine idle speed when engine is started
with pre-warming up condition.
This control promotes the activation of three way catalyst by heating the
catalyst and reduces emissions.
DTC Description
DTC DETECTION LOGIC
DTC No.
CONSULT scre ...
Preparation
Special Service Tool
The actual shape of the tools may differ from those illustrated here
Tool number
(TechMate No.)
Tool name
Description
KV101207S0
( — )
Unified fuel lock ring wrench
Removing and installing fuel tank lock ring
—
(J-45747)
...
Diagnosis system (BCM) (with intelligent key system)
COMMON ITEM
COMMON ITEM : CONSULT Function (BCM - COMMON ITEM)
APPLICATION ITEM
CONSULT performs the following functions via CAN communication with BCM.
Direct Diagnostic Mode
Description
Ecu Identification
The BCM part number is displayed.
Self Diagnostic ...