Nissan Rogue Service Manual: CVT shift selector
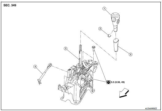
Exploded View

- Shift selector knob
- Lock pin
- Shift selector assembly
- Control cable
- Shift selector knob cover
Front
Removal and installation
REMOVAL
- Apply the parking brake.
CAUTION:
Make sure the vehicle cannot move with the parking brake applied.
- Move the shift selector with the following procedure.
- Remove shift lock override button cover (1) using suitable tool.

: Front
- Insert suitable tool into opening to depress the shift lock override
button (1) in the direction (
) shown. Move shift selector
to “n” position while depressing shift lock override button.

Front
- Remove the shift selector knob with the following procedure.
- Slide the selector lever knob cover (1) down.
CAUTION:
Do not damage the knob cover.
- Pull out the lock pin (2) from the selector lever knob (3).
- Pull the selector lever knob and the selector lever knob cover
upwards to remove them.
- Remove the center console assembly. Refer to IP-18, "Removal
and Installation".
- Shift the selector lever to “P” position.

- Disconnect the shift selector connector (A) and remove harness
clip (B).

- Disconnect the tip (A) of control cable and remove socket (B)
from the shift selector assembly.

- Remove the shift selector assembly nuts (
) and remove the
shift selector assembly from the vehicle.

INSTALLATION
Installation is in the reverse order of removal.
- Pay attention to the following when connecting the control cable
to the shift selector assembly.
- When connecting the control cable (1) to the shift selector
assembly (2), face the grooved surface of the rib (A) up and
insert the control cable until it stops.
NOTE:
Apply multi-purpose grease to control cable eye before installation.

- Install the socket (A) onto the shift selector assembly.
CAUTION:
- Place the socket onto the shift selector assembly, then
fasten it in place from above.
- Check that the pulling on the socket does not disconnect
it.

- Follow the procedure below and place the selector lever knob onto the
shift selector.
- Install the lock pin (2) onto the selector lever knob (3).
- Install the knob cover (1) onto the selector lever knob.
- Shift the selector lever to “N” position.
- Insert the selector lever knob into the selector lever until a
slight
touch is felt.
- Press and hold the selector lever knob button and insert selector
lever knob into selector lever until it clanks.
CAUTION:
Do not strike the selector lever knob to press it into place.
- After installing selector lever knob, pull the knob to check that
it
does not become disconnected

Inspection
INSPECTION AFTER INSTALLATION
- Check the shift selector position. Refer to TM-92, "Inspection".
- Check that shift lock can be forcible release. Refer to TM-29,
"SHIFT LOCK SYSTEM : System Description".
Exploded View
Shift selector
Control cable
Retainer grommet
Lock plate
Bracket
Manual lever
Transaxle assembly
Front
Removal and Installation
CAUTION:
Always apply ...
Other materials:
Towing your vehicle
Basic information
When towing your vehicle, always follow local towing laws and regulations. Using incorrect equipment or improper towing procedures can damage your vehicle. Professional service operators typically know the proper towing methods.
To prevent accidental damage, NISSAN recommends ha ...
U1040 ENG comm circuit
DTC Description
DTC DETECTION LOGIC
DTC No.
CONSULT screen terms
(Trouble diagnosis content)
DTC detecting condition
U1040
ENG COMM CIRCUIT
(Engine communication circuit)
ECM cannot transmit a communication signal to generator.
POSSIBLE CAUSE
Harne ...
I-LI system limitations
WARNING
The I-LI system is assistance only. It may not detect all lane markers, weather conditions, or road shapes. Relying on it in these cases can be dangerous.
I-LI may activate when changing lanes without signaling or when road construction alters markings. You may need to apply steering your ...
© 2014-2025 Copyright t32.nirogue.com