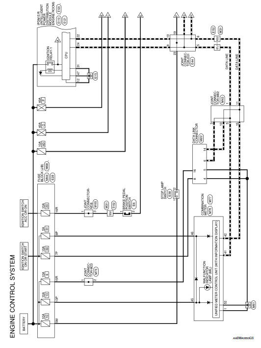
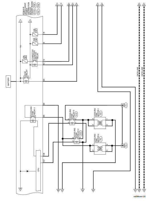
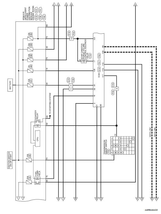
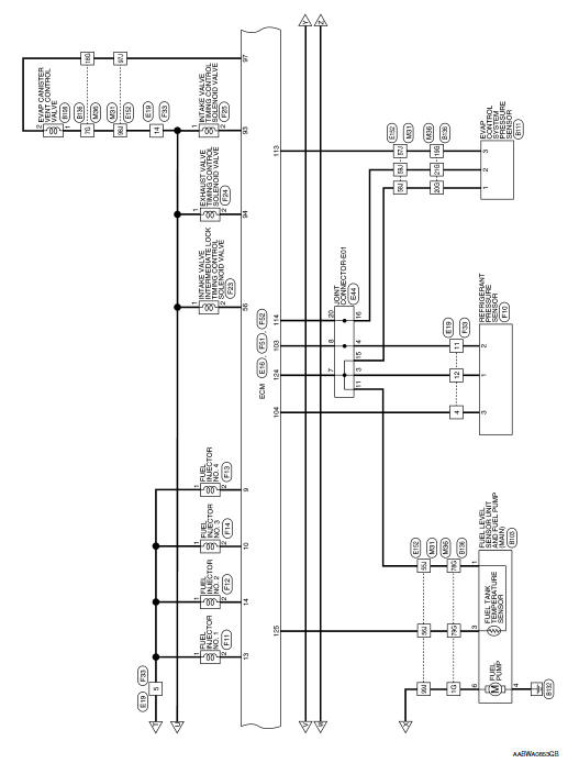
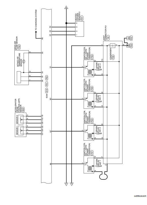
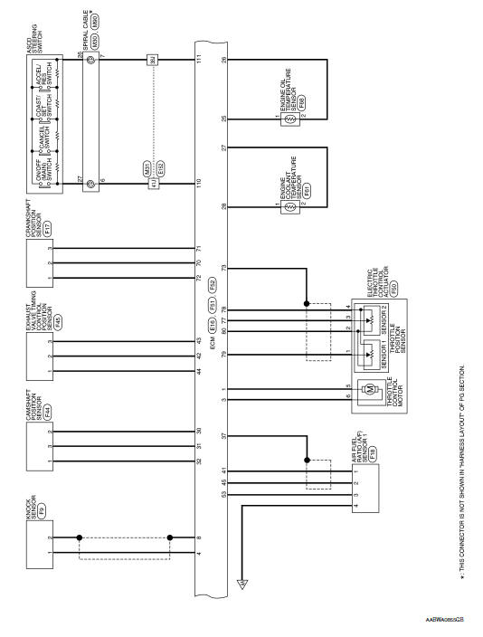
ENGINE CONTROL SYSTEM
Wiring Diagram






















Ecu diagnosis information
Basic inspectionText messaging
WARNING
Laws in some jurisdictions may restrict
the use of “Text-to-Speech”. Check local
regulations before using this feature.
Laws in some jurisdictions may restrict
the use of some of the applications and
features, such as social networking and
t ...
Blind Spot Warning (BSW) System / Lane
Departure Warning (LDW) System (if so equipped)
The Blind Spot Warning (BSW) system helps
alert the driver of other vehicles in adjacent lanes
when changing lanes.
The Lane Departure Warning (LDW) system
helps alert the driver when the vehicle is traveling
close to either the left or the right of a traveling
lane.
The BSW/LDW systems ...
Control panel buttons — color screen with Navigation System (if so equipped)
Control panel buttons — color screen with Navigation System
MAP button*
Display screen
button**
button
(brightness control)
button
BACK button
ENTER / AUDIO button / TUNE / SCROLL
knob
POWER button / VOLUME control knob
CAM ...