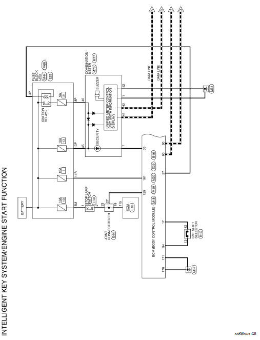
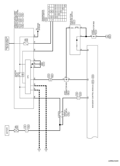
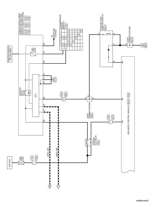
ENGINE START FUNCTION
Wiring Diagram













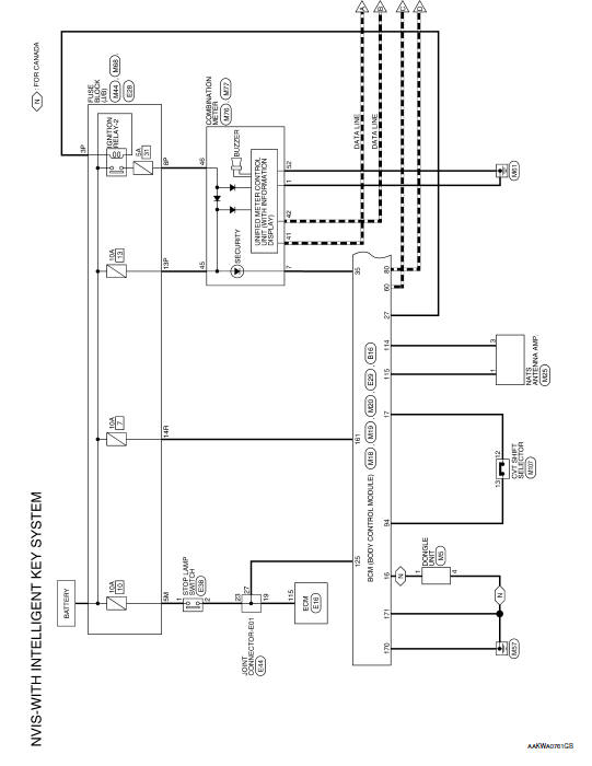
NISSAN VEHICLE IMMOBILIZER SYSTEM-NATS
Wiring Diagram










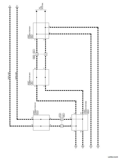
VEHICLE SECURITY SYSTEM
Wiring Diagram













ECU diagnosis information
Basic inspectionNISSAN vehicle immobilizer system
The NISSAN Vehicle Immobilizer System will not
allow the engine to start without the use of a
registered key.
Never leave these keys in the vehicle.
FCC Notice:
For USA:
This device complies with part 15 of the
FCC Rules. Operation is subject to the following
two conditions: (1) This device ...
Low tire pressure warning lamp stays on
Low Tire Pressure Warning Lamp Stays On When Ignition Switch Is Turned On
1.CHECK BCM CONNECTORS
Turn ignition switch OFF.
Disconnect BCM connectors.
Check terminals for damage or loose connections.
Is the inspection result normal?
YES >> GO TO 2.
NO >> Repair ...
Adjusting the screen
The procedure for adjusting the quality of the
screen differs depending on the type of screen
present on the vehicle.
For vehicles without Navigation System:
Press the ENTER/SETTING or
ENTER/AUDIO button.
Turn the TUNE/SCROLL or TUNE/FOLDER
knob to highlight the “Bri ...