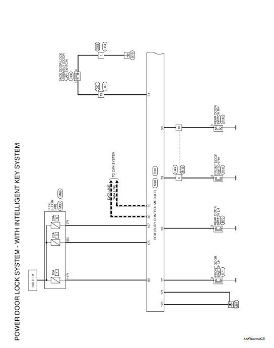
POWER DOOR LOCK SYSTEM
Wiring Diagram









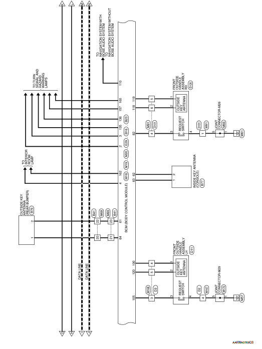
INTELLIGENT KEY SYSTEM
Wiring Diagram

















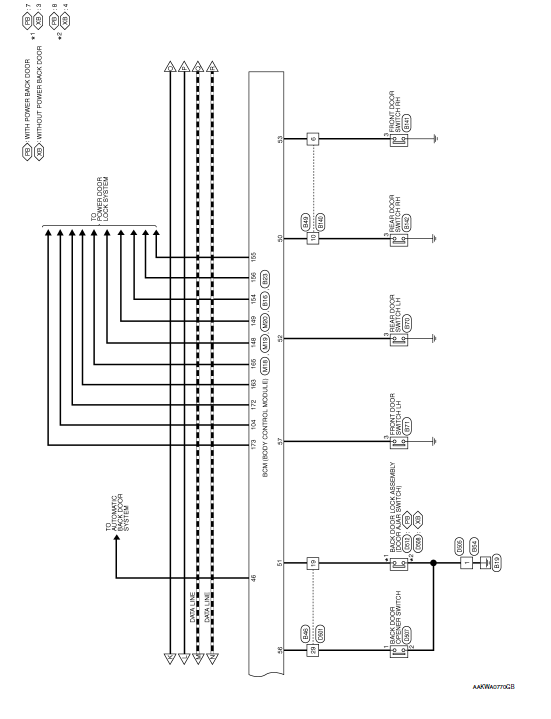
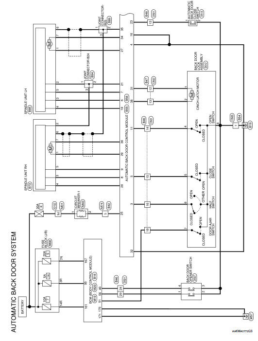
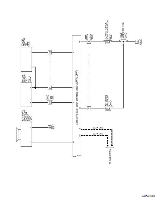
AUTOMATIC BACK DOOR SYSTEM
Wiring Diagram








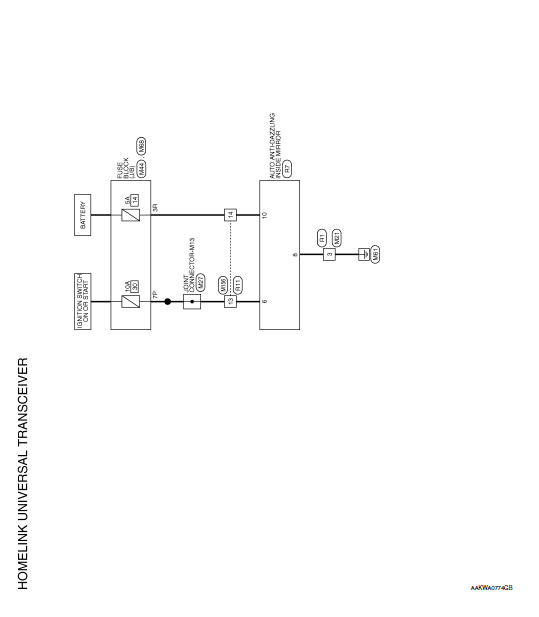
HOMELINK UNIVERSAL TRANSCEIVER
Wiring Diagram



ECU diagnosis information
Basic inspectionFront power window switch (passenger side)
Description
Front power window motor RH will be operated if front power window switch RH
is operated.
Component Function Check
1. CHECK FRONT POWER WINDOW SWITCH RH FUNCTION
Check front power window motor RH operation with front power window switch RH.
Is the inspection result normal?
YES ...
Basic inspection
DIAGNOSIS AND REPAIR WORKFLOW
Work Flow
OVERALL SEQUENCE
DETAILED FLOW
1.INTERVIEW CUSTOMER
Interview the customer to obtain as much information as possible about the
conditions and environment under
which the malfunction occurred.
>> GO TO 2.
2.SYMPTOM CHECK
Verify symptoms.
...
P050A, P050B, P050E cold start control
Description
ECM controls ignition timing and engine idle speed when engine is started
with pre-warming up condition.
This control promotes the activation of three way catalyst by heating the
catalyst and reduces emissions.
DTC Description
DTC DETECTION LOGIC
DTC No.
CONSULT scre ...