Nissan Rogue Service Manual: Water pump
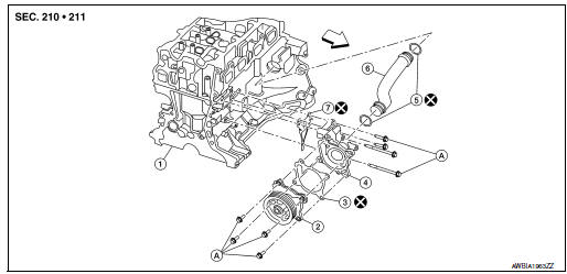
Exploded View

- Cylinder block
- Water pump
- Water pump gasket
- Water pump housing
- O-ring
- Water pipe
- Water pump housing gasket
- Refer to INSTALLATION
Removal and Installation
REMOVAL
- Drain engine coolant. Refer to CO-8, "Draining".
WARNING:
Do not remove the radiator cap when the engine is hot. Serious burns could occur
from high pressure
coolant escaping from the radiator.
CAUTION:
- Perform this step when the engine is cold.
- Do not spill engine coolant on the drive belt.
- Remove the generator. Rafer to CHG-20, "Removal and Installation".
- Remove water pump.
- Engine coolant will leak from the cylinder block.
CAUTION:
- Handle water pump vane so that it does not contact any other
parts.
- Water pump cannot be disassembled and should be replaced as a
unit.
INSTALLATION
- Tighten water pump bolts in sequence to specification.

25 N·m (2.6 kg-m, 18 ft-lb)
- Tighten water pump housing bolts in sequence to specification.

25 N·m (2.6 kg-m, 18 ft-lb)
Installation of remaining components is in the reverse order of removal.
- After installation, refill coolant and check for leaks. Refer to
CO-9, "Refilling" and CO-8, "Inspection".
CAUTION:
- Do not spill coolant in engine compartment. Use a shop cloth to
absorb coolant.
- Do not reuse water pump gasket.
Inspection
М
- Check visually that there is no significant dirt or rusting on
water pump body and vane.
- Check that there is no looseness in vane shaft, and that it turns
smoothly when rotated by hand.
- Replace water pump, if necessary.

INSPECTION AFTER INSTALLATION
- Check for leakage of engine coolant using the radiator cap tester
adapter (commercial service tool) and the
radiator cap tester (commercial service tool). Refer to CO-8, "Inspection".
- Start and warm up engine. Check visually that there is no leakage
of engine coolant.
Exploded View
Fan shroud
Fan motor (LH)
Fan motor (RH)
Cooling fan (RH)
Cooling fan (LH)
Front
Removal and Installation
REMOVAL
WARNING:
Do not remove the radia ...
Exploded View
Water inlet
Thermostat
Rubber ring
To radiator hose (lower)
NOTE:
When removing components such as hoses, tubes/lines, etc., cap or plug opening ...
Other materials:
USB (Universal Serial Bus) Connection Port (models with Navigation System)
(if so equipped)
USB (Universal Serial Bus) Connection Port (models with Navigation System)
Connecting a device to the USB
Connection Port
WARNINGDo not connect, disconnect, or operate the
USB device while driving. Doing so can be
a distraction. If distracted you could lose
control of your ...
General maintenance
Explanation of General Maintenance
General maintenance includes those items which should be checked during the
normal day-to-day operation
of the vehicle. They are essential if the vehicle is to continue operating
properly. The owners can perform the
checks and inspections themselves or have ...
P1568 signal invalid
DTC Description
DTC DETECTION LOGIC
DTC No.
CONSULT screen terms
(Trouble diagnosis content)
DTC detecting condition
P1568
ICC COMMAND VALUE
(Intelligent cruise control command value)
ECM detects that a throttle valve opening angle request signal sent
from
...
© 2014-2026 Copyright t32.nirogue.com