System Description
The starter motor plunger closes and provides a closed circuit between the battery and the starter motor. The starter motor is grounded to the cylinder block. With power and ground supplied, the starter motor operates.
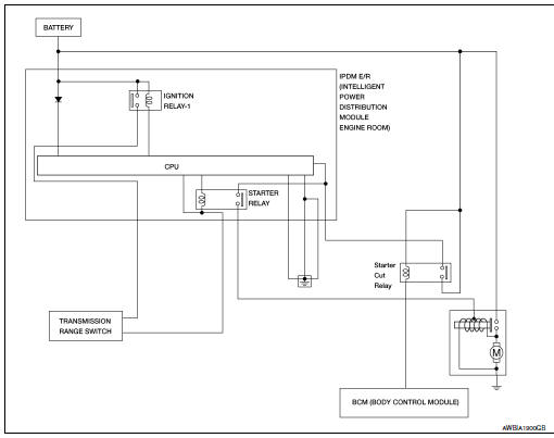
SYSTEM DIAGRAM

Component parts
Wiring diagramHow to check terminal
CONNECTOR AND TERMINAL PIN KIT
Use the connector and terminal pin kits listed below when
replacing connectors or terminals.
The connector and terminal pin kits contain some of the most
commonly used NISSAN/INFINITI connectors
and terminals. For detailed connector and termin ...
Vehicle jerks during
Description
The vehicle jerks when VDC function, TCS function, ABS function, EBD
function, Brake limited slip differential
(BLSD) function, Brake assist function, hill start assist function or Brake
force distribution function operates.
Diagnosis Procedure
1.CHECK SYMPTOM
Check that the veh ...
Tightening torque of standard
bolts
Description
This vehicle has both new standard based on ISO* and previous standard
bolts/nuts. There are some differences
between these two types of bolts/ nuts; shape of the head, grade of strength,
hexagonal width across
flats and the standard tightening torque.
For guidance in d ...