Nissan Rogue Service Manual: Removal and installation
DRIVE PINION OIL SEAL
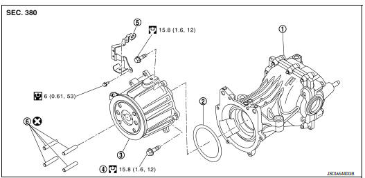
Exploded View

- Rear final drive assembly
- Drive pinion oil seal
- Electric controlled coupling assembly
- Oil seal lip
Always replace after every
disassembly.
: Apply gear oil.
: Apply multi-purpose grease.
Removal and Installation
REMOVAL
- Remove electric controlled coupling. Refer to DLN-114, "Removal
and Installation".
- Using a suitable tool remove drive pinion oil seal.
CAUTION:
Do not damage rear final drive assembly.
INSTALLATION
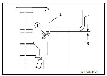
- Install drive pinon oil seal (1) using Tool (A).

Oil seal installation
length (B)
: 0.8 - 1.2 mm (0.031 - 0.047 in)
Tool number : KV38100200 (J-26233)
: ST27861000 ( — )
CAUTION:
- Do not reuse oil seal.
- When installing, do not incline oil seal.
- Apply multi-purpose grease onto oil seal lips, and gear oil
onto the circumference of oil seal.
- Install rear propeller shaft. Refer to DLN-99, "Exploded View".
- When oil leaks while removing, check oil level after the
installation. Refer to DLN-111, "Inspection".
SIDE OIL SEAL
Exploded View

- Rear final drive assembly
- Side oil seal
- Oil seal lip
: Always replace after every
disassembly.
: Apply gear oil.
: Apply multi-purpose grease.
Removal and Installation
REMOVAL
- Remove rear drive shaft (LH/RH) with power tool. Refer to RAX-19,
"Exploded View".
- Remove side oil seal (LH/RH), using a suitable tool.
CAUTION:
Do not damage gear carrier and rear cover.

INSTALLATION
- Install side oil seals until it becomes flush with the carrier
end,
using Tool (A).

Tool number : KV38100200 (J-26233)
CAUTION:
- Do not reuse oil seals.
- When installing, do not incline oil seals.
- Apply multi-purpose grease onto oil seal lips, and gear oil
onto the circumference of oil seal.
- Install rear drive shafts. Refer to RAX-19, "Exploded View".
- When oil leaks while removing, check oil level after the
installation.
Refer to DLN-111, "Inspection".
ELECTRIC CONTROLLED COUPLING
Exploded View

- Rear final drive assembly
- Wave spring
- Electric controlled coupling assembly
- Reamer bolt
- Connector bracket Stud bolt
: N·m (kg-m, in-lb)
: N·m (kg-m, ft-lb)
: Always replace after every
disassembly.
Removal and Installation
NOTE:
When removing components such as hoses, tubes/lines, etc., cap or plug openings
to prevent fluid from spilling.
REMOVAL
- Remove rear propeller shaft from the torsional damper, and support
the end of the propeller shaft. Refer to
DLN-99, "Exploded View".
- Remove electric controlled coupling breather hose (2) from
electric
controlled coupling (1).
- Disconnect the electric controlled coupling harness connector
(A).

- Remove harness connector bracket.
- Remove bolts from electric controlled coupling.
- Remove the electric controlled coupling.
CAUTION:
Be careful that the wave washer does not fall out or get damaged when removing
the electric controlled
coupling.
- Remove wave washer (1).

(2) : Rear final drive assembly
INSTALLATION
Installation is in the reverse order of removal.
CAUTION:
CAUTION:
- The width of sealant bend is approximately 3 mm (0.012 in).
- Installation should be done within 5 minutes after applying
liquid gasket.
- Do not fill the engine within engine oil for at least 30
minutes
after the components are installed to allow the sealant to
cure.

- Install electric controlled coupling to spline of drive pinion inside
final drive assembly.
CAUTION:
- Align the pin (A) on electric controlled coupling with the
groove (B) of final drive assembly.
- Be careful not to damage center oil seal.


- Temporarily tighten reamer bolts (1) to the positions shown.
CAUTION:
- • Do not use tools. Always tighten by hand.
- • If reamer bolts cannot be tightened all the way by hand, the
electric controlled coupling pin may not be positioned in the
groove of the final drive assembly. In this case, remove electric
controlled coupling and reinstall it.

- When oil leaks while removing, check oil level after the installation.
Refer to DLN-111, "Inspection".
AIR BREATHER
Exploded View

- Breather connector (resin)
- Trim clip
- Bracket
- Hose clamp
- Air breather hose
- Breather connector (metal)
- Breather connector (resin)
- Air breather hose
- Clip
- Hose connector
- Air breather hose*
- Air breather tube*
- Air breather hose*
- Breather connector (metal)
- Rear final drive assembly
: Always replace after every
disassembly.
*: These parts are adhered to each other. Therefore they are assembled parts.
Removal and Installation
- REMOVAL Remove clip (A) from rear suspension member (1).

(3) : Rear final drive assembly
: Front
- Remove air breather hose (2) and breather tube (4) together.
- Loosen hose clamp and remove breather tube from air breather hose.
- Remove clips (A) from rear suspension member (3).

(2) : Rear final drive assembly
: Front
INSTALLATION
Installation is in the reverse order of removal.
- For non-reusable parts, refer to DLN-117, "Exploded View".
- Set breather connector (1) to rear final drive with the paint mark
(A)
facing front as shown.

: Front
- When installing air breather hose, make sure there are no pinched
or restricted areas on air breather hose caused by bending or
winding.
REAR DIFFERENTIAL GEAR OIL
Inspection
OIL LEAKS
Make sure that oil is not leaking from final drive assembly or around it.
OIL LEVEL
Remove filler plug (1) and check oil level from filler ...
REAR FINAL DRIVE ASSEMBLY
Exploded View
Final drive mounting bracket
Mounting stopper
Rear final drive assembly
: N·m (kg-m, ft-lb)
: Always replace after every
disassembly.
Rem ...
Other materials:
Precaution
Precaution for supplemental restraint system (srs) "air bag" and "seat
belt
pre-tensioner"
The Supplemental Restraint System such as “AIR BAG” and “SEAT BELT PRE-TENSIONER”,
used along
with a front seat belt, helps to reduce the risk or severity of injury to the
...
Inspection and adjustment
ADDITIONAL SERVICE WHEN REPLACING CONTROL UNIT
ADDITIONAL SERVICE WHEN REPLACING CONTROL UNIT : Description
When replacing the occupant classification system control unit, perform
zero point reset procedure. Refer to
SRC-42, "ZERO POINT RESET : Special Repair Requirement".
When ...
P0444, P0445 EVAP canister purge volume control solenoid
DTC Description
DTC DETECTION LOGIC
DTC No.
CONSULT screen terms
(Trouble diagnosis content)
DTC detecting condition
P0444
PURG VOLUME CONT/V
(Evaporative emission system purge control
valve circuit open)
An excessively low voltage signal is sent to ECM through ...
© 2014-2026 Copyright t32.nirogue.com