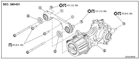
REAR FINAL DRIVE ASSEMBLY
Exploded View

: N·m (kg-m, ft-lb)
: Always replace after every
disassembly.
Removal and Installation
REMOVAL
If necessary, remove final drive bracket and washer with power tool.
CAUTION: Secure final drive assembly to a suitable jack while removing it.
INSTALLATION Installation is in the reverse order of removal.
Removal and installation
Unit disassembly and assemblyDiagnosis system (BCM) (with intelligent key system)
COMMON ITEM
COMMON ITEM : CONSULT Function (BCM - COMMON ITEM)
APPLICATION ITEM
CONSULT performs the following functions via CAN communication with BCM.
Direct Diagnostic Mode
Description
Ecu Identification
The BCM part number is displayed.
Self Diagnostic ...
U1001 CAN comm circuit
Description
CAN (Controller Area Network) is a serial communication line for real time
application. It is an on-vehicle multiplex
communication line with high data communication speed and excellent error
detection ability. Many electronic
control units are equipped onto a vehicle, and each co ...
U0073 communication bus a OFF
DTC Description
DTC DETECTION LOGIC
DTC
CONSULT screen terms
(Trouble diagnosis content)
DTC detection condition
U0073
COMM BUS A OFF
(Control Module Communication Bus A Off)
TCM communication blockage lasts for 2 seconds or more when turning
ON the ignition sw ...