STARTER MOTOR
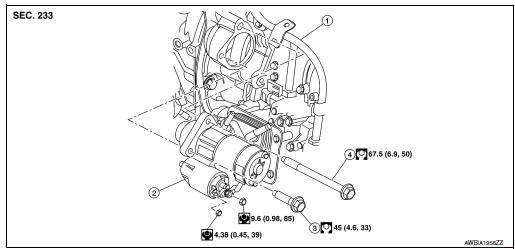
Exploded View
REMOVAL

Removal and Installation
REMOVAL
INSTALLATION
Installation is in the reverse order of removal. Perform the following: Learning".
Service data and specifications (SDS)
Starter Motor

S connector circuitAll-wheel drive (AWD) lock switch (if so equipped)
All-wheel drive (AWD) lock switch (if so equipped)
The all-wheel drive (AWD) lock switch is locaton the instrument panel. The
AWD LOCK indicator
light will illuminate when the switch is turned
on. For additional information, refer to
“Warning/Indicator lights and audible reminders”
in ...
Refrigerant pressure sensor
Component Function Check
1.CHECK REFRIGERANT PRESSURE SENSOR FUNCTION
Start engine and warm it up to normal operating temperature.
Turn A/C switch and blower fan switch ON.
Check the voltage between ECM harness connector terminals under
the following conditions.
...
The seat belt reminder warning continues sounding, or
does not sound
Description
Seat belt warning does not sound even though driver seat belt is not
fastened.
Seat belt warning sounds even though driver seat belt is fastened.
Diagnosis Procedure
1.CHECK WARNING CHIME OPERATION
Select "BUZZER" of "BCM" on "CONSULT" ...