Nissan Rogue Service Manual: Rear disc brake
BRAKE PAD
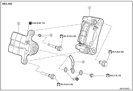
BRAKE PAD : Exploded View

- Sliding pin bolt
- Sliding pin bushing
- Cylinder body
- Inner shim cover
- Inner shim
- Inner pad
- Pad retainer
- Torque member
- Outer pad
- Outer shim
- Outer shim cover
- Molykote AS-880N
- Niglube Rx-2
BRAKE PAD : Removal and Installation
REMOVAL
WARNING:
Clean dust on brake caliper and brake pad with a vacuum dust collector to
minimize the hazards of airborne
particles or other material.
CAUTION:
- Do not depress the brake pedal while removing the brake pads
because the pistons may pop out.
- It is not necessary to remove bolts on torque member and brake
hose except for disassembly or
replacement of brake caliper. For brake pad removal, hang brake caliper with
a wire so as not to
stretch brake hose.
- If brake fluid or grease adheres to the brake caliper or disc
brake rotor, quickly wipe it off.
- Partially drain brake fluid from the reservoir tank. Refer to
BR-16, "Drain and Refill".
- Remove the rear wheels and tires using power tool.
- Loosen the upper sliding pin bolt and remove the lower sliding pin
bolt.
- Using the upper sliding pin bolt as a pivot, swing the brake
caliper down from the torque member. Leaving
the brake hose attached, support the brake caliper with wire.
- Remove the brake pads, shims, shim covers, pad retainers, and
anti-rattle clips from the torque member.
CAUTION:
- Do not reuse the pad retainers and anti-rattle clips.
- Do not damage the piston boot.
- Do not drop the brake pads, shims, or the shim covers.
- Note the position of components during removal to aid with
installation.
INSTALLATION
- Install the new pad retainers anti-rattle clips to the torque
member.
CAUTION:
- Do not reuse the pad retainers and anti-rattle clips.
- Do not deform the pad retainers.
- Verify that the pad retainers are secured properly to the
torque member.
- Apply rubber grease or equivalent to the mating faces between
the brake pads and pad retainers. Refer to BR-41, "BRAKE PAD
: Exploded View".
- Apply Molykote AS-880N grease or equivalent to the mating
faces between the brake pads, shims and shim covers. Install
components to the brake pad. Refer to BR-41, "BRAKE PAD :
Exploded View".
CAUTION:
When installing new brake pads, replace the shims and
shim covers.
- Install the brake pads to the torque member.
- Using a suitable tool, press the pistons into the brake caliper.
CAUTION:
Do not damage the piston boot.
- Using the upper sliding pin bolt as a pivot, swing the brake
caliper
up to the torque member.
- Install the lower sliding pin bolts. Tighten all sliding pin bolts
to
specification. Refer to BR-41, "BRAKE PAD : Exploded View".
- Depress the brake pedal several times and verify that drag does
not exist.
- Install the front wheels and tires. Refer to WT-60, "Removal and
Installation".
- Check brake fluid level and refill as necessary. Refer to BR-8,
"Inspection".

BRAKE CALIPER ASSEMBLY
BRAKE CALIPER ASSEMBLY : Exploded View

- Torque member
- Brake caliper body
- Sliding pin bushing
- Copper sealing washers
- Brake hose
BRAKE CALIPER ASSEMBLY : Removal and Installation
WARNING:
Clean dust on brake caliper and brake pad with a vacuum dust collector to
minimize the hazard of airborne
particles or other materials
CAUTION:
- Do not depress the brake pedal.
- Do not spill or splash brake fluid on painted areas; it may
cause paint damage. If brake fluid is
splashed on painted areas, wash it away with water immediately.
- Do not bend, twist or pull the brake hoses and piping.
- Do not reuse drained brake fluid.
NOTE:
When removing components such as hoses, tubes/lines, etc., cap or plug openings
to prevent fluid from spilling.
REMOVAL
- Remove rear wheels and tires using power tool.
- Secure the disc brake rotor using wheel nuts.
- Remove union bolt, copper sealing washers, and disconnect brake
hose from brake caliper. Discard the
copper sealing washers.
CAUTION:
Do not reuse copper sealing washers.
- Remove the torque member bolts. Remove the brake caliper and
torque member from the vehicle as an
assembly.
- Remove sliding pin bolts and the brake caliper from torque member.
CAUTION:
Do not drop brake pads or brake caliper.
INSTALLATION
- Install the brake caliper to torque member and install the sliding pin
bolts. Tighten to specification.
- Install the brake caliper and torque member to the vehicle as an
assembly. Install the torque member
bolts.
- Assemble the union bolt (A) and the copper sealing washers (1)
to the brake hose and install it as an assembly to the brake caliper.
Align the brake hose L-pin by aligning it with the brake caliper
hole, and tighten the union bolt (A) to the specified torque.
CAUTION:
Do not reuse copper sealing washers.
- Refill with new brake fluid and perform the air bleeding. Refer to
BR-16, "Bleeding Brake System".
CAUTION:
- Do not reuse drained brake fluid.
- Do not spill or splash brake fluid on the disc brake rotor.
- Check the rear disc brakes for drag.
- Install the rear wheels and tires. Refer to WT-60, "Removal and
Installation".

BRAKE PAD (1 PISTON TYPE)
BRAKE PAD (1 PISTON TYPE) : Exploded View
Torque member
Bushing
Piston boot
Slide pin boot
Slide pin
Piston
Piston seal
Brake caliper ...
Other materials:
Approach warning
Approach warning
NOTE:
The warning chime may sound and the FCW
indicator may blink when the distance sensor
detects vehicles in other lanes A or
objects on the side of the road A . This may
cause the FCW system to operate inappropriately.
The distance sensor may detect
these objects wh ...
Door outside molding
Exploded View
Front door panel
Front door outside molding
Rear door panel
Rear door outside molding
Pawl
Removal and Installation
FRONT DOOR OUTSIDE MOLDING
Removal
Lower front door glass.
Remove door mirror. Refer to MIR-22, "Removal and Installa ...
Active trace control
This system senses driving based on the driver’s
steering and acceleration/braking patterns, and
controls brake pressure at individual wheels to
aid tracing at corners and help smooth vehicle
response.
The Active Trace Control can be set to ON (enabled)
or OFF (disabled) through the Vehicl ...
© 2014-2026 Copyright t32.nirogue.com