Nissan Rogue manuals

Nissan Rogue Service Manual: Preparation

Special service tools

The actual shape of the tools may differ from those illustrated here.

Tool number (TechMate No.) Tool name

Description
— (J-48891) Spark plug socket Removing and installing spark plug
KV10111100 (J-37228) Seal cutter Removing oil pan and timing chain case
KV10112100 (BT-8653-A) Torque angle meter Tightening bolts for bearing cap, cylinder head, etc.

Commercial service tools

Tool number (TechMate No.) Tool name

Description

Pulley puller

Removing crankshaft pulley
Piston ring compresso

Installing piston assembly into cylinder bore
Pulley holder

Crankshaft pulley removing and installing
Valve seat cutter set

Finishing valve seat dimensions
Socket

Removing and installing flywheel Size: T55
Piston ring expander

Removing and installing piston ring
Valve guide drift

Removing and installing valve guide Intake & Exhaust:
a: 9.5 mm (0.374 in) dia.
b: 5.5 mm (0.217 in) dia.
Valve guide reamer

  1.  Reaming valve guide inner hole
  2. Reaming hole for oversize valve guide

Intake & Exhaust:
d1: 6.0 mm (0.236 in) dia.
d2: 10.2 mm (0.402 in) dia.

Anti-seize lubricant i.e.: (PermatexTM 133AR or equivalent meeting MIL specification MIL-A-907)

Lubricating oxygen sensor thread cleaning tool when reconditioning exhaust system threads
Manual lift table caddy

Removing and installing engine
KV10107902 (J-38959) Valve oil seal puller with adapter (1)

Removing valve oil seal
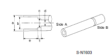
KV10115600 (J-38958) Valve oil seal drift

Installing valve oil seal

Use side A.
a: 20 (0.79) dia. d: 8 (0.31) dia.
b: 13 (0.51) dia. e: 10.7 (0.421) dia.
c: 10.3 (0.406) dia. f: 5 (0.20) dia.

Unit: mm (in)

Tube presser

Pressing the tube of liquid gasket
Exhaust gas sensor wrench

Removing exhaust gas sensor
KV10116200 (J-26336-A) Valve spring compressor 1. KV10115900 (J-26336-20) Attachment 2. KV10109220 ( — ) Adapter

Disassembling valve mechanism Part (1) is a component of KV10116200 (J- 26336-A), but part (2) is not.
Symptom diagnosi
NOISE, VIBRATION, AND HARSHNESS (NVH) TROUBLESHOOTING NVH troubleshooting - engine noise Valve mechanism  Intake and exhaust valve  Water pump  Timing chain  Dr ...

Periodic maintenance
...

Other materials:

P0848 transmission fluid pressure SEN/SW B
DTC Description DTC DETECTION LOGIC DTC CONSULT screen terms (Trouble diagnosis content) DTC detection condition P0848 FLUID PRESS SEN/SW B (Transmission Fluid Pressure Sensor/Switch B Circuit Low) When all of the following conditions are satisfied and this sta ...

Seat belt buckle switch signal circuit
Description Transmits a seat belt buckle switch signal to the combination meter. Component Function Check 1. CHECK COMBINATION METER INPUT SIGNAL  Ignition ON.  Monitor seat belt warning lamp while fastening and unfastening the driver seat belt buckle. Is the inspection ...

Diagnosis system (TCM)
DIAGNOSIS DESCRIPTION DIAGNOSIS DESCRIPTION : 1 Trip Detection Diagnosis and 2 Trip Detection Diagnosis NOTE: “Start the engine and turn OFF the ignition switch after warm-up.” This is defined as 1 trip. 1 TRIP DETECTION DIAGNOSIS When initial malfunction is detected, TCM memorizes DTC. ...

© 2014-2026 Copyright t32.nirogue.com