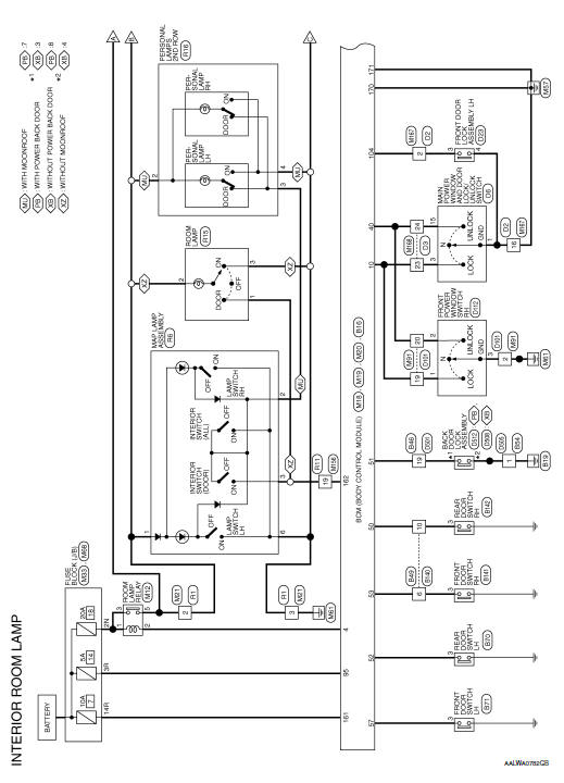
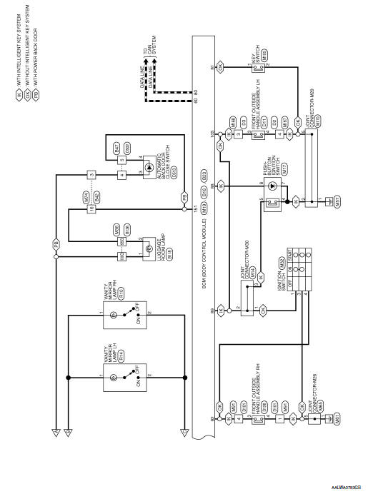
Wiring Diagram












Wiring diagram
IlluminationThe ambient temperature display is incorrect
Description
The displayed outside air temperature is higher than the actual
temperature.
The displayed outside air temperature is lower than the actual
temperature.
Outside air temperature is not indicated.
Diagnosis Procedure
1.CHECK AMBIENT SENSOR SIGNAL CIRCUIT
Chec ...
Reporting safety defects
For USA
If you believe that your vehicle has a defect
which could cause a crash or could
cause injury or death, you should immediately
inform the National Highway Traffic
Safety Administration (NHTSA) in addition
to notifying NISSAN.
If NHTSA receives similar complaints, it
may open an inv ...
Information display is malfunctioning
Diagnosis Procedure
1.CHECK DTC WITH ECM
Check that DTC is not displayed.
Is the inspection result normal?
YES >> GO TO 2.
NO >> Perform trouble diagnosis relevant to DTC indicated.
2.CHECK INFORMATION DISPLAY (ASCD)
Refer to EC-475, "Component Function Check".
Is ...