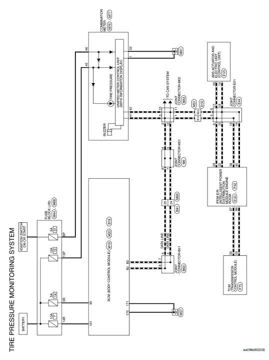
TIRE PRESSURE MONITORING SYSTEM
Wiring Diagram





ECU diagnosis information
Basic inspectionComponent parts
CVT CONTROL SYSTEM
CVT CONTROL SYSTEM : Component Parts Location
Engine room, LH
Transaxle assembly
No.
Component
Function
1
Combination meter
Mainly transmits the following signal to TCM via CAN communication.
Overdrive control switch signal
...
Push-Button Ignition Switch (if so equipped)
WARNINGDo not operate the push-button ignition
switch while driving the vehicle except in
an emergency. (The engine will stop when
the ignition switch is pushed 3 consecutive
times in quick succession or the ignition
switch is pushed and held for more
than 2 seconds.) If the ...
Flat towing for All–Wheel drive vehicle
(if so equipped)
Towing your vehicle with all four wheels on the
ground is sometimes called flat towing. This
method is sometimes used when towing a vehicle
behind a recreational vehicle, such as a motor
home.
CAUTION
Failure to follow these guidelines can
result in severe transmission dama ...