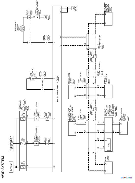
AWD SYSTEM
Wiring Diagram







ECU diagnosis information
Basic inspectionB0021 side curtain air bag module IH
DTC Logic
DTC DETECTION LOGIC
CONSULT name
DTC
DTC detecting condition
Repair order
CURTAIN AIRBAG MODULE LH CIRCUIT
[OPEN]
B0021
LH side curtain air bag module circuit
is open.
Refer to SRC-55, "Diagnosis Procedure".
CURTA ...
Brakes
If the brakes do not operate properly, have the
brakes checked by a NISSAN dealer.
Self-adjusting brakes
Your vehicle is equipped with self-adjusting
brakes.
The front and rear disc-type brakes self-adjust
every time the brake pedal is applied.
WARNINGSee a NISSAN dealer for a brake ...
Tightening Torque Table (New Standard Included)
CAUTION:
The special parts are excluded.
The bolts/nuts in these tables have a strength (discrimination)
number/symbol assigned to the head
or the like. As to the relation between the strength grade in these tables
and the strength (discrimination)
number/symbol, refer to ...