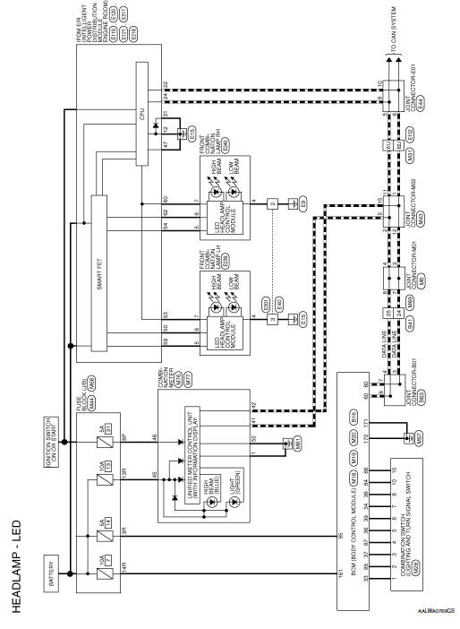
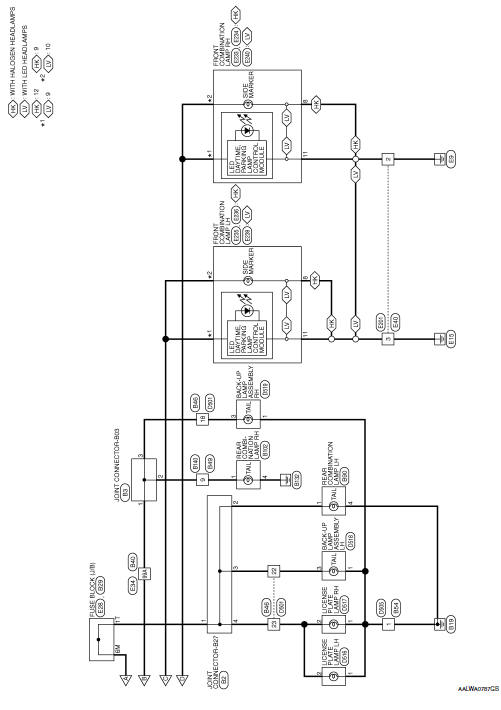
HEADLAMP
Wiring Diagram






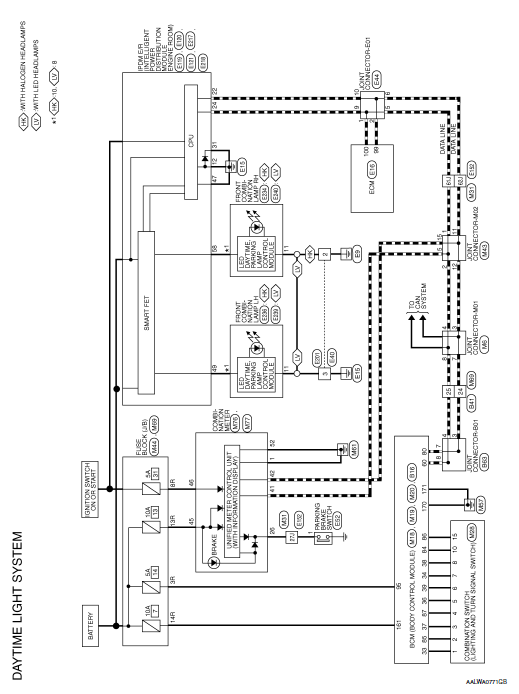
DAYTIME LIGHT SYSTEM
Wiring Diagram







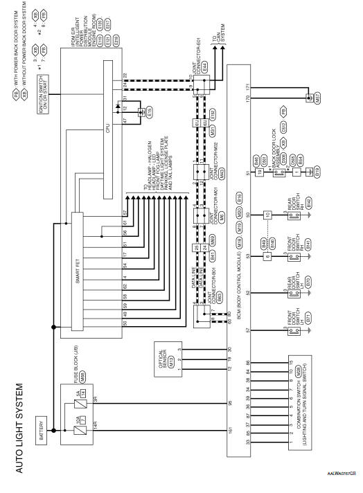
AUTO LIGHT SYSTEM
Wiring Diagram







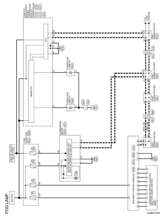
FRONT FOG LAMP SYSTEM
Wiring Diagram






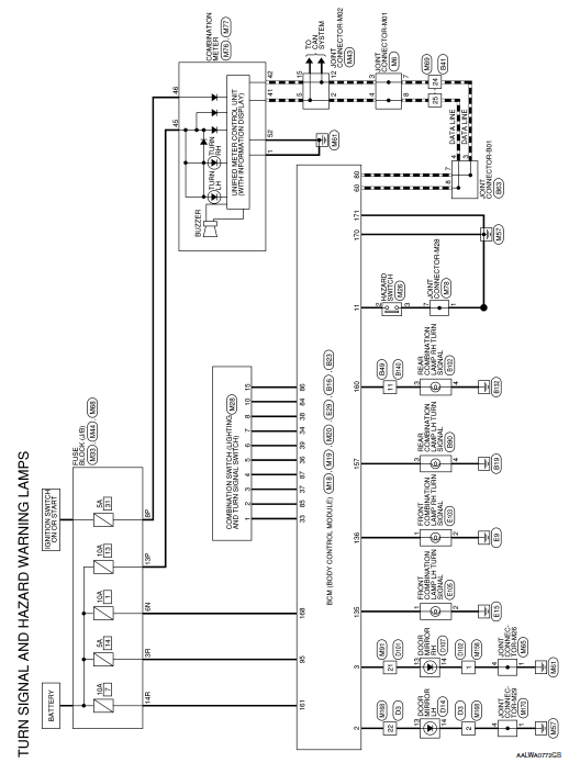
TURN SIGNAL AND HAZARD WARNING LAMP SYSTEM
Wiring Diagram







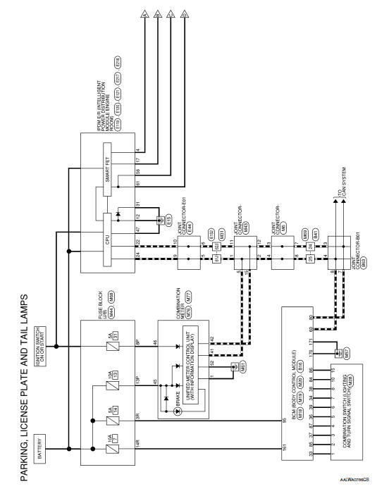
PARKING, LICENSE PLATE AND TAIL LAMPS SYSTEM
Wiring Diagram












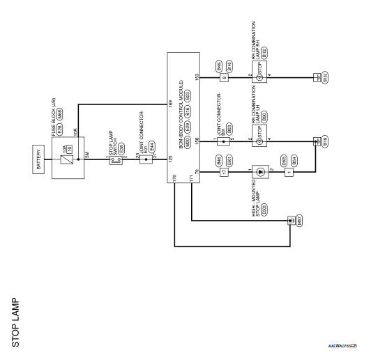
STOP LAMP
Wiring Diagram




BACK-UP LAMP
Wiring Diagram




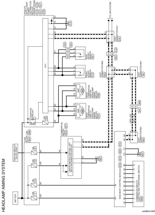
HEADLAMP AIMING SYSTEM (AUTOMATIC)
Wiring Diagram







ECU diagnosis information
Basic inspectionCorrosion protection
Most common factors contributing to vehicle
corrosion
Most vehicle corrosion is caused by:
the accumulation of moisture-retaining dirt
and debris in body panel sections, cavities,
and other areas
damage to paint and other protective coatings
caused by gravel and stone chip ...
Basic inspection
COMPONENT INSPECTION
Inspection
AFTER A COLLISION
WARNING:
Inspect all seat belt assemblies including retractors and attaching hardware
after any collision.
NISSAN/INFINITI recommends that all seat belt assemblies in use during a
collision be replaced
unless the collision was minor and t ...
Periodic maintenance
Introduction of Periodic Maintenance
The following tables show the normal maintenance schedule. Depending upon
weather and atmospheric conditions,
varying road surfaces, individual driving habits and vehicle usage, additional
or more frequent maintenance
may be required.
Periodic maintenan ...