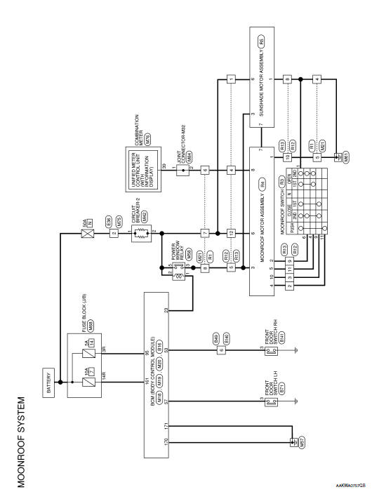
MOONROOF SYSTEM
Wiring Diagram





Sunshade motor assembly
Basic inspectionPower window relay
Description
Power is supplied to the main power window and door lock/unlock with BCM
control.
Component Function Check
1. CHECK POWER WINDOW RELAY POWER SUPPLY CIRCUIT
Check that an operation noise of power window relay [located behind the A/C
switch assembly (automatic A/
C) or Front air c ...
Control panel buttons — color screen with Navigation System (if so equipped)
Control panel buttons — color screen with Navigation System
MAP button*
Display screen
button**
button
(brightness control)
button
BACK button
ENTER / AUDIO button / TUNE / SCROLL
knob
POWER button / VOLUME control knob
CAM ...
Oil
Description
MAINTENANCE OF OIL LEVEL
The compressor oil is circulating in the system together with the
refrigerant. It is necessary to fill compressor
with oil when replacing A/C system parts or when a large amount of refrigerant
leak is detected. It is important
to always maintain oil level ...