FRONT CAMERA
Exploded View

Removal and Installation
REMOVAL
INSTALLATION
Installation is in the reverse order of removal.
NOTE: Perform camera image calibration. Refer to AV-292, "CALIBRATING CAMERA IMAGE (AROUND VIEW MONITOR) : Work Procedure".
DISTANCE SENSOR
Exploded View

Front
Removal and Installation
REMOVAL
CAUTION: Do not drop or shock distance sensor.
INSTALLATION
Installation is in the reverse order of removal.
CAUTION: Perform additional service when replacing distance sensor. Refer to DAS-69, "Work Procedure".
SIDE CAMERA
Removal and Installation
REMOVAL
: Pawl

INSTALLATION
Installation is in the reverse order of removal.
CAUTION: Perform camera image calibration (if equipped with around view camera). Refer to AV-135, "CALIBRATING CAMERA IMAGE (AROUND VIEW MONITOR) : Description".
BSW INDICATOR
Removal and Installation
REMOVAL

INSTALLATION
Installation is in the reverse order of removal.
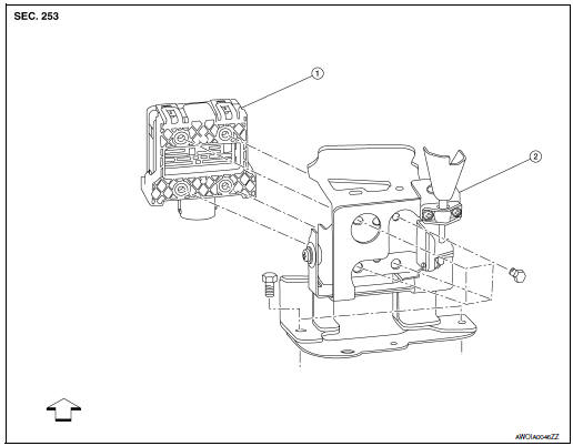
AROUND VIEW MONITOR CONTROL UNIT
Exploded View

Removal and Installation
REMOVAL
CAUTION: Before replacing around view monitor control unit, save or print current vehicle specification with CONSULT configuration before replacement. Refer to AV-288, "ADDITIONAL SERVICE WHEN REPLACING AROUND VIEW MONITOR CONTROL UNIT : Work Procedure".
INSTALLATION
Installation is in the reverse order of removal.
CAUTION:
Refer to AV-288, "ADDITIONAL SERVICE WHEN REPLACING AROUND VIEW MONITOR CONTROL UNIT : Work Procedure".
NOTE: Perform camera image calibration. Refer to AV-292, "CALIBRATING CAMERA IMAGE (AROUND VIEW MONITOR) : Work Procedure".
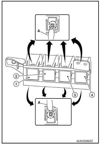
WARNING SYSTEMS SWITCH
Removal and Installation
REMOVAL

(1): Blank
(3): AWD LOCK switch (if equipped)
(4): Hill descent control switch (if equipped)

INSTALLATION
Installation is in the reverse order of removal.
WARNING SYSTEMS BUZZER
Exploded View

Pawl
Removal and Installation
REMOVAL
INSTALLATION
Installation is in the reverse order of removal.
REAR VIEW CAMERA
Removal and Installation
REMOVAL

INSTALLATION
Installation is in the reverse order of removal.
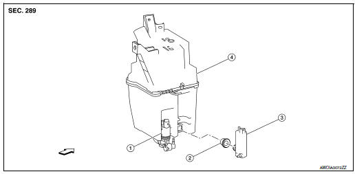
REAR VIEW CAMERA WASHER MOTOR
Exploded View

Front
Removal and Installation
REMOVAL
INSTALLATION
Installation is in the reverse order of removal.
CAUTION: Add water to the top of washer tank inlet after installing. Check that no leaks exist.
REAR VIEW CAMERA AIR PUMP MOTOR
Exploded View

Front
Removal and Installation
REMOVAL
INSTALLATION
Installation is in the reverse order of removal.
REAR VIEW CAMERA WASHER CONTROL UNIT
Exploded View

Removal and Installation
REMOVAL
INSTALLATION
Installation is in the reverse order of removal.
Symptom diagnosis
Chassis controlEvent Data Recorders (EDR)
This vehicle is equipped with an Event Data Recorder
(EDR). The main purpose of an EDR is to
record, in certain crash or near crash-like situations,
such as an air bag deployment or hitting a
road obstacle, data that will assist in understanding
how a vehicle’s systems performed. The EDR
is ...
C1708, C1709, C1710, C1711 transmitter (no data)
DTC Logic
NOTE:
The Signal Tech II Tool [- (J-50190)] can be used to perform the following
functions. Refer to the Signal Tech II
User Guide for additional information.
Activate and display TPMS sensor IDs
Display tire pressure reported by the TPMS sensor
Read TPMS DTC ...
Around View® Monitor (if so equipped)
With the ignition switch in the ON position, press
the CAMERA button or move the shift lever to the
R (Reverse) position to operate the Around View
Monitor. The monitor displays various views of
the position of the vehicle in a split screen format.
WARNING
The Around View Monit ...