Nissan Rogue Service Manual: Removal and installation
HOOD
Exploded View

- Hood hinge (RH)
- Hood
- Hood side seal
- Hood front seal
- Hood center seal
- Bumper rubber
- Hood insulator
- Hood rod clamp
- Hood support rod
- Hood rod grommet
- Hood hinge (LH)
HOOD ASSEMBLY
HOOD ASSEMBLY : Removal and Installation
CAUTION:
- Use two people when removing or installing hood assembly due to
its heavy weight.
- Use protective tape or shop cloths to protect surrounding
components from damage during removal
and installation of hood assembly.
REMOVAL
- Support the hood assembly using a suitable tool.
WARNING:
Bodily injury may occur if hood assembly is not supported properly when
removing hood assembly.
- Remove hood hinge to hood nuts (A) and hood assembly.
NOTE:
RH side shown; LH similar.

INSTALLATION
Installation is in the reverse order of removal.
CAUTION:
- Before installing the hood hinge, apply anticorrosive agent
onto the surface of the vehicle.
- After installation, perform the hood assembly adjustment
procedure. Refer to DLK-351, "HOOD
ASSEMBLY : Adjustment".
HOOD ASSEMBLY : Adjustment

- Hood assembly
- Front grille
- Front combination lamp
- Fender
- Bumper rubber
- Hood hinge
- Hood lock
Check the clearance and the surface height between hood and each part by
visual inspection and tactile feel.
If the clearance and the surface height are out of specification, adjust them
according to the adjustment procedures.

HEIGHT ADJUSTMENT
- Loosen the hood lock assembly bolts.
- Adjust the surface height of hood assembly to front grille and
front fender according to the specified values
by rotating hood bumper rubber.
- Temporarily tighten hood lock assembly bolts.
- Adjust (A) and (B) as shown to the following value with hood's own
weight by dropping it from approximately
200 mm (7.87 in) height or by pressing hood lightly [approximately 29 N (3.0
kg, 6.5 lb)].

- Secondary striker
- Primary striker
- Hood assembly
- 20 mm (0.79 in)
- 6.8 mm (0.27 in)
- After adjustment, tighten hood hinge nuts and bolts to the specified
torque.
CAUTION:
- Check hood hinge rotating part for poor lubrication. If
necessary, apply a suitable multi-purpose
grease.
- After adjusting, apply touch-up paint (body color) to the head
of hood hinge bolts and nuts.
CLEARANCE ADJUSTMENT
- Loosen hood hinge nuts and bolts.
- Loosen the hood lock assembly bolts.
- Adjust the hood assembly so the clearance measurements are within
specifications.
- Tighten the hood hinge nuts and bolts to specified torque.
- Tighten the hood lock assembly bolts to specified torque.
HOOD HINGE
HOOD HINGE : Removal and Installation
REMOVAL
- Remove hood assembly. Refer to DLK-350, "HOOD ASSEMBLY : Removal
and Installation".
- Remove front fender. Refer to DLK-355, "Removal and Installation".
- Remove hood hinge bolts, and then remove hood hinge.
INSTALLATION
Installation is in the reverse order of removal.
CAUTION:
- Before installing the hood hinge, apply anticorrosive agent
onto the surface of the vehicle.
- After installation, perform hood assembly adjustment procedure. Refer
to DLK-351, "HOOD ASSEMBLY
: Adjustment".
RADIATOR CORE SUPPORT
Exploded View

- Radiator core upper support
- Secondary latch bracket
- Radiator core lower support
Removal and Installation
CAUTION:
When removing radiator core support upper, be careful not to damage the painted
surface.
REMOVAL
Radiator Core Upper Support
- Remove front combination lamp (LH). Refer to EXL-119, "Removal and
Installation".
- Remove front air duct. Refer to EM-24, "Exploded View".
- Remove hood lock. Refer to DLK-253, "HOOD LOCK : Removal and
Installation".
- Remove secondary latch. Refer to DLK-254, "SECONDARY LATCH :
Removal and Installation".
- Remove crash zone sensor. Refer to SR-22, "Removal and
Installation".
- Remove bolts and radiator core upper support.
Radiator Core Lower Support
- Remove front bumper fascia. Refer to EXT-17, "Removal and
Installation".
- Support the radiator using a suitable tool.
- Remove bolts and radiator core lower support.
INSTALLATION
Installation is in the reverse order of removal.
CAUTION:
Tighten bolts to specified torque. Refer to DLK-354, "Exploded View".
FRONT FENDER
Exploded View

- Front fender
Removal and Installation
CAUTION:
Use a shop cloths to protect the body from being damaged during removal and
installation.
REMOVAL
- Remove front bumper fascia. Refer to EXT-17, "Removal and
Installation".
- Remove front combination lamp. Refer to EXL-119, "Removal and
Installation" (HALOGEN HEADLAMP)
or EXL-268, "Removal and Installation". (LED HEADLAMP).
- Remove center mudguard. Refer to EXT-42, "Removal and
Installation".
- Remove screws (A) and front fender bracket (1).

- Remove bolts and front fender.
CAUTION:
Use care when removing the front fender. The front fender baffle foam adheres
the front fender to
the body side outer. Carefully release the baffle foam or damage to the front
fender may occur.
INSTALLATION
Installation is in the reverse order of removal.
CAUTION:
- After installation apply touch up paint (body color) to the
head of front fender bolts.
- After installation, adjust the following components as
necessary:
- Hood assembly: Refer to DLK-351, "HOOD ASSEMBLY : Adjustment".
- Front door: Refer to DLK-358, "DOOR ASSEMBLY : Adjustment".
- Tighten bolts to specification. Refer to DLK-355, "Exploded View".
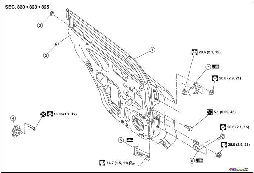
FRONT DOOR
Exploded View

- Front door panel
- Grommet
- Bumper rubber
- Door striker
- Door check link
- Front door lower hinge
- Front door upper hinge
DOOR ASSEMBLY
DOOR ASSEMBLY : Removal and Installation
CAUTION:
- Use two people when removing or installing the front door due
to its heavy weight.
- When removing and installing front door assembly, support front
door with a suitable tool.
REMOVAL
- Remove front door finisher. Refer to INT-15, "Removal and
Installation".
- Remove front door vapor barrier (1).
NOTE:
LH side shown; RH similar.

- Disconnect the harness connectors from the front door.
- Remove front door harness grommet, then harness from the front
door.
- Remove front door check link bolt (body side).
- Remove front door hinge nuts (door side) and front door assembly.
INSTALLATION
Installation is in the reverse order of removal.
CAUTION:
- Tighten nuts/bolts to specified torque. Refer to DLK-357,
"Exploded View".
- Apply anticorrosive agent where necessary.
- After installation, check front door open/close and lock/unlock
operation.
- After installation, perform the front door adjustment
procedure. Refer to DLK-358, "DOOR ASSEMBLY
: Adjustment".
DOOR ASSEMBLY : Adjustment
ADJUSTMENT

- Front fender
- Front door
- Rear door
- Body side outer
- Front door upper hinge
- Front door lower hinge
- Door striker
- Front door striker bolts
Check the clearance and surface height between front door and each part by
visual inspection and tactile feel.
If the clearance and the surface height are out of specification, adjust them
according to the adjustment procedure.

- Remove front fender. Refer to DLK-355, "Removal and Installation".
- Loosen front door hinge nuts (door side).
- Adjust the surface height of front door according to the
specifications provided.
- Temporarily tighten front door hinge nuts (door side).
- Loosen front door hinge bolts (body side).
- Raise front door at rear end to adjust clearance of the front door
according to the specifications provided.
- After adjustment tighten bolts and nuts to the specified torque.
CAUTION:
- Check door hinge rotating point for poor lubrication. If
necessary, apply a suitable multi-purpose
grease.
- After adjusting, apply touch-up paint (body color) to the head
of front door hinge bolts and nuts.
- Install front fender. Refer to refer to DLK-355, "Removal and
Installation".
DOOR STRIKER
DOOR STRIKER : Removal and Installation
REMOVAL
Remove bolts and front door striker.
INSTALLATION
Installation is in the reverse order of removal.
CAUTION:
DOOR STRIKER : Adjustment
DOOR STRIKER ADJUSTMENT
- Loosen door striker bolts
- Adjust door striker so that it becomes parallel with front door
lock
insertion direction.

- Tighten door striker bolts to specification. Refer to DLK-357, "Exploded
View".
DOOR HINGE
DOOR HINGE : Removal and Installation
REMOVAL
- Remove front fender. Refer to DLK-355, "Removal and Installation".
- Remove front door assembly. Refer to DLK-357, "DOOR ASSEMBLY :
Removal and Installation".
- Remove front door hinge bolts (body side) and front door hinge.
INSTALLATION
Installation is in the reverse order of removal.
CAUTION:
- Tighten nuts/bolts to specified torque. Refer to DLK-357,
"Exploded View".
- Apply anticorrosive agent to the hinge mating surface.
- After installation, check front door open/close and lock/unlock
operation.
- Check door hinge rotating point for poor lubrication. If
necessary, apply a suitable multi-purpose
grease.
- After installation, perform the front door adjustment
procedure. Refer to DLK-358, "DOOR ASSEMBLY : Adjustment".
DOOR CHECK LINK
DOOR CHECK LINK : Removal and Installation
REMOVAL
- Fully close the front door window.
- Remove front door speaker. Refer to AV-67, "Removal and
Installation" (DISPLAY AUDIO), AV-213,
"Removal and Installation" (NAVIGATION WITHOUT BOSE) or AV-381, "Removal and
Installation" (NAVIGATION
WITH BOSE).
- Remove door check link bolt (body side).
- Remove door check link bolts (door side).
- Remove door check link through the hole in door assembly.
INSTALLATION
Installation is in the reverse order of removal.
CAUTION:
- Tighten nuts/bolts to specified torque. Refer to DLK-357,
"Exploded View".
- After installation, check front door open/close and lock/unlock
operation.
- Check door check link rotating point for poor lubrication. If
necessary, apply a suitable multi-purpose
grease.
REAR DOOR
Exploded View

- Rear door panel
- Grommet
- Bumper rubber
- Door striker
- Door check link
- Rear door lower hinge
- Rear door upper hinge
DOOR ASSEMBLY
DOOR ASSEMBLY : Removal and Installation
CAUTION:
- Use two people when removing or installing the rear door due to
its heavy weight.
- When removing and installing rear door assembly, support rear
door using a suitable tool.
REMOVAL
- Remove rear door finisher. Refer to DLK-361, "DOOR ASSEMBLY :
Removal and Installation".
- Remove rear door vapor barrier (1).
NOTE:
LH side shown; RH similar.

- Disconnect the harness connectors from rear door.
- Remove harness grommet from rear door, then pull out rear door
harness from the rear door.
- Remove rear door check link bolt (body side).
- Remove rear door hinge nuts (door side) and rear door assembly.
INSTALLATION
Installation is in the reverse order of removal.
CAUTION:
- Tighten nuts/bolts to specification. Refer to DLK-361,
"Exploded View".
- Apply anticorrosive agent where necessary.
- After installation, check rear door open/close and lock/unlock
operation.
- After installation, perform the rear door adjustment procedure.
Refer to DLK-362, "DOOR ASSEMBLY
: Adjustment".
DOOR ASSEMBLY : Adjustment

- Front fender
- Front door
- Rear door
- Body side outer
- Door striker
- Rear door upper hinge
- Rear door lower hinge
- Door striker bolts
Check the clearance and surface height between rear door and each part by
visual inspection and tactile feel.
If the clearance and the surface height are out of specification, adjust them
according to the adjustment procedures.

- Remove center pillar lower finisher. Refer to INT-22, "CENTER PILLAR
LOWER FINISHER : Removal
and Installation".
- Loosen rear door hinge nuts (door side).
- Adjust the surface height of rear door according to specifications
provided.
- Temporarily tighten rear door hinge nuts (door side).
- Loosen rear door hinge nuts and bolts (body side).
- Raise rear door at rear end to adjust clearance of rear door
according to the specifications provided.
- After adjustment tighten bolts and nuts to the specified torque.
CAUTION:
- Check rear door hinge rotating point for poor lubrication. If
necessary, apply a suitable multi-purpose
grease.
- After adjusting, apply touch-up paint (body color) to the head
of rear door hinge bolts and nuts.
- Install center pillar lower finisher. Refer to INT-22, "CENTER
PILLAR LOWER FINISHER : Removal and
Installation".
DOOR STRIKER
DOOR STRIKER : Removal and Installation
REMOVAL
Remove bolts and rear door striker.
INSTALLATION
Installation is in the reverse order of removal.
CAUTION:
- Do not reuse rear door striker bolts.
- Tighten bolts to specification. Refer to DLK-361, "Exploded
View".
- After installation, check rear door open/close operation. If
necessary, adjust the door striker. Refer to
DLK-363, "DOOR STRIKER : Adjustment".
DOOR STRIKER : Adjustment
DOOR STRIKER ADJUSTMENT
- Loosen door striker bolts
- Adjust door striker so that it becomes parallel with front door
lock
insertion direction.

- Tighten door striker bolts to specification. Refer to DLK-361, "Exploded
View".
DOOR HINGE
DOOR HINGE : Removal and Installation
REMOVAL
- Remove rear door assembly. Refer to DLK-361, "DOOR ASSEMBLY :
Removal and Installation".
- Remove center pillar lower finisher (rear door lower hinge only).
Refer to INT-22, "CENTER PILLAR
LOWER FINISHER : Removal and Installation".
- Remove rear door hinge bolts and nuts and rear door hinge.
INSTALLATION
Installation is in the reverse order of removal.
CAUTION:
- Tighten nuts/bolts to specification. Refer to DLK-361,
"Exploded View".
- Apply anticorrosive agent onto the hinge mating surface.
- After installation, check rear door open/close and lock/unlock
operation.
- After installation, perform the rear door adjustment procedure.
Refer to DLK-362, "DOOR ASSEMBLY
: Adjustment".
DOOR CHECK LINK
DOOR CHECK LINK : Removal and Installation
REMOVAL
- Fully close the rear door window.
- Remove rear door speaker. Refer to AV-68, "Removal and
Installation" (DISPLAY AUDIO), AV-214,
"Removal and Installation" (NAVIGATION WITHOUT BOSE) or AV-383, "Removal and
Installation" (NAVIGATION
WITH BOSE).
- Remove rear door check link bolt (body side).
- Remove rear door check link bolts (door side).
- Remove rear door check link through the hole in rear door panel.
INSTALLATION
Installation is in the reverse order of removal.
CAUTION:
- Tighten bolts to specification. Refer to DLK-361, "Exploded
View".
- After installation, check rear door open/close and lock/unlock
operation.
- Check rear door check link rotating point for poor lubrication.
If necessary, apply a suitable multipurpose
grease.
BACK DOOR
Exploded View

- Back door hinge
- Back door striker
- Back door stay hinge
- Bumper rubber
- Back door
BACK DOOR ASSEMBLY
BACK DOOR ASSEMBLY : Removal and Installation
CAUTION:
- Use two people when removing or installing the back door due to
its heavy weight.
- Use shop cloths to protect surrounding components from damage
during removal and installation of
back door.
REMOVAL
- Support the back door assembly using a suitable tool.
WARNING:
Bodily injury may occur if back door assembly is not supported properly when
removing the back
door spindle unit.
- Remove back door stays (LH/RH). Refer to DLK-264, "BACK DOOR STAY
: Removal and Installation".
- Remove roof side moldings (LH/RH). Refer to EXT-39, "Removal and
Installation".
- Disconnect harness connectors (A) from back door.

- Remove back door harness grommet, then pull harness from the back door.
- Disconnect washer tube.
- Remove washer tube grommet and washer tube from the back door.
- Remove back door hinge bolts (door side) and back door assembly.
INSTALLATION
Installation is in the reverse order of removal.
CAUTION:
- Tighten bolts to specification. Refer to DLK-365, "Exploded
View".
- Apply anticorrosive agent onto the surface between hinge and
door side.
- When reusing stud ball, always apply locking sealant before
installing stud ball to back door.
- After installation, perform the back door assembly adjustment
procedure. Refer to DLK-367, "BACK
DOOR ASSEMBLY : Adjustment".
- Perform calibration of automatic back door position
information. Refer to DLK-103, "Work Procedure".
BACK DOOR ASSEMBLY : Adjustment

- Back door assembly
- Roof panel
- Rear spoiler
- Back door glass
- Rear combination lamp
- Back-up lamp
- Rear fender
- Side spoiler
Check the clearance and the surface height between back door and each part by
visual inspection and tactile
feel. If the clearance and the surface height are out of specification, adjust
them according to the adjustment
procedure.

- Loosen back door hinge nuts (door side).
- Lift up back door approximately 100 – 150 mm (3.94 – 5.91 in)
height then close it lightly and check that it
is engaged firmly with back door closed.
- Check the clearance and surface height according to the
specifications provided.
- Tighten back door hinge nuts to specified torque.
CAUTION:
- After installation, check back door open/close, lock/unlock
operation.
- Check back door hinge rotating point for poor lubrication. If
necessary, apply a suitable multipurpose
grease.
- After adjusting, apply touch-up paint (body color) to the head
of rear door hinge bolts and nuts.
BACK DOOR STRIKER
BACK DOOR STRIKER : Removal and Installation
REMOVAL
- Release back door striker cover (1) pawls using a suitable tool
and remove.
: Pawl

- Remove bolts and back door striker.
INSTALLATION
Installation is in the reverse order of removal.
CAUTION:
- Do not reuse back door striker bolts.
- Tighten bolts to specification. Refer to DLK-365, "Exploded
View".
- After installation, check back door open/close operation. If
necessary, adjust the door striker. Refer
to DLK-368, "BACK DOOR STRIKER : Adjustment".
BACK DOOR STRIKER : Adjustment
DOOR STRIKER ADJUSTMENT
- Loosen door striker bolts
- Adjust door striker so that it becomes parallel with front door lock
insertion direction.

- Tighten door striker bolts to specification. Refer to DLK-365, "Exploded
View".
BACK DOOR HINGE
BACK DOOR HINGE : Removal and Installation
REMOVAL
- Remove back door assembly. Refer to DLK-365, "BACK DOOR ASSEMBLY :
Removal and Installation".
- Partially remove the rear of the headlining. Refer to INT-30,
"Removal and Installation".
- Remove nuts and back door hinge.
INSTALLATION
Installation is in the reverse order of removal.
CAUTION:
- Tighten nuts to specification. Refer to DLK-365, "Exploded
View".
- Apply anticorrosive agent onto the surface between hinge and
body side.
- After installation, perform the back door assembly adjustment
procedure. Refer to DLK-367, "BACK
DOOR ASSEMBLY : Adjustment".
BACK DOOR WEATHER-STRIP
BACK DOOR WEATHER-STRIP : Removal and Installation
REMOVAL
Carefully remove back door weather-strip from opening door joint.
INSTALLATION
- Beginning with upper section, align weather-strip mark with
vehicle center position mark and install
weather strip to the vehicle.
- For the lower section, align weather-strip seam with center of
back door striker.
NOTE:
Pull weather-strip gently to ensure that there are no loose sections.
HOOD LOCK
Exploded View

- Hood lock release handle
- Hood lock release cable
- Hood lock
- Secondary latch
- Clip
HOOD LOCK
HOOD LOCK : Removal and Installation
REMOVAL
- Disconnect hood lock release cable and secondary latch cable from
hood lock.
- Remove bolts and hood lock.
INSTALLATION
Installation is in the reverse order of removal.
CAUTION:
- Tighten bolts to specified torque. Refer to DLK-370, "Exploded
View".
- Check that hood lock release cable and secondary latch cable
are properly engaged with hood lock.
- After installation, perform hood assembly adjustment procedure.
Refer to DLK-351, "HOOD ASSEMBLY
: Adjustment".
- After adjusting, perform hood lock inspection. Refer to
DLK-370, "HOOD LOCK : Inspection".
HOOD LOCK : Inspection
NOTE:
If the hood lock cable is bent or deformed, replace it.
- Check that secondary latch is properly engaged with secondary
striker with hoods own weight.
- While operating hood lock release handle, carefully check that the
front end of hood assembly is raised by
approximately 20.0 mm (0.79 in). Also check that hood lock release handle
returns to the original position.
- Check that hood lock release handle operates at 49 N (5.0 kg-m,
11.0 ft-lb) or below.
- Install so that static closing force of hood is 315-490 N (32.1-50.0
kg–m, 70.8-110.2 ft–lb).
NOTE:
- Do not exert vertical force on right side and left side of hood
lock.
- Do not press simultaneously on both sides.
- Check the hood lock lubrication condition. If necessary, apply a
suitable multi-purpose grease to hood lock
assembly.
SECONDARY LATCH
SECONDARY LATCH : Removal and Installation
REMOVAL
- Remove front grille. Refer to EXT-23, "Removal and Installation".
- Disconnect secondary latch cable from hood lock assembly.
- Remove bolts and secondary latch.
INSTALLATION
Installation is in the reverse order of removal.
CAUTION:
- Tighten bolts to specified torque. Refer to DLK-370, "Exploded
View".
- Check that secondary latch cable is properly engaged with hood
lock.
HOOD LOCK RELEASE CABLE
HOOD LOCK RELEASE CABLE : Removal and Installation
REMOVAL
- Remove fender protector (LH). Refer to EXT-28, "FENDER PROTECTOR :
Removal and Installation".
- Remove front grille. Refer to EXT-23, "Removal and Installation".
- Disconnect hood lock release cable from hood lock release handle
and hood lock.
- Release hood lock release cable clips using a suitable tool.
- Remove grommet on the lower dash and carefully pull the hood lock
release cable into the passenger
compartment.
CAUTION: While pulling, be careful not to damage (peel) the outside
of hood lock release cable.
INSTALLATION
Installation is in the reverse order of removal.
CAUTION:
- Be careful not to bend cable too much, keep the radius 100 mm
(3.94 in) or more.
- Check that cable is not offset from the positioning grommet,
and apply the sealant to the grommet (at * mark) properly.

- Check that hood lock release cable is properly engaged with hood lock
assembly.
- After installation, perform hood assembly adjustment procedure.
Refer to DLK-351, "HOOD ASSEMBLY
: Adjustment".
- After adjusting, perform hood lock inspection. Refer to
DLK-370, "HOOD LOCK : Inspection".
HOOD LOCK RELEASE HANDLE
HOOD LOCK RELEASE HANDLE : Removal and Installation
REMOVAL
- Remove fuel filler lid/hood lock release handle bolts (A).
- Disconnect fuel filler lid release cable (2) from fuel filler lid
release handle (1).
- Disconnect hood lock release cable (4) from hood lock release
handle (3).
- Remove hood lock release handle.

INSTALLATION
Installation is in the reverse order of removal.
FRONT DOOR LOCK
Exploded View

- Front door lock
- Inside handle
- Door key cylinder rod (LH only)
- Outside handle bracket
- Front gasket
- Outside handle
- Outside handle escutcheon / door key
cylinder (LH only)
- Rear gasket
- Clip
DOOR LOCK
DOOR LOCK : Removal and Installation
REMOVAL
- Remove front door finisher. Refer to INT-15, "Removal and
Installation".
- Remove vapor barrier.
- Remove front door lock bolts (A).

- Disconnect door key cylinder rod (LH only) (1) from front door
lock (2) (LH only).

- Disconnect door lock cables from inside handle and outside handle..
- Disconnect the harness connector from the front door lock and
remove.
INSTALLATION
Installation is in the reverse order of removal.
CAUTION:
- Do not reuse front door lock bolts.
- Tighten bolts to specification. Refer to DLK-373, "Exploded
View".
- After installation, check door lock cables are properly engaged
to inside handle and outside handle
bracket.
- When installing door key cylinder rod (LH only), be sure to
rotate door key cylinder rod holder until a
click is felt.
- After installation, check door open/close and lock/unlock
operation.
- Check door lock assembly for poor lubrication. If necessary
apply a suitable multi-purpose grease.
INSIDE HANDLE
INSIDE HANDLE : Removal and Installation
REMOVAL
- Remove front door finisher. Refer to INT-15, "Removal and
Installation".
- Remove inside handle bolt (B).
- Disconnect the door lock cables (A) and remove inside handle
(1).

INSTALLATION
Installation is in the reverse order of removal.
CAUTION:
- After installation, check door lock cables are properly engaged
to inside handle.
- After installation, check door open/close and lock/unlock
operation.
OUTSIDE HANDLE
OUTSIDE HANDLE : Removal and Installation
REMOVAL
- Fully close front door glass.
- Remove front door finisher. Refer to INT-15, "Removal and
Installation".
- Remove front door vapor barrier (1).
NOTE:
LH side shown; RH similar.

- Remove door side grommet (1), and remove bolt from grommet
hole (2).

- Separate door key cylinder rod (LH only) (1) from door key cylinder
assembly (LH only) (2).

- While pulling (1) outside handle, remove (2) door key cylinder
assembly (LH side) or outside handle escutcheon (RH side).

- While pulling outside handle (1), slide toward rear of vehicle to
remove outside handle.

- Remove front gasket and rear gasket.
- Slide outside handle bracket toward rear of vehicle to remove.

- Disconnect outside handle cable (1) from outside handle bracket
(2) as shown.

INSTALLATION
Installation is in the reverse order of removal.
CAUTION:
- When installing door key cylinder rod (LH only), be sure to
rotate door key cylinder rod holder until a
click is felt.
- After installation, check door lock cable is properly engaged
to outside handle bracket.
- After installation, check door open/close and lock/unlock
operation.
REAR DOOR LOCK
Exploded View

- Outside handle
- Outside handle escutcheon
- Rear gasket
- Rear door lock
- Cable clip
- Outside handle bracket
- Front gasket
Front
DOOR LOCK
DOOR LOCK : Removal and Installation
REMOVAL
- Remove rear door finisher. Refer to INT-18, "Removal and
Installation".
- Remove vapor barrier.
- Remove rear door lock bolts.
- Disconnect the door lock cables.
- Disconnect the harness connector from the rear door lock and
remove.
INSTALLATION
Installation is in the reverse order of removal.
CAUTION:
- Do not reuse rear door lock bolts.
- Tighten bolts to specification. Refer to DLK-377, "Exploded
View".
- After installation, check door lock cables are properly engaged to
inside handle and outside handle.
- After installation, check door open/close and lock/unlock operation.
INSIDE HANDLE
INSIDE HANDLE : Removal and Installation
REMOVAL
- Remove rear door finisher. Refer to INT-18, "Removal and Installation".
- Remove inside handle bolt (A).

- Disconnect door lock cables from inside handle and remove.
INSTALLATION
Installation is in the reverse order of removal.
CAUTION:
- After installation, check door lock cables are properly engaged
to inside handle.
- After installation, check door open/close and lock/unlock
operation.
OUTSIDE HANDLE
OUTSIDE HANDLE : Removal and Installation
REMOVAL
- Fully close rear door glass.
- Remove rear door finisher. Refer to INT-18, "Removal and
Installation".
- Remove rear door vapor barrier (1).
NOTE:
LH side shown; RH similar.

- Remove door side grommet and bolt from grommet hole.

- While pulling (1) outside handle, remove (2) outside handle
escutcheon.

- While pulling outside handle (1), slide toward rear of vehicle to
remove outside handle.

- Remove front gasket and rear gasket.
- Slide outside handle bracket toward rear of vehicle to remove.

- Disconnect outside handle cable (1) from outside handle bracket
(2) as shown.

INSTALLATION
Installation in the reverse order of removal.
CAUTION:
- After installation, check door lock cable is properly engaged
to outside handle bracket.
- After installation, check door open/close and lock/unlock
operation.
BACK DOOR LOCK
Exploded View

- Back door stay (RH)
- Back door lock
- Back door stay (LH)
- Back door
DOOR LOCK
DOOR LOCK : Removal and Installation
REMOVAL
- Remove back door finisher. Refer to INT-38, "Removal and
Installation".
- Disconnect the harness connector from the back door lock.
- Remove bolts and back door lock.
INSTALLATION
Installation is in the reverse order of removal.
CAUTION:
- Tighten bolts to specification. Refer to DLK-380, "Exploded
View".
- After installation, check back door open/close and lock/unlock
operation.
BACK DOOR STAY
BACK DOOR STAY : Removal and Installation
REMOVAL
- Support the back door using a suitable tool.
WARNING:
Body injury may occur if no supporting rod is holding the back door open
when removing the
back door stay.
- Releaase the metal clip (3) located on the connection between
the back door stay (1) and the stud ball (2) (back door side)
using a suitable tool (A).
- Remove the back door stay (back door side).

- Repeat procedure for removing back door stay from body side.
INSTALLATION
Installation is in the reverse order of removal.
CAUTION: After installation, check the back door open/close
operation.
EMERGENCY LEVER
EMERGENCY LEVER : Unlock procedures
UNLOCK PROCEDURES
NOTE:
If back door lock cannot be unlocked due to a malfunction or battery discharge,
perform the following procedures
to unlock back door assembly.
- From inside the vehicle, rotate emergency lever (1) in the
direction
shown to unlock.

FUEL FILLER LID OPENER
Exploded View

- Fuel filler lid release cable
- Fuel filler lid release handle
- Spring
- Bumper rubber
- Fuel filler lid lock
- Screw
FUEL FILLER LID
FUEL FILLER LID : Removal and Installation
REMOVAL
- Remove fuel cap pin (1).

- Remove screws(2) and fuel filler lid (1).

- Remove fuel filler lid spring (1) and bumper rubber (2) from fuel
filler lid (if necessary).

INSTALLATION
Installation is in the reverse order of removal.
CAUTION:
After installation, check fuel filler lid open/close, lock/unlock operation.
FUEL FILLER LID LOCK
FUEL FILLER LID LOCK : Removal and Installation
REMOVAL
- Remove luggage side lower finisher (RH). Refer to INT-34, "LUGGAGE
SIDE LOWER FINISHER :
Removal and Installation - With Third Row Seat" (With Third Row Seat) or
INT-35, "LUGGAGE SIDE
LOWER FINISHER : Removal and Installation - Without Third Row Seat" (Without
Third Row Seat).
- Disconnect the fuel filler lid release cable (1) from the fuel
filler
lid lock (2).
- Rotate fuel filler lid lock to release pawls and remove.
: Pawl

INSTALLATION
Installation is in the reverse order of removal.
CAUTION:
After installation, check fuel filler lid open/close, lock/unlock operation.
FUEL FILLER LID RELEASE CABLE
FUEL FILLER LID RELEASE CABLE : Removal and Installation
REMOVAL
- Partially remove front floor trim. Refer to INT-26, "Removal and
Installation".
- Remove rear floor trim. Refer to INT-26, "Removal and
Installation".
- Remove the fuel filler lid/hood lock release handle bolts (A)
- Disconnect the fuel filler lid release cable (2) from fuel filler
lid
release handle (1).

- Disconnect the fuel filler lid release cable (1) from fuel filler lid
lock (2).

- Release the clips and remove fuel filler lid release cable.
INSTALLATION
Installation is in the reverse order of removal.
CAUTION:
After installation, check fuel filler lid open/close, lock/unlock operation.
FUEL FILLER LID RELEASE HANDLE
FUEL FILLER LID RELEASE HANDLE : Removal and Installation
REMOVAL
- Remove fuel filler lid/hood lock release handle bolts (A).
- Disconnect fuel filler lid release cable (2) from fuel filler lid
release handle (1).
- Disconnect hood lock release cable (4) from hood lock release
handle (3).
- Remove fuel filler lid release handle.

INSTALLATION
Installation is in the reverse order of removal.
DOOR SWITCH
Removal and Installation
REMOVAL
- Remove the door switch bolt (A).
- Disconnect the harness connector from the door switch (1) and
remove.

INSTALLATION
Installation is in the reverse order of removal.
BACK DOOR WARNING CHIME
Removal and Installation
- REMOVAL Remove the rear bumper fascia. Refer to EXT-20, "Removal and
Installation".
- Disconnect the harness connector from the back door warning chime.
- Remove nuts (A) and back door warning chime (1).

INSTALLATION
Installation is in the reverse order of removal.
KEYFOB BATTERY
Removal and Installation
REPLACEMENT
- Remove screw from the rear of keyfob.
- Place the key with the lower case facing up. Use a suitable tool
wrapped with tape between upper case
and lower case and separate the lower case from the upper case.
CAUTION:
- Do not touch the circuit board or battery terminal. Doing so
could cause the keyfob to malfunction
- The keyfob is water-resistant. However, if it does get wet,
immediately wipe it dry.
- When replacing the circuit board assembly, remove circuit board
assembly from the upper case.
[Circuit board assembly: Switch rubber + Board surface]
CAUTION:
Do not touch the printed circuits directly.
- Remove the battery from the lower case and replace it.
Battery replacement : Coin-type lithium battery
(CR1620)
CAUTION:
When replacing battery, keep dirt, grease, and other foreign materials off the
electrode contact
area.
- After replacement, fit the lower and upper cases together and
tighten with the screw.
CAUTION:
After replacing the battery, Be sure to check that door locking operates
normally using the keyfob.
Refer to DLK-333, "Component Function Check".
POWER DOOR LOCK SYSTEM SYMPTOMS
Symptom Table
DOOR LOCK/UNLOCK FUNCTION MALFUNCTION
NOTE:
Before performing the diagnosis in the following table, check
“WORK FLOW”. Refer to DLK-31 ...
Other materials:
Diagnosis and repair work flow
Work Flow
OVERALL SEQUENCE
DETAILED FLOW
1.INTERVIEW THE CUSTOMER FOR THE SYMPTOM
Interview the customer for the symptom (the condition and the environment
when the incident/malfunction
occurs).
>> GO TO 2.
2.CHECK SYMPTOM
Check the symptom from the customer information.
> ...
B0092 rear side air bag satellite sensor LH
Description
DTC B0092 REAR SATELLITE SENSOR LH
The rear side air bag satellite sensor LH is wired to the air bag diagnosis
sensor unit. The air bag diagnosis
sensor unit will monitor the rear side air bag satellite sensor LH for internal
failures and its circuits for communication
errors.
P ...
Rear disc brake
BRAKE PAD
BRAKE PAD : Inspection
INSPECTION
Check brake pad wear thickness from an inspection hole (A) on cylinder
body. Check using a scale if necessary.
Wear thickness : Refer to BR-55, "Rear Disc Brake".
DISC BRAKE ROTOR
DISC BRAKE ROTOR : Inspection
Appearance
Check surfac ...
© 2014-2026 Copyright t32.nirogue.com