Nissan Rogue Service Manual: Removal and installation
HOOD
Exploded View

- Hood hinge (RH)
- Hood
- Hood side seal
- Hood front seal
- Hood center seal
- Bumper rubber
- Hood insulator
- Hood rod clamp
- Hood support rod
- Hood rod grommet
- Hood hinge (LH)
HOOD ASSEMBLY
HOOD ASSEMBLY : Removal and Installation
CAUTION:
- Use two people when removing or installing hood assembly due to
its heavy weight.
- Use protective tape or shop cloths to protect surrounding
components from damage during removal
and installation of hood assembly.
REMOVAL
- Support the hood assembly using a suitable tool.
WARNING:
Bodily injury may occur if hood assembly is not supported properly when
removing hood assembly.
- Remove hood hinge to hood nuts (A) and hood assembly.
NOTE:
RH side shown; LH similar.

INSTALLATION
Installation is in the reverse order of removal.
CAUTION:
- Before installing the hood hinge, apply anticorrosive agent
onto the surface of the vehicle.
- After installation, perform the hood assembly adjustment
procedure. Refer to DLK-234, "HOOD
ASSEMBLY : Adjustment".
HOOD ASSEMBLY : Adjustment

- Hood assembly
- Front grille
- Front combination lamp
- Fender
- Bumper rubber
- Hood hinge
- Hood lock
Check the clearance and the surface height between hood and each part by
visual inspection and tactile feel.
If the clearance and the surface height are out of specification, adjust them
according to the adjustment procedures.

HEIGHT ADJUSTMENT
- Loosen the hood lock assembly bolts.
- Adjust the surface height of hood assembly to front grille and
front fender according to the specified values
by rotating hood bumper rubber.
- Temporarily tighten hood lock assembly bolts.
- Adjust (A) and (B) as shown to the following value with hood's own
weight by dropping it from approximately
200 mm (7.87 in) height or by pressing hood lightly [approximately 29 N (3.0
kg, 6.5 lb)].

- Secondary striker
- Primary striker
- Hood assembly
- 20 mm (0.79 in)
- 6.8 mm (0.27 in)
- After adjustment, tighten hood hinge nuts and bolts to the specified
torque.
CAUTION:
- Check hood hinge rotating part for poor lubrication. If
necessary, apply a suitable multi-purpose
grease.
- After adjusting, apply touch-up paint (body color) to the head
of hood hinge bolts and nuts.
CLEARANCE ADJUSTMENT
- Loosen hood hinge nuts and bolts.
- Loosen the hood lock assembly bolts.
- Adjust the hood assembly so the clearance measurements are within
specifications.
- Tighten the hood hinge nuts and bolts to specified torque.
- Tighten the hood lock assembly bolts to specified torque.
HOOD HINGE
HOOD HINGE : Removal and Installation
REMOVAL
- Remove hood assembly. Refer to DLK-233, "HOOD ASSEMBLY : Removal
and Installation".
- Remove front fender. Refer to DLK-238, "Removal and Installation".
- Remove hood hinge bolts, and then remove hood hinge.
INSTALLATION
Installation is in the reverse order of removal.
CAUTION:
- Before installing the hood hinge, apply anticorrosive agent
onto the surface of the vehicle.
- After installation, perform hood assembly adjustment procedure.
Refer to DLK-234, "HOOD ASSEMBLY
: Adjustment".
RADIATOR CORE SUPPORT
Exploded View

- Radiator core upper support
- Secondary latch bracket
- Radiator core lower support
Removal and Installation
CAUTION:
When removing radiator core support upper, be careful not to damage the painted
surface.
REMOVAL
Radiator Core Upper Support
- Remove front combination lamp (LH). Refer to EXL-119, "Removal and
Installation".
- Remove front air duct. Refer to EM-24, "Exploded View".
- Remove hood lock. Refer to DLK-253, "HOOD LOCK : Removal and
Installation".
- Remove secondary latch. Refer to DLK-254, "SECONDARY LATCH :
Removal and Installation".
- Remove crash zone sensor. Refer to SR-22, "Removal and
Installation".
- Remove bolts and radiator core upper support.
Radiator Core Lower Support
- Remove front bumper fascia. Refer to EXT-17, "Removal and
Installation".
- Support the radiator using a suitable tool.
- Remove bolts and radiator core lower support.
INSTALLATION
Installation is in the reverse order of removal.
CAUTION:
Tighten bolts to specified torque. Refer to DLK-237, "Exploded View".
FRONT FENDER
Exploded View

- Front fender
Removal and Installation
CAUTION:
Use a shop cloths to protect the body from being damaged during removal and
installation.
REMOVAL
- Remove front bumper fascia. Refer to EXT-17, "Removal and
Installation".
- Remove front combination lamp. Refer to EXL-119, "Removal and
Installation" (HALOGEN HEADLAMP)
or EXL-268, "Removal and Installation". (LED HEADLAMP).
- Remove center mudguard. Refer to EXT-35, "Removal and Installation
- Center Mudguard".
- Remove screws (A) and front fender bracket (1).

- Remove bolts and front fender.
CAUTION:
Use care when removing the front fender. The front fender baffle foam adheres
the front fender to
the body side outer. Carefully release the baffle foam or damage to the front
fender may occur.
INSTALLATION
Installation is in the reverse order of removal.
CAUTION:
- After installation apply touch up paint (body color) to the
head of front fender bolts.
- After installation, adjust the following components as
necessary:
- Hood assembly: Refer to DLK-234, "HOOD ASSEMBLY : Adjustment".
- Front door: Refer to DLK-241, "DOOR ASSEMBLY : Adjustment".
- Tighten bolts to specification. Refer to DLK-238, "Exploded View".
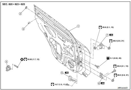
FRONT DOOR
Exploded View

- Front door panel
- Grommet
- Bumper rubber
- Door striker
- Door check link
- Front door lower hinge
- Front door upper hinge
DOOR ASSEMBLY
DOOR ASSEMBLY : Removal and Installation
CAUTION:
- Use two people when removing or installing the front door due
to its heavy weight.
- When removing and installing front door assembly, support front
door with a suitable tool.
REMOVAL
- Remove front door finisher. Refer to INT-15, "Removal and
Installation".
- Remove front door vapor barrier (1).
NOTE:
LH side shown; RH similar.

- Disconnect the harness connectors from the front door.
- Remove front door harness grommet, then harness from the front
door.
- Remove front door check link bolt (body side).
- Remove front door hinge nuts (door side) and front door assembly.
INSTALLATION
Installation is in the reverse order of removal.
CAUTION:
- Tighten nuts/bolts to specified torque. Refer to DLK-240,
"Exploded View".
- Apply anticorrosive agent where necessary.
- After installation, check front door open/close and lock/unlock
operation.
- After installation, perform the front door adjustment
procedure. Refer to DLK-241, "DOOR ASSEMBLY
: Adjustment".
DOOR ASSEMBLY : Adjustment
ADJUSTMENT

- Front fender
- Front door
- Rear door
- Body side outer
- Front door upper hinge
- Front door lower hinge
- Door striker
- Front door striker bolts
Check the clearance and surface height between front door and each part by
visual inspection and tactile feel.
If the clearance and the surface height are out of specification, adjust them
according to the adjustment procedure.

- Remove front fender. Refer to DLK-238, "Removal and Installation".
- Loosen front door hinge nuts (door side).
- Adjust the surface height of front door according to the
specifications provided.
- Temporarily tighten front door hinge nuts (door side).
- Loosen front door hinge bolts (body side).
- Raise front door at rear end to adjust clearance of the front door
according to the specifications provided.
- After adjustment tighten bolts and nuts to the specified torque.
CAUTION:
- Check door hinge rotating point for poor lubrication. If
necessary, apply a suitable multi-purpose
grease.
- After adjusting, apply touch-up paint (body color) to the head
of front door hinge bolts and nuts.
- Install front fender. Refer to refer to DLK-238, "Removal and
Installation".
DOOR STRIKER
DOOR STRIKER : Removal and Installation
REMOVAL
Remove bolts and front door striker.
INSTALLATION
Installation is in the reverse order of removal.
CAUTION:
DOOR STRIKER : Adjustment
DOOR STRIKER ADJUSTMENT
- Loosen door striker bolts
- Adjust door striker so that it becomes parallel with front door
lock
insertion direction.

- Tighten door striker bolts to specification. Refer to DLK-240, "Exploded
View".
DOOR HINGE
DOOR HINGE : Removal and Installation
REMOVAL
- Remove front fender. Refer to DLK-238, "Removal and Installation".
- Remove front door assembly. Refer to DLK-240, "DOOR ASSEMBLY :
Removal and Installation".
- Remove front door hinge bolts (body side) and front door hinge.
INSTALLATION
Installation is in the reverse order of removal.
CAUTION:
- Tighten nuts/bolts to specified torque. Refer to DLK-240,
"Exploded View".
- Apply anticorrosive agent to the hinge mating surface.
- After installation, check front door open/close and lock/unlock
operation.
- Check door hinge rotating point for poor lubrication. If
necessary, apply a suitable multi-purpose
grease.
- After installation, perform the front door adjustment
procedure. Refer to DLK-241, "DOOR ASSEMBLY
: Adjustment".
DOOR CHECK LINK
DOOR CHECK LINK : Removal and Installation
REMOVAL
- Fully close the front door window.
- Remove front door speaker. Refer to AV-67, "Removal and
Installation" (DISPLAY AUDIO), AV-213,
"Removal and Installation" (NAVIGATION WITHOUT BOSE) or AV-381, "Removal and
Installation" (NAVIGATION
WITH BOSE).
- Remove door check link bolt (body side).
- Remove door check link bolts (door side).
- Remove door check link through the hole in door assembly.
INSTALLATION
Installation is in the reverse order of removal.
CAUTION:
- Tighten nuts/bolts to specified torque. Refer to DLK-240,
"Exploded View".
- After installation, check front door open/close and lock/unlock
operation.
- Check door check link rotating point for poor lubrication. If
necessary, apply a suitable multi-purpose
grease.
REAR DOOR
Exploded View

- Rear door panel
- Grommet
- Bumper rubber
- Door striker
- Door check link
- Rear door lower hinge
- Rear door upper hinge
DOOR ASSEMBLY
DOOR ASSEMBLY : Removal and Installation
CAUTION:
- Use two people when removing or installing the rear door due to
its heavy weight.
- When removing and installing rear door assembly, support rear
door using a suitable tool.
REMOVAL
- Remove rear door finisher. Refer to DLK-244, "DOOR ASSEMBLY :
Removal and Installation".
- Remove rear door vapor barrier (1).
NOTE:
LH side shown; RH similar.

- Disconnect the harness connectors from rear door.
- Remove harness grommet from rear door, then pull out rear door
harness from the rear door.
- Remove rear door check link bolt (body side).
- Remove rear door hinge nuts (door side) and rear door assembly.
INSTALLATION
Installation is in the reverse order of removal.
CAUTION:
- Tighten nuts/bolts to specification. Refer to DLK-244,
"Exploded View".
- Apply anticorrosive agent where necessary.
- After installation, check rear door open/close and lock/unlock
operation.
- After installation, perform the rear door adjustment procedure.
Refer to DLK-245, "DOOR ASSEMBLY
: Adjustment".
DOOR ASSEMBLY : Adjustment

- Front fender
- Front door
- Rear door
- Body side outer
- Door striker
- Rear door upper hinge
- Rear door lower hinge
- Door striker bolts
Check the clearance and surface height between rear door and each part by
visual inspection and tactile feel.
If the clearance and the surface height are out of specification, adjust them
according to the adjustment procedures.

- Remove center pillar lower finisher. Refer to INT-22, "CENTER PILLAR
LOWER FINISHER : Removal
and Installation".
- Loosen rear door hinge nuts (door side).
- Adjust the surface height of rear door according to specifications
provided.
- Temporarily tighten rear door hinge nuts (door side).
- Loosen rear door hinge nuts and bolts (body side).
- Raise rear door at rear end to adjust clearance of rear door
according to the specifications provided.
- After adjustment tighten bolts and nuts to the specified torque.
CAUTION:
- Check rear door hinge rotating point for poor lubrication. If
necessary, apply a suitable multi-purpose
grease.
- After adjusting, apply touch-up paint (body color) to the head
of rear door hinge bolts and nuts.
- Install center pillar lower finisher. Refer to INT-22, "CENTER PILLAR
LOWER FINISHER : Removal and
Installation".
DOOR STRIKER
DOOR STRIKER : Removal and Installation
REMOVAL
Remove bolts and rear door striker.
INSTALLATION
Installation is in the reverse order of removal.
CAUTION:
- Do not reuse rear door striker bolts.
- Tighten bolts to specification. Refer to DLK-244, "Exploded
View".
- After installation, check rear door open/close operation. If
necessary, adjust the door striker. Refer to
DLK-246, "DOOR STRIKER : Adjustment".
DOOR STRIKER : Adjustment
DOOR STRIKER ADJUSTMENT
- Loosen door striker bolts
- Adjust door striker so that it becomes parallel with front door
lock
insertion direction.

- Tighten door striker bolts to specification. Refer to DLK-244, "Exploded
View".
DOOR HINGE
DOOR HINGE : Removal and Installation
REMOVAL
- Remove rear door assembly. Refer to DLK-244, "DOOR ASSEMBLY :
Removal and Installation".
- Remove center pillar lower finisher (rear door lower hinge only).
Refer to INT-22, "CENTER PILLAR
LOWER FINISHER : Removal and Installation".
- Remove rear door hinge bolts and nuts and rear door hinge.
INSTALLATION
Installation is in the reverse order of removal.
CAUTION:
- Tighten nuts/bolts to specification. Refer to DLK-244,
"Exploded View".
- Apply anticorrosive agent onto the hinge mating surface.
- After installation, check rear door open/close and lock/unlock
operation.
- After installation, perform the rear door adjustment procedure.
Refer to DLK-245, "DOOR ASSEMBLY
: Adjustment".
DOOR CHECK LINK
DOOR CHECK LINK : Removal and Installation
REMOVAL
- Fully close the rear door window.
- Remove rear door speaker. Refer to AV-68, "Removal and
Installation" (DISPLAY AUDIO), AV-214,
"Removal and Installation" (NAVIGATION WITHOUT BOSE) or AV-383, "Removal and
Installation" (NAVIGATION
WITH BOSE).
- Remove rear door check link bolt (body side).
- Remove rear door check link bolts (door side).
- Remove rear door check link through the hole in rear door panel.
INSTALLATION
Installation is in the reverse order of removal.
CAUTION:
- Tighten bolts to specification. Refer to DLK-244, "Exploded
View".
- After installation, check rear door open/close and lock/unlock
operation.
- Check rear door check link rotating point for poor lubrication.
If necessary, apply a suitable multipurpose
grease.
BACK DOOR
Exploded View

- Back door hinge
- Back door striker
- Spindle unit hinge (with automatic
back door)
- Back door stay hinge
- Bumper rubber
- Back door
BACK DOOR ASSEMBLY
BACK DOOR ASSEMBLY : Removal and Installation
CAUTION:
- Use two people when removing or installing the back door due to
its heavy weight.
- Use shop cloths to protect surrounding components from damage
during removal and installation of
back door.
REMOVAL
- Support the back door assembly using a suitable tool.
WARNING:
Bodily injury may occur if back door assembly is not supported properly when
removing the back
door spindle unit.
- Remove spindle units (LH/RH) or back door stays (LH/RH). Refer to
DLK-263, "SPINDLE UNIT : Removal
and Installation" (WITH AUTOMATIC BACK DOOR) or DLK-264, "BACK DOOR STAY :
Removal and
Installation" (WITHOUT AUTOMATIC BACK DOOR).
- Remove roof side moldings (LH/RH). Refer to EXT-39, "Removal and
Installation".
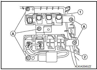
- Disconnect harness connectors (A) from back door.

- Remove back door harness grommet, then pull harness from the back door.
- Disconnect washer tube.
- Remove washer tube grommet and washer tube from the back door.
- Remove back door hinge bolts (door side) and back door assembly.
INSTALLATION
Installation is in the reverse order of removal.
CAUTION:
- Tighten bolts to specification. Refer to DLK-248, "Exploded
View".
- Apply anticorrosive agent onto the surface between hinge and
door side.
- When reusing stud ball, always apply locking sealant before
installing stud ball to back door.
- After installation, perform the back door assembly adjustment
procedure. Refer to DLK-250, "BACK
DOOR ASSEMBLY : Adjustment".
- Perform calibration of automatic back door position
information. Refer to DLK-103, "Work Procedure".
BACK DOOR ASSEMBLY : Adjustment

- Back door assembly
- Roof panel
- Rear spoiler
- Back door glass
- Rear combination lamp
- Back-up lamp
- Rear fender
- Side spoiler
Check the clearance and the surface height between back door and each part by
visual inspection and tactile
feel. If the clearance and the surface height are out of specification, adjust
them according to the adjustment
procedure.
- Loosen back door hinge nuts (door side).
- Lift up back door approximately 100 – 150 mm (3.94 – 5.91 in)
height then close it lightly and check that it
is engaged firmly with back door closed.
- Check the clearance and surface height according to the
specifications provided.
- Tighten back door hinge nuts to specified torque.
CAUTION:
- After installation, check back door open/close, lock/unlock
operation.
- Check back door hinge rotating point for poor lubrication. If
necessary, apply a suitable multipurpose
grease.
- After adjusting, apply touch-up paint (body color) to the head
of rear door hinge bolts and nuts.
BACK DOOR STRIKER
BACK DOOR STRIKER : Removal and Installation
REMOVAL
- Release back door striker cover (1) pawls using a suitable tool
and remove.
: Pawl

- Remove bolts and back door striker.
INSTALLATION
Installation is in the reverse order of removal.
CAUTION:
- Do not reuse back door striker bolts.
- Tighten bolts to specification. Refer to DLK-248, "Exploded
View".
- After installation, check back door open/close operation. If
necessary, adjust the door striker. Refer
to DLK-251, "BACK DOOR STRIKER : Adjustment".
BACK DOOR STRIKER : Adjustment

DOOR STRIKER ADJUSTMENT
- Loosen door striker bolts
- Adjust door striker so that it becomes parallel with front door lock
insertion direction.

- Tighten door striker bolts to specification. Refer to DLK-248, "Exploded
View".
BACK DOOR HINGE
BACK DOOR HINGE : Removal and Installation
REMOVAL
- Remove back door assembly. Refer to DLK-248, "BACK DOOR ASSEMBLY :
Removal and Installation".
- Partially remove the rear of the headlining. Refer to INT-30,
"Removal and Installation".
- Remove nuts and back door hinge.
INSTALLATION
Installation is in the reverse order of removal.
CAUTION:
- Tighten nuts to specification. Refer to DLK-248, "Exploded
View".
- Apply anticorrosive agent onto the surface between hinge and
body side.
- After installation, perform the back door assembly adjustment
procedure. Refer to DLK-250, "BACK
DOOR ASSEMBLY : Adjustment".
BACK DOOR WEATHER-STRIP
BACK DOOR WEATHER-STRIP : Removal and Installation
REMOVAL
Carefully remove back door weather-strip from opening door joint.
INSTALLATION
- Beginning with upper section, align weather-strip mark with
vehicle center position mark and install
weather strip to the vehicle.
- For the lower section, align weather-strip seam with center of
back door striker.
NOTE:
Pull weather-strip gently to ensure that there are no loose sections.
HOOD LOCK
Exploded View

- Hood lock release handle
- Hood lock release cable
- Hood lock
- Secondary latch
- Clip
HOOD LOCK
HOOD LOCK : Removal and Installation
REMOVAL
- Disconnect hood lock release cable and secondary latch cable from
hood lock.
- Remove bolts and hood lock.
INSTALLATION
Installation is in the reverse order of removal.
CAUTION:
- Tighten bolts to specified torque. Refer to DLK-253, "Exploded
View".
- Check that hood lock release cable and secondary latch cable
are properly engaged with hood lock.
- After installation, perform hood assembly adjustment procedure.
Refer to DLK-234, "HOOD ASSEMBLY
: Adjustment".
- After adjusting, perform hood lock inspection. Refer to
DLK-253, "HOOD LOCK : Inspection".
HOOD LOCK : Inspection
NOTE:
If the hood lock cable is bent or deformed, replace it.
- Check that secondary latch is properly engaged with secondary
striker with hoods own weight.
- While operating hood lock release handle, carefully check that the
front end of hood assembly is raised by
approximately 20.0 mm (0.79 in). Also check that hood lock release handle
returns to the original position.
- Check that hood lock release handle operates at 49 N (5.0 kg-m,
11.0 ft-lb) or below.
- Install so that static closing force of hood is 315-490 N (32.1-50.0
kg–m, 70.8-110.2 ft–lb).
NOTE:
- Do not exert vertical force on right side and left side of hood
lock.
- Do not press simultaneously on both sides.
- Check the hood lock lubrication condition. If necessary, apply a
suitable multi-purpose grease to hood lock
assembly.
SECONDARY LATCH
SECONDARY LATCH : Removal and Installation
REMOVAL
- Remove front grille. Refer to EXT-23, "Removal and Installation".
- Disconnect secondary latch cable from hood lock assembly.
- Remove bolts and secondary latch.
INSTALLATION
Installation is in the reverse order of removal.
CAUTION:
- Tighten bolts to specified torque. Refer to DLK-253, "Exploded
View".
- Check that secondary latch cable is properly engaged with hood
lock.
HOOD LOCK RELEASE CABLE
HOOD LOCK RELEASE CABLE : Removal and Installation
REMOVAL
- Remove fender protector (LH). Refer to EXT-28, "FENDER PROTECTOR :
Removal and Installation".
- Remove front grille. Refer to EXT-23, "Removal and Installation".
- Disconnect hood lock release cable from hood lock release handle
and hood lock.
- Release hood lock release cable clips using a suitable tool.
- Remove grommet on the lower dash and carefully pull the hood lock
release cable into the passenger
compartment.
CAUTION:
While pulling, be careful not to damage (peel) the outside of hood lock release
cable.
INSTALLATION
Installation is in the reverse order of removal.
CAUTION:
- Be careful not to bend cable too much, keep the radius 100 mm
(3.94 in) or more.
- Check that cable is not offset from the positioning grommet,
and apply the sealant to the grommet (at * mark) properly.

- Check that hood lock release cable is properly engaged with hood lock
assembly.
- After installation, perform hood assembly adjustment procedure.
Refer to DLK-234, "HOOD ASSEMBLY
: Adjustment".
- After adjusting, perform hood lock inspection. Refer to
DLK-253, "HOOD LOCK : Inspection".
HOOD LOCK RELEASE HANDLE
HOOD LOCK RELEASE HANDLE : Removal and Installation
REMOVAL
- Remove fuel filler lid/hood lock release handle bolts (A).
- Disconnect fuel filler lid release cable (2) from fuel filler lid
release handle (1).
- Disconnect hood lock release cable (4) from hood lock release
handle (3).
- Remove hood lock release handle.

INSTALLATION
Installation is in the reverse order of removal.
FRONT DOOR LOCK
Exploded View

- Front door lock
- Inside handle
- Door key cylinder rod (LH only)
- Outside handle bracket
- Front gasket
- Outside handle
- Outside handle escutcheon / door key
cylinder (LH only)
- Rear gasket
- Clip
DOOR LOCK
DOOR LOCK : Removal and Installation
REMOVAL
- Remove front door finisher. Refer to INT-15, "Removal and
Installation".
- Remove vapor barrier.
- Remove front door lock bolts (A).

- Disconnect door key cylinder rod (LH only) (1) from front door
lock (2) (LH only).

- Disconnect door lock cables from inside handle and outside handle..
- Disconnect the harness connector from the front door lock and
remove.
INSTALLATION
Installation is in the reverse order of removal.
CAUTION:
- Do not reuse front door lock bolts.
- Tighten bolts to specification. Refer to DLK-256, "Exploded
View".
- After installation, check door lock cables are properly engaged
to inside handle and outside handle
bracket.
- When installing door key cylinder rod (LH only), be sure to
rotate door key cylinder rod holder until a
click is felt.
- After installation, check door open/close and lock/unlock
operation.
- Check door lock assembly for poor lubrication. If necessary
apply a suitable multi-purpose grease.
INSIDE HANDLE
INSIDE HANDLE : Removal and Installation
REMOVAL
- Remove front door finisher. Refer to INT-15, "Removal and
Installation".
- Remove inside handle bolt (B).
- Disconnect the door lock cables (A) and remove inside handle
(1).

INSTALLATION
Installation is in the reverse order of removal.
CAUTION:
- After installation, check door lock cables are properly engaged
to inside handle.
- After installation, check door open/close and lock/unlock
operation.
OUTSIDE HANDLE
OUTSIDE HANDLE : Removal and Installation
REMOVAL
- Fully close front door glass.
- Remove front door finisher. Refer to INT-15, "Removal and
Installation".
- Remove front door vapor barrier (1).
NOTE:
LH side shown; RH similar.

- Remove door side grommet (1), and remove bolt from grommet
hole (2).

- Separate door key cylinder rod (LH only) (1) from door key cylinder
assembly (LH only) (2).

- While pulling (1) outside handle, remove (2) door key cylinder
assembly (LH side) or outside handle escutcheon (RH side).

- While pulling outside handle (1), slide toward rear of vehicle to
remove outside handle.

- Remove front gasket and rear gasket.
- Slide outside handle bracket toward rear of vehicle to remove.

- Disconnect outside handle cable (1) from outside handle bracket
(2) as shown.

INSTALLATION
Installation is in the reverse order of removal.
CAUTION:
- When installing door key cylinder rod (LH only), be sure to
rotate door key cylinder rod holder until a
click is felt.
- After installation, check door lock cable is properly engaged
to outside handle bracket.
- After installation, check door open/close and lock/unlock
operation.
REAR DOOR LOCK
Exploded View

- Outside handle
- Outside handle escutcheon
- Rear gasket
- Rear door lock
- Cable clip
- Outside handle bracket
- Front gasket
Front
DOOR LOCK
DOOR LOCK : Removal and Installation
REMOVAL
- Remove rear door finisher. Refer to INT-18, "Removal and
Installation".
- Remove vapor barrier.
- Remove rear door lock bolts.
- Disconnect the door lock cables.
- Disconnect the harness connector from the rear door lock and
remove.
INSTALLATION
Installation is in the reverse order of removal.
CAUTION:
- Do not reuse rear door lock bolts.
- Tighten bolts to specification. Refer to DLK-260, "Exploded
View".
- After installation, check door lock cables are properly engaged
to inside handle and outside handle.
- After installation, check door open/close and lock/unlock
operation.
INSIDE HANDLE
INSIDE HANDLE : Removal and Installation
REMOVAL
- Remove rear door finisher. Refer to INT-18, "Removal and Installation".
- Remove inside handle bolt (A).

- Disconnect door lock cables from inside handle and remove.
INSTALLATION
Installation is in the reverse order of removal.
CAUTION:
- After installation, check door lock cables are properly engaged
to inside handle.
- After installation, check door open/close and lock/unlock
operation.
OUTSIDE HANDLE
OUTSIDE HANDLE : Removal and Installation
REMOVAL
- Fully close rear door glass.
- Remove rear door finisher. Refer to INT-18, "Removal and
Installation".
- Remove rear door vapor barrier (1).
NOTE:
LH side shown; RH similar.

- Remove door side grommet and bolt from grommet hole.

- While pulling (1) outside handle, remove (2) outside handle
escutcheon.

- While pulling outside handle (1), slide toward rear of vehicle to
remove outside handle.

- Remove front gasket and rear gasket.
- Slide outside handle bracket toward rear of vehicle to remove.

- Disconnect outside handle cable (1) from outside handle bracket
(2) as shown.

INSTALLATION
Installation in the reverse order of removal.
CAUTION:
- After installation, check door lock cable is properly engaged
to outside handle bracket.
- After installation, check door open/close and lock/unlock
operation.
BACK DOOR LOCK
Exploded View

- Spindle unit (RH) (with automatic
back door)
- Back door stay (RH)
- Back door touch sensor (RH) (with
automatic back door)
- Back door lock
- Back door lock (with automatic back
door)
- Back door touch sensor (LH) (with
automatic back door)
- Back door
- Back door stay (LH)
- Spindle unit (LH) (with automatic
back door)
DOOR LOCK
DOOR LOCK : Removal and Installation
REMOVAL
- Remove back door finisher. Refer to INT-38, "Removal and
Installation".
- Disconnect the harness connector from the back door lock.
- Remove bolts and back door lock.
INSTALLATION
Installation is in the reverse order of removal.
CAUTION:
- Tighten bolts to specification. Refer to DLK-263, "Exploded
View".
- After installation, check back door open/close and lock/unlock
operation.
SPINDLE UNIT
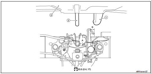
SPINDLE UNIT : Removal and Installation
REMOVAL
- Support back door using a suitable tool.
WARNING:
Bodily injury may occur if the back door is not supported properly when
removing the back door
spindle unit.
- Partially remove headlining (rear edge). Refer to INT-29, "Exploded
View".
- Remove ball socket spring (B) from spindle unit (1) using a
suitable
tool (A).

- Disconnect the harness connector from the spindle unit and remove.
INSTALLATION
Installation is in the reverse order of removal.
CAUTION:
- When reusing stud ball, always apply locking sealant before
installing stud ball to back door.
- After installation, check back door open/close, lock/unlock
operation.
- Perform calibration of automatic back door position
information. Refer to DLK-103, "Work Procedure".
BACK DOOR STAY
BACK DOOR STAY : Removal and Installation
REMOVAL
- Support the back door using a suitable tool.
WARNING:
Body injury may occur if no supporting rod is holding the back door open
when removing the
back door stay.
- Releaase the metal clip (3) located on the connection between
the back door stay (1) and the stud ball (2) (back door side)
using a suitable tool (A).
- Remove the back door stay (back door side).

- Repeat procedure for removing back door stay from body side.
INSTALLATION
Installation is in the reverse order of removal.
CAUTION:
After installation, check the back door open/close operation.
TOUCH SENSOR
TOUCH SENSOR : Removal and Installation
CAUTION:
Use care not to bend touch sensor.
REMOVAL
- Release the spindle unit from the stud ball (with power back door).
- Release the back door stay from the stud ball (without power back
door).
- Release touch sensor clips using a suitable tool.
- Disconnect the harness connector from the touch sensor and remove.
INSTALLATION
Installation is in the reverse order of removal.
CAUTION:
After installation, check back door open/close and lock/unlock operation.
EMERGENCY LEVER
EMERGENCY LEVER : Unlock procedures
UNLOCK PROCEDURES
NOTE:
If back door lock cannot be unlocked due to a malfunction or battery discharge,
perform the following procedures
to unlock back door assembly.
- From inside the vehicle, rotate emergency lever (1) in the
direction
shown to unlock.

FUEL FILLER LID OPENER
Exploded View

- Fuel filler lid release cable
- Fuel filler lid release handle
- Spring
- Bumper rubber
- Fuel filler lid lock
- Screw
FUEL FILLER LID
FUEL FILLER LID : Removal and Installation

REMOVAL
- Remove fuel cap pin (1).
- Remove screws(2) and fuel filler lid (1).

- Remove fuel filler lid spring (1) and bumper rubber (2) from fuel
filler lid (if necessary).

INSTALLATION
Installation is in the reverse order of removal.
CAUTION:
After installation, check fuel filler lid open/close, lock/unlock operation.
FUEL FILLER LID LOCK
FUEL FILLER LID LOCK : Removal and Installation
REMOVAL
- Remove luggage side lower finisher (RH). Refer to INT-34, "LUGGAGE
SIDE LOWER FINISHER :
Removal and Installation - With Third Row Seat" (With Third Row Seat) or
INT-35, "LUGGAGE SIDE
LOWER FINISHER : Removal and Installation - Without Third Row Seat" (Without
Third Row Seat).
- Disconnect the fuel filler lid release cable (1) from the fuel
filler
lid lock (2).
- Rotate fuel filler lid lock to release pawls and remove.
: Pawl

INSTALLATION
Installation is in the reverse order of removal.
CAUTION:
After installation, check fuel filler lid open/close, lock/unlock operation.
FUEL FILLER LID RELEASE CABLE
FUEL FILLER LID RELEASE CABLE : Removal and Installation
REMOVAL
- Partially remove front floor trim. Refer to INT-26, "Removal and
Installation".
- Remove rear floor trim. Refer to INT-26, "Removal and
Installation".
- Remove the fuel filler lid/hood lock release handle bolts (A)
- Disconnect the fuel filler lid release cable (2) from fuel filler
lid
release handle (1).

- Disconnect the fuel filler lid release cable (1) from fuel filler lid
lock (2).

- Release the clips and remove fuel filler lid release cable.
INSTALLATION
Installation is in the reverse order of removal.
CAUTION:
After installation, check fuel filler lid open/close, lock/unlock operation.
FUEL FILLER LID RELEASE HANDLE
FUEL FILLER LID RELEASE HANDLE : Removal and Installation
REMOVAL
- Remove fuel filler lid/hood lock release handle bolts (A).
- Disconnect fuel filler lid release cable (2) from fuel filler lid
release handle (1).
- Disconnect hood lock release cable (4) from hood lock release
handle (3).
- Remove fuel filler lid release handle.

INSTALLATION
Installation is in the reverse order of removal.
DOOR SWITCH
Removal and Installation
REMOVAL
- Remove the door switch bolt (A).
- Disconnect the harness connector from the door switch (1) and
remove.

INSTALLATION
Installation is in the reverse order of removal.
DOOR REQUEST SWITCH
DRIVER SIDE
DRIVER SIDE : Removal and Installation
The driver side door request switch and driver side outside handle are
serviced as an assembly. Refer to DLK-
257, "OUTSIDE HANDLE : Removal and Installation".
PASSENGER SIDE
PASSENGER SIDE : Removal and Installation
The passenger side door request switch and passenger side outside handle are
serviced as an assembly.
Refer to DLK-257, "OUTSIDE HANDLE : Removal and Installation".
BACK DOOR
BACK DOOR : Removal and Installation
REMOVAL
- Remove back door finisher. Refer to INT-38, "Removal and
Installation".
- Disconnect the harness connector from the back door request
switch.
- Release pawls and remove back door request switch.
INSTALLATION
Installation is in the reverse order of removal.
INSIDE KEY ANTENNA
INSTRUMENT CENTER
INSTRUMENT CENTER : Removal and Installation
REMOVAL
- Remove front air control or A/C switch assembly. Refer to HAC-181,
"Removal and Installation" (MANUAL
AIR CONDITIONING) or HAC-102, "Removal and Installation" (AUTOMATIC AIR
CONDITONING).
- Disconnect the harness connector from the inside key antenna
(instrument center).
- Release pawls and remove inside key antenna (instrument center).
INSTALLATION
Installation is in the reverse order of removal.
CONSOLE
CONSOLE : Removal and Installation
REMOVAL
- Remove rear floor trim. Refer to INT-26, "Removal and
Installation".
- Disconnect the harness connector (A) from the inside key
antenna (console) (1).
- Release pawls and remove inside key antenna (console).
: Pawl

INSTALLATION
Installation is in the reverse order of removal.
OUTSIDE KEY ANTENNA
DRIVER SIDE
DRIVER SIDE : Removal and Installation
The driver side outside key antenna and driver side outside handle are
serviced as an assembly. Refer to
DLK-257, "OUTSIDE HANDLE : Removal and Installation".
PASSENGER SIDE
PASSENGER SIDE : Removal and Installation
The passenger side outside key antenna and passenger side outside handle are
serviced as an assembly.
Refer to DLK-257, "OUTSIDE HANDLE : Removal and Installation".
REAR BUMPER
REAR BUMPER : Removal and Installation
REMOVAL
- Remove rear bumper fascia. Refer to EXT-20, "Removal and
Installation".
- Disconnect the harness connector (B) from the outside key
antenna (rear bumper).
- Release clips (A) and remove outside key antenna (1)

INSTALLATION
Installation is in the reverse order of removal.
INTELLIGENT KEY WARNING BUZZER
Removal and Installation
REMOVAL
- Remove front combination lamp (RH). Refer to EXL-119, "Removal and
Installation" (HALOGEN HEADLAMP)
or EXL-268, "Removal and Installation" (LED HEADLAMP).
- Disconnect the harness connector (A) from the Intelligent Key
warning buzzer (1).
- Remove bolt (B) and Intelligent Key warning buzzer.

INSTALLATION
Installation is in the reverse order of removal.
BACK DOOR WARNING CHIME
Removal and Installation
REMOVAL
- Remove the rear bumper fascia. Refer to EXT-20, "Removal and
Installation".
- Disconnect the harness connector from the back door warning chime.
- Remove nuts (A) and back door warning chime (1).

INSTALLATION
Installation is in the reverse order of removal.
INTELLIGENT KEY BATTERY
Removal and Installation
- Release the lock knob on the back of the Intelligent Key and remove the
key.
- Insert a suitable tool (A) wrapped with a cloth into the slit of
the
corner and twist it to separate the upper part from the lower part.
CAUTION:
- Do not insert a tool into the notches of the Intelligent Key
to pry it open, as this may damage the circuit board.
- Do not use excessive force when opening the intelligent
key, as this may result in damage to the internal components.
- Do not touch the circuit board or battery terminal.
- The key fob is water-resistant. However, if it does get wet,
immediately wipe it dry.

- Replace the battery with a new one.
Battery replacement :Coin-type lithium battery
(CR2025)
- Align the tips of the upper and lower parts, and then push them
together until unit is securely closed.
CAUTION:
- When replacing battery, keep dirt, grease, and other foreign
materials off the electrode contact area.
- After replacing the battery, check that all Intelligent Key
functions work normally.

AUTOMATIC BACK DOOR CONTROL MODULE
Removal and Installation
REMOVAL
- Remove the luggage side lower finisher (LH). Refer to INT-34,
"LUGGAGE SIDE LOWER FINISHER :
Removal and Installation - With Third Row Seat".
- Disconnect the harness connectors from the automatic back door
control module.
- Remove nuts (A) and automatic back door control module (1).

INSTALLATION
Installation is in the reverse order of removal.
AUTOMATIC BACK DOOR MAIN SWITCH
Removal and Installation
REMOVAL
- Remove the instrument lower panel LH. Refer to IP-22, "Removal and
Installation".
- Remove the screws (A) that retain the upper (1) and lower (2)
switch carriers.

- Release pawls using a suitable tool (A), then remove the automatic
back door main switch (4) from the upper switch carrier.
(1): Traction control switch
(2): Sport mode switch
(3): Automatic back door switch
(4): Automatic back door main switch

INSTALLATION
Installation is in the reverse order of removal.
AUTOMATIC BACK DOOR SWITCH
Removal and Installation
REMOVAL
- Remove the instrument lower panel LH. Refer to IP-22, "Removal and
Installation".
- Remove the screws (A) that retain the upper (1) and lower (2)
switch carriers.

- Release pawls using a suitable tool (A), then remove the automatic
back door switch (3) from the upper switch carrier.
(1): Traction control switch
(2): Sport mode switch
(3): Automatic back door switch
(4): Automatic back door main switch

INSTALLATION
Installation is in the reverse order of removal.
AUTOMATIC BACK DOOR CLOSE SWITCH
Removal and Installation
REMOVAL
- Release the automatic back door close switch (1) pawls using a
suitable tool.
: Pawl

- Disconnect the harness connector (A) from the automatic back
door close switch (1) and remove.

- Release pawls and remove automatic back door request switch
finisher (1) (if necessary)
: Pawl

INSTALLATION
Installation is in the reverse order of removal.
INTELLIGENT KEY SYSTEM SYMPTOMS
Symptom Table
CAUTION:
Perform the self-diagnosis with CONSULT before the symptom diagnosis. Perform
the trouble diagnosis
if any DTC is detected.
Sym ...
Other materials:
Removal and installation
POWER SOCKET
Removal and Installation
FRONT POWER SOCKET
Removal
Remove cluster lid C. Refer to IP-21, "Removal and Installation".
Release the pawls on the power socket and remove from the cluster
lid C.
Installation
Installation is in the reverse order of remov ...
Warning systems switch (if so equipped)
Warning systems switch (if so equipped)
The warning systems switch is used to turn on
and off the warning systems (Lane Departure
Warning (LDW), Forward Collision Warning
(FCW) and Blind SpotWarning (BSW) systems)
that are activated using the settings menu on the
vehicle information displa ...
Active trace control
This system senses driving based on the driver’s
steering and acceleration/braking patterns, and
controls brake pressure at individual wheels to
aid tracing at corners and help smooth vehicle
response.
The Active Trace Control can be set to ON (enabled)
or OFF (disabled) through the Vehicl ...
© 2014-2026 Copyright t32.nirogue.com