Nissan Rogue Service Manual: Heating and cooling unit assembly
Exploded View
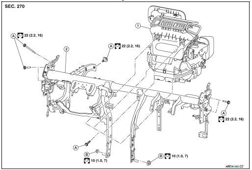
Steering Member

- Heating and cooling unit assembly
- Steering member
- Bolt
- Nut
Automatic Air Conditioning

- Wiring harness
- Air mix door duct (LH)
- Air mix door duct (RH)
- Intake housing gasket
- Blower motor
- Front foot duct (RH)
- Mode door motor
- Mode door motor link
- Mode door motor link 2
- Mode door motor main link
- Rear foot door lever
- Front foot door link
- Front foot door lever
- Air mix door motor (RH)
- Air mix door motor link (RH)
- Air mix door motor link 2 (RH)
- Air mix door lever (RH)
- In-cabin microfilter
- In-cabin microfilter cover
- Evaporator
- Evaporator grommet
- Expansion valve
- Expansion valve plug
- Heater core
- Heater core grommet
- Heater core pipe cover
- Aspirator
- Intake sensor
- Inspection cover
- Variable blower control
- Air mix door motor (LH)
- Front foot duct (LH)
- Intake door motor
- Intake door motor link
- Intake door lever
- Internal door linkage 1
- Internal door linkage 2
- Side ventilator duct gasket (LH)
- Rear foot door
- Front foot door
- Center ventilator door
- Defroster door
- Side ventilator duct gasket (RH)
- Center ventilator duct gasket
- Defroster duct gasket
- Drain hose
Manual Air Conditioning

- Wiring harness
- Intake housing gasket
- Blower motor
- Front foot duct
- Mode door motor
- Mode door motor link
- Mode door motor link 2
- Mode door motor main link
- Rear foot door lever
- Front foot door link
- Front foot door lever
- In-cabin microfilter
- In-cabin microfilter cover
- Evaporator
- Evaporator grommet
- Expansion valve
- Expansion valve plug
- Heater core grommet
- Heater core
- Heater core pipe cover
- Aspirator
- Intake sensor
- Inspection cover
- Variable blower control
- Air mix door motor
- Intake door motor
- Intake door motor link
- Intake door lever
- Front foot duct (LH)
- Internal door linkage 1
- Internal door linkage 2
- Side ventilator duct gasket (LH)
- Rear foot door
- Front foot door
- Center ventilator door
- Defroster door
- Side ventilator duct gasket (RH)
- Center ventilator duct gasket
- Defroster duct gasket
- Drain hose
HEATING AND COOLING UNIT ASSEMBLY
HEATING AND COOLING UNIT ASSEMBLY : Removal and Installation
REMOVAL
CAUTION:
Before servicing, turn the ignition switch off, disconnect both battery cables
and wait at least three
minutes.
NOTE:
When removing components such as hoses, lines/tubes, etc., cap or plug openings
to prevent fluid from leaking.
- Disconnect the negative and positive battery terminals and wait at least
three minutes. Refer to PG-75,
"Removal and Installation (Battery)".
- Discharge the refrigerant. Refer to HA-23, "Recycle Refrigerant".
- Drain the engine coolant. Refer to CO-8, "Draining".
- Remove instrument panel assembly. Refer to IP-14, "INSTRUMENT PANEL
ASSEMBLY : Removal and
Installation".
- Remove steering column. Refer to ST-12, "Removal and Installation".
- Remove dash side finishers (LH/RH). Refer to INT-24, "DASH SIDE FINISHER
: Removal and Installation".
- Remove front floor connecting ducts (LH/RH). Refer to VTL-10,
"FRONT FLOOR DUCT : Removal and
Installation - Front Floor Connecting Duct".
- Remove the cowl top extension. Refer to EXT-25, "Removal and
Installation".
- Remove the bolt (A) that retains the low-pressure pipe and
highpressure
pipe to the expansion valve (1).
CAUTION:
Cap or wrap the joint of the pipe with suitable material such
as vinyl tape to avoid the entry of air.
- Disconnect the heater hoses from the heater core.
- Remove the nuts and bolts that retain the steering member to the
vehicle body.
- Disconnect the drain hose from the heating and cooling unit
assembly.
- Disconnect the harness connectors from the heating and cooling
unit assembly and steering member.
- Remove the heating and cooling unit assembly and steering member
from the vehicle as an assembly.
CAUTION:
Use care not to damage the seats when removing the steering member.
- Remove the bolts that retain the heating and cooling unit assembly to
the steering member.
- Separate the heating and cooling unit assembly from the steering
member.
INSTALLATION
Installation is in the reverse order of removal.
CAUTION:
- Do not reuse O-rings.
- Apply A/C oil to new O-rings for installation.
- After charging refrigerant, check for leaks. Refer to HA-21,
"Leak Test".
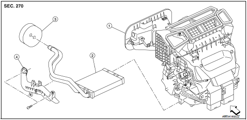
HEATER CORE
HEATER CORE : Exploded View

- Heating and cooling unit assembly
- Heater core
- Heater core grommet
- Heater core pipe cover
Front
HEATER CORE : Removal and Installation
REMOVAL
NOTE:
When removing components such as hoses, lines/tubes, etc., cap or plug openings
to prevent fluid from spilling.
- Discharge the refrigerant. Refer to HA-23, "Recycle Refrigerant".
- Drain the engine coolant. Refer to CO-8, "Draining".
- Remove heating and cooling unit assembly. Refer to HA-42, "HEATING AND
COOLING UNIT ASSEMBLY
: Removal and Installation".
- Remove front foot duct (LH). Refer to VTL-10, "FRONT FOOT DUCT : Removal
and Installation".
- Remove screws and heater core pipe cover. Refer to HA-39, "Exploded
View".
- Remove heater core.
INSTALLATION
Installation is in the reverse order of removal.
EVAPORATOR
EVAPORATOR : Exploded View

- Evaporator
- Expansion valve
- Heating and cooling unit assembly
EVAPORATOR : Removal and Installation
REMOVAL
- Discharge the refrigerant. Refer to HA-23, "Recycle Refrigerant".
- Remove front foot duct (LH). Refer to VTL-10, "FRONT FOOT DUCT :
Removal and Installation".
- Remove heater core. Refer to HA-43, "HEATER CORE : Removal and
Installation".
- Remove intake door motor. Refer to HAC-110, "INTAKE DOOR MOTOR :
Removal and Installation"
(AUTOMATIC AIR CONDITIONING) or HAC-185, "INTAKE DOOR MOTOR : Removal and
Installation"
(MANUAL AIR CONDITIONING).
- Remove air mix door motor (LH) (AUTOMATIC AIR CONDITONING). Refer to
HAC-110, "AIR MIX DOOR
MOTOR : Removal and Installation".
- Remove air mix door motor (MANUAL AIR CONDITIONING). Refer to HAC-185,
"AIR MIX DOOR
MOTOR : Removal and Installation".
- Separate the heating and cooling unit assembly and remove
evaporator.
INSTALLATION
Installation is in the reverse order of removal.
CAUTION:
- Do not reuse O-rings.
- Apply A/C oil to new O-rings for installation.
- After charging the refrigerant, check for leaks. Refer to
HA-21, "Leak Test"
EXPANSION VALVE
EXPANSION VALVE : Removal and Installation
REMOVAL
- Discharge the refrigerant. Refer to HA-23, "Recycle Refrigerant".
- Remove cowl top extension. Refer to EXT-25, "Removal and
Installation".
- Remove the bolt (A) that retains the low-pressure pipe and highpressure
pipe to the expansion valve (1).
CAUTION:
Cap or wrap the joint of the pipe with suitable material such
as vinyl tape to avoid the entry of air.

- Remove bolts (A) and expansion valve (1).

INSTALLATION
Installation is in the reverse order of removal.
CAUTION:
- Tighten bolts to specification. Refer to HA-32, "Exploded
View".
- Do not reuse O-rings.
- Apply A/C oil to new O-rings for installation.
- After charging refrigerant, check for leaks. Refer to HA-21,
"Leak Test".
Exploded View
Air guide (LH)
Condenser upper bracket (LH)
Condenser (includes liquid tank)
Condenser upper bracket (RH)
Air guide (RH)
Refrigerant pressure sensor
C ...
Compressor
Oil
Refrigerant
...
Other materials:
Tightening Torque Table (New Standard Included)
CAUTION:
The special parts are excluded.
The bolts/nuts in these tables have a strength (discrimination)
number/symbol assigned to the head
or the like. As to the relation between the strength grade in these tables
and the strength (discrimination)
number/symbol, refer to ...
Body construction
Body Construction
Outer body side
Outer front pillar reinforcement
Upper inner front pillar
Rear hoodledge reinforcement
Side dash
Inner front pillar reinforcement
Lower front pillar hinge brace
Upper hinge plate
Weld nut
Upper dash
Upper steering membe ...
P0643 sensor power supply
Description
ECM supplies a voltage of 5 V to some of the sensors systematically divided
into 2 groups, respectively.
Accordingly, when a short circuit develops in a sensor power source, a
malfunction may occur simultaneously
in the sensors belonging to the same group as the short-circuited ...
В© 2014-2026 Copyright t32.nirogue.com